任务2 前照灯控制线路检测
一、任务导入
在上一任务中,张先生所驾驶车辆的仪表与照明系统出现故障,如发动机故障灯亮起、 大灯亮度闪烁不定等。经初步观察与分析可知,这类故障的成因往往与控制线路紧密相关。 汽车仪表与照明系统的控制线路,犹如人体的神经系统,承担着传输各类信号的关键职责, 确保汽车仪表能够精准显示车辆运行信息,照明系统依据指令正常运作。
当车辆出现类似张先生所遇故障时,除了考虑仪表、灯泡等部件自身的问题,控制线路 发生断路、短路或接触不良等状况,均有可能引发这些故障现象。因此,准确检测控制线 路,对于迅速定位并解决汽车仪表与照明系统故障具有举足轻重的意义。接下来,我们将深 入学习并实践汽车仪表与照明系统控制线路的检测方法。
二、任务说明
本任务旨在着重培养学生针对汽车仪表与照明系统控制线路的检测能力。通过系统的理 论讲解与实际操作训练,学生应全面熟悉控制线路的结构组成与工作原理,熟练掌握运用各 类检测工具对线路展开全面检测的方法技巧,能够依据检测结果精准判断线路是否存在故障 以及故障的具体位置,并针对所发现的故障提出合理且可行的修复建议。
三、任务准备
1、工具准备
(1)万用表:用于检测电压、电阻等电气参数。
(2)专用解码器:用于读取和清除车辆故障码。
(3)套装工具:包括扳手、螺丝刀等,用于拆卸和安装零件。
(4)零件车:提供可能需要更换的零件。
(5)工具车:携带各种维修工具。
(6)三件套:个人防护装备,如手套、护目镜、工作服等。
(7)实训车辆:用于实际操作的车辆。
2、工作组织
组织形式:每辆车安排4人,2人一组进行操作,分工合作, 一人操作, 一人辅助并观 察其余观察学习,每组实训时间为20~30分钟,轮流进行。
一、诊断思路及流程
(1)在使用该诊断程序前,执行诊断系统,检查车辆。
(2)有关诊断方法的概述,请查阅诊断策略。
(3)诊断程序说明提供每种诊断类别的概述。
(4)安全检查,确保车辆处于安全可操作状态。具体操作包括拉起手刹,防止车辆移 动,并在车辆后方合适位置放置三角警示标志,以警示过往车辆。
(5)查阅对应的控制线路图。仔细研读线路图,熟悉线路的具体走向、各个连接点的位 置以及相关部件在车辆中的具体安装位置,为后续检测工作提供清晰的指引。
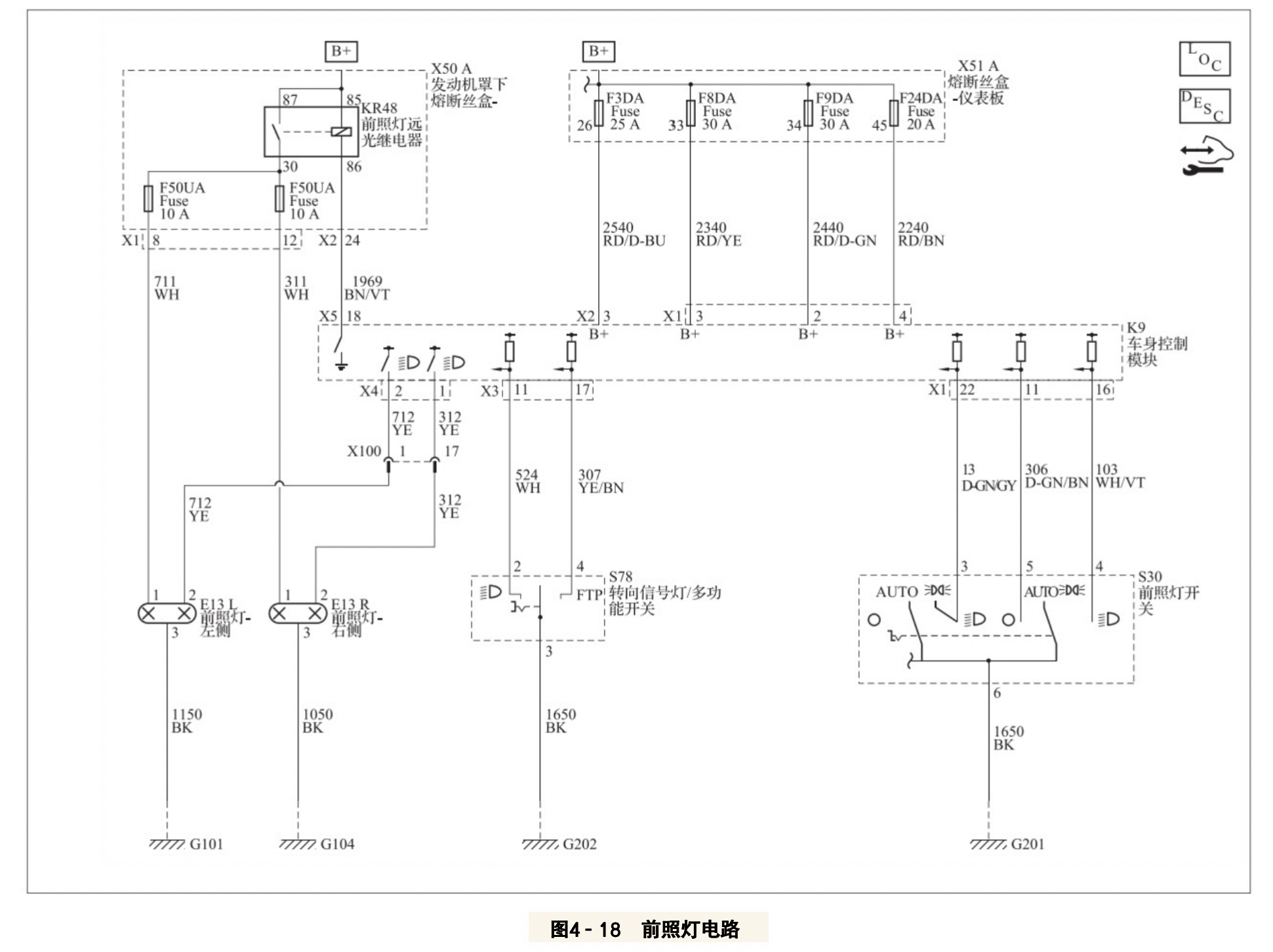
(6)准备好所需的各类检测工具,并对工具进行全面检查,确保其正常工作。 图4-18所示为前照灯电路。
二、整体电路/系统说明
1、仪表显示测试
点火开关置于 “ON” 位置时会测试组合仪表的某些功能,会出现以下情况:
1.防抱死制动系统指示灯、安全气囊指示灯、蓄电池指示灯点亮片刻。
2.制动指示灯、车门微开指示灯、燃油油位过低指示灯点亮片刻。
3.机油压力过低指示灯、驻车辅助系统维修指示灯、踩下离合器指示灯点亮片刻。
4.安全指示器、维修车辆指示灯、车辆动态警告维修指示灯点亮片刻。
5.车辆动态警告关闭指示灯、指示灯和警告信息、发动机冷却液温度表
2、车外照明说明
车外照明系统包括:前照灯、前后雾灯、驻车灯、尾灯、牌照灯、转向信号灯、制动灯、 倒车灯。
车身控制模块 (BCM) 监测大部分的开关信号控制相应的灯光电路接通。
倒车灯通过自动变速器向车身控制模块发送的串行信号,控制倒车灯点亮。
驻车灯和尾灯(三厢车)电路、转向信号灯电路、制动灯和倒车灯电路分别如图4-19、 图4-20、图4-21所示。




电路/系统测试
1.将点火开关置于 “OFF (关闭)”位置,所有车辆系统关闭,断开S30 大灯开关的线 束连接器,再将点火开关置于 “ON (打开)”位置。
2. 测试B+ 电路端子1和搭铁之间的电压是否为B+。
若小于B+, 则执行如下操作。
2.1点火开关置于“OFF (关闭)”位置,断开K9 车身控制模块的X3 线束连接器。
2.2测试B+电路和搭铁之间的电阻是否为无穷大。
若电阻不为无穷大,则修理电路上的对搭铁短路故障。
若电阻为无穷大,则执行如下操作。
2.3测试B+ 电路端对端的电阻是否小于2Ω。
若等于或大于2Ω,则修理电路中的开路/电阻过大故障。
若小于2Ω,则更换K9 车身控制模块。
3. 确认B+ 电路端子1和信号电路端子12之间的测试灯未点亮。
若测试灯点亮,则执行如下操作。
3.1将点火开关置于 “OFF (关闭)”位置,断开K9 车身控制模块的X1 线束连接器。
3.2测试信号电路和搭铁之间的电阻是否为无穷大。
若电阻不为无穷大,则修理电路上的对搭铁短路故障。
若电阻为无穷大,则更换K9 车身控制模块。
若测试灯未点亮,则执行如下操作。
4. 测试B+ 电路端子1和信号电路端子12之间的电压是否为B+。
若小于B+, 则执行如下操作。
4.1将点火开关置于“OFF (关闭)”位置,断开K9 车身控制模块的 X1 线束连接器,然 后将点火开关置于 “ON (打开)”位置。
4.2测试信号电路端子12和搭铁之间的电压是否低于1V。
若等于或大于1V, 则修理电路上的电压短路故障。
若低于1V, 则执行如下操作。
4.3测试信号电路的端到端电阻是否小于2Ω。
若等于或大于2Ω,则修理电路中的开路/电阻过大故障。
若小于2Ω,则更换K9 车身控制模块。
5.测试或更换S30 大灯开关。