一、照明系统的基本组成
汽车照明系统由照明灯和信号灯两部分组成。照明灯主要用作照明道路、交通标志、行人及其他车辆等,包括前照灯、雾灯、倒车灯、牌照灯等。信号灯用作显示车辆的存在和传达车辆行驶状态,包括转向灯、制动灯等。
二、前照灯的作用
前照灯又称前大灯。用于夜间行车时,照亮车前的道路和物体,确保行车安全。同时也可发出远光和近光交替变换的灯光信号,避免夜间超车和会车时使对方驾驶人炫目。
三、前照灯的基本要求
(1)前照灯应保证车前有明亮而均匀的照明,使驾驶人能辨明车前100m以内路面上的任何障碍物。随着汽车行驶速度的提高,汽车前照灯的照明距离也相应要求越来越远。
(2)前照灯应具有防止炫目的装置,以免夜间两车迎面相遇时,使对方驾驶人炫目而造成交通事故。
四、前照灯光学系统结构
前照灯的光学组件由灯泡、反射镜和配光镜三部分组成。
1)灯泡
(1)普通充气灯泡。其灯丝是用钨丝制成。为了减少钨丝受热后的蒸发,延长灯泡寿命,制造时将玻璃泡内空气抽出,再充以约86%的氩和约14%的氮的混合气体。
(2)卤钨灯泡。在相同功率下,卤钨灯的亮度为白炽灯的1.5倍,寿命比白炽灯长2~3倍。
(3)氙气灯泡。氙气灯由小型石英灯泡、变压器和电子单元组成。
氙气灯灯泡的玻璃用坚硬的耐温耐压石英玻璃(二氧化硅)制成,灯内充入高压氙气,接通电源后,通过变压器,在几微秒内升压到2万V以上的高压脉冲电加在石英灯泡内的金属电极之间,激励灯泡内的物质(氙气、少量的汞蒸气、金属卤化物)在电弧中电离产生光亮。
2)反射镜
反射镜的作用,是将灯泡的光线聚合并导向前方,如图所示。
图反射镜工作原理灯丝位于焦点上,灯丝的绝大部分光线向后射在立体角范围内,经反射镜反射后变成平行光束射向远方,使光度增强几百倍至上千倍,达到2×104~4×104cd以上,从而使车前150m甚至400m内的路面照得足够清楚。

3)配光镜
配光镜,又称散光玻璃。它是用透光玻璃压制而成,是很多块特殊的棱镜和透镜的组合,其几何形状比较复杂,外形一般为圆形和矩形,其作用是将反射镜反射出的平行光束进行折射,使车前路面和路缘具有良好而均匀的照明,如图所示。

4)前照灯的防炫目措施
(1)双丝灯泡。双丝灯泡的远光灯丝位于反射镜的焦点上,而近光灯丝则位于焦点的上方并稍向右偏移,其工作原理如图所示。

(2)采用带遮光罩的双丝灯泡。在近光灯丝的下方装有遮光罩,当使用近光灯时,遮光罩能将近光灯丝射向反射镜下部的光线遮挡住,无法反射,提高防炫目效果,如图所示。

5)前照灯的类型
(1)封闭式前照灯。在这种类型中,灯泡、反光镜和灯罩制为一体。这种结构的优点是可以完全避免反射镜受到污染,当灯丝烧坏后,需要更换前照灯总成,成本较高。
(2)半封闭式前照灯。在这种类型中,灯泡可单独更换,分为常规型、多反射镜式、投射式等。
①常规型前照灯。这是一种可替换灯泡的形式,使用普通白炽灯和卤素灯两种形式的前照灯。其优点是一旦灯丝烧断只需更换灯泡即可,缺点是密封性不良。
②多反射镜式前照灯。它有一个无色灯罩和形状复杂(混合抛物线形状)的反光镜。
③投射式前照灯。其反射镜近似于椭圆形状,具有两个焦点。第一焦点处放置灯泡,第二焦点是由光线形成的,凸形配光镜的焦点与第二焦点一致。
一、仪表与照明系统的基本组成
为了使驾驶员能够掌握汽车及各系统的工作情况,在汽车驾驶室内的仪表板上装有各种 指示仪表、指示灯及各种报警信号装置。汽车上常用的仪表有车速里程表、发动机转速表、 机油压力表、燃油表、冷却液温度(水温)表等,它们通常与各种信号灯一起安装在仪表板 上,称为组合仪表,如图4-1所示。

图4-1 组合仪表
汽车照明系统由照明灯和信号灯两部分组成。照明灯主要用于照明道路、提高能见度、 辅助照明等,包括前照灯、雾灯、牌照灯等。信号灯用于显示车辆的存在和传达车辆行驶状 态,包括转向信号灯、制动灯等。汽车灯具如图4-2所示。

图4-2 汽车灯具
二、仪表系统
机械- 电子式车速里程表(图4- 3)与机械式车速里程表相比,最主要的特点是用传感 器取代了软轴,克服了机械式车速里程表指针摆动、软轴易断的缺点。传来的光电脉冲或磁 电脉冲信号,经仪表内部的微机处理后,可在显示屏上显示车速。里程表则根据车速及累计 运行时间,由微机处理计算并显示里程。车速传感器接在机械式里程表被动齿轮外,与被动 齿轮直接接触。


图4-3 机械-电子式车速里程表
纯电子式车速里程表(图4-4)因为没有里程表主、被动齿轮实际速比与理论速比之间 的误差而产生的整车车速与里程的误差,因此指示读数较机械- 电子式车速里程表更准确。 同时,与机械-电子式车速里程表相比,纯电子式车速里程表互相接触的传动部件减少,损 坏率与成本均减少,所以在国内客车行业被广泛使用。

图4-4 纯电子式车速里程表
车速里程表由车速表和里程表两部分组成,其中车速表用来指示汽车瞬时行驶速度,里 程表可记录汽车行驶总里程和短程里程。车速里程表有磁感应式和电子式两种。车速表和里 程表通常安装在同一个壳体中,并由同一根轴驱动,或使用同一个传感器。磁感应式车速里 程表的构造如图4-5所示。

图 4 - 5 磁感应式车速里程表的构造
电子式车速里程表由车速里程表传感器、信号处理电路、车速表和里程表组成。其电路 如 图 4 - 6 所 示 。

图 4 - 6 电子式车速里程表电路
车速里程表传感器安装在组合仪表内,由变速器经软轴驱动,汽车行驶时它产生正比于 汽车行驶速度的信号。它由具有一对或几对触点的舌簧开关和转子组成。
信号处理电路由单稳态触发电路、恒流电路、64分频电路、功率放大电路及电源稳压 等电子电路组成。汽车运行时,它将车速传感器输入的脉冲信号,经整形和处理转变为电流 信号,并加以放大,以驱动车速表指示车速;同时它还将脉冲信号经分频和功率放大,转变 为一定频率的脉冲信号,以驱动里程表步进电机的轴转动,记录汽车的行驶里程。
车速表以一个磁电式电流表作为指示表。汽车以不同的车速运行时,信号处理电路将车 速传感器输入的脉冲信号,转变为与车速成比例的电流信号,使电流表的指针偏转,指示出 相应的车速。
里程表由步进电机、六位十进制计数器及内传动齿轮等组成。汽车运行时车速传感器输 出的脉冲信号,经信号处理电路分频和功率放大,转变为一定频率的脉冲信号,作用于步进 电动机的电磁线圈。步进电机将这一脉冲信号转变为角位移信号,使电动机轴转动,驱动里 程表十进制计数器的六个计数轮依次转动,记录汽车行驶的总里程和单程行驶里程。当需要 消除短程里程时,只需按一次复位杆,短里程表就会归零。
发动机转速表可以直观地指示发动机的转速,是发动机工况信息的指示装置,便于驾驶 员选择发动机的最佳速度范围,把握好换挡时机,以及充分利用经济车速等。
发动机转速表有机械式和电子式两种。机械式发动机转速表的结构和工作原理与上述磁 感应式车速里程表基本相同。电子式发动机转速表由于结构简单、指示准确、安装方便等优 点在现代车辆中应用广泛。
电子式发动机转速表有汽油机用和柴油机用两种类型。前者的转速信号来自点火系统的 脉冲电压,后者的转速信号来自曲轴传感器。电子式发动机转速表电路如图4-7所示。

图4-7电子式发动机转速表电路
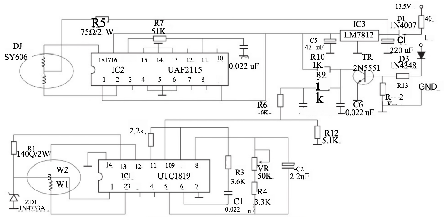
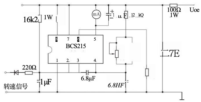
目前,一些车型上使用的发动机转速表,采用专用集成电路芯片实现信号的采集和处理, 芯片的体积很小,可以安装在转速表内。如图4-8所示为BCS215 集成电路转速表实用电路。

图4 - 8 BCS215 集成电路转速表电路
三、照明系统
(一)照明系统的种类与用途
1、照明系统的种类
汽车照明系统按其安装位置和用途不同,可分为外部照明系统和内部照明系统。
2、信号系统的种类
信号系统主要包括前、后转向灯,危险报警灯,示宽灯,倒车灯,制动灯,后尾灯和音 响信号灯等。
3、照明系统的用途
前照灯:俗称大灯,装在汽车头部的两侧,用来照亮车前的道路。前照灯有两灯制和四 灯制之分,功率为40~60W, 灯光为白色,包括远光灯和近光灯。
雾灯:在有雾、下雪、暴雨或尘埃弥漫等情况下,用来改善道路的照明情况。每车配备 一只或两只雾灯,安装位置比前照灯稍低, 一般离地面约50 cm 左右,射出的光线倾斜度大。 其光色为黄色或橙色(黄色光波较长,透雾性能好),功率为35~55W。
示宽灯:俗称小灯,装在汽车前部两侧的边缘,在汽车夜间行驶时,标示汽车的宽度, 功率为5~10W。
转向信号灯:汽车转弯时,发出明暗交替的闪光信号,以表明汽车向左或向右转向行驶。 它有前、后、侧转向信号灯之分, 一般为橙色,功率为20W 以上。
尾灯:装在汽车的尾部,夜间行驶时,用来警示后面的车辆,以便保持一定的距离,功 率为5~10 W。
制动灯:每当踏下制动踏板时,便发出较强的红光,以示制动,以便警示尾随的车辆防止追尾,功率为20W 以上。
倒车灯:用来照亮车后路面,并警示车后的车辆和行人,表示该车正在倒车,灯光为白 色,功率为20W。
牌照灯:用来照亮汽车牌照,功率为5~10W。
停车灯:夜间停车时,用来标志汽车的存在,功率为5~10W。
仪表灯:安装在仪表板上,用来照明仪表,灯光为白色,功率为2~8W。
顶灯:装在车厢或驾驶室内顶部,作为内部照明之用,灯光为白色,功率为5~8W。
行李箱灯:装于轿车或乘客行李箱内,当开启行李箱盖时,自动发亮。
门灯:装于轿车外张式车门内侧底部,光色为红色,夜间开启车门时,门灯发亮,以提 示后来行人及车辆注意避让。
其他辅助用灯:为了便于夜间检修,设有工作灯,经插座与电源相接。一些车辆将汽车 后部的尾灯、后转向信号灯、制动灯、倒车灯等组合起来称为组合后灯;将前照灯、雾灯或 前转向信号灯等组合在一起称为组合前灯。
(二)前照灯的照明要求
世界各国交通管理部门一般都以法律形式规定了汽车前照灯的照明标准,以确保夜间行 车的安全,基本要求如下。
1. 前照灯应保证车前有明亮而均匀的照明,使驾驶员能看清车前100m 以内路面上的任 何障碍物。随着高速公路的建成,汽车行驶速度的提高,要求汽车前照灯的照明距离也相应 的增长,现代有些汽车的前照灯照明距离已达到200~250m。
2.前照灯应具有防止眩目的装置,确保夜间两车迎面相遇时,不使对方驾驶员因产生眩 目而造成事故。为了满足第一个要求,根据光路的可逆性原理,在前照灯的设计和制造上, 装置了反射镜、配光镜和灯泡组成的光学系统。为了满足第二个要求,对前照灯的使用作了 必要的规章制约,同时还对灯泡结构作了合理的设计
(三)前照灯的结构
前照灯的光学系统主要包括由光源(灯泡)、反射镜、配光镜三部分。
1、灯泡
汽车前照灯灯泡如图4-9所示。目前,汽车前照灯用灯泡的额定电压有6V 、12V 和 24V 三种。灯泡的灯丝由功率大的远光灯丝和功率较小的近光灯丝组成,由钨丝制作成螺旋 状,以缩小灯丝的尺寸,有利于光束的聚合。

图4-9 汽车前照灯灯泡
为了保证安装时使远光灯丝位于反射镜的焦点上,使近光灯丝位于焦点的上方,故将灯 泡的插头制成插片式。插头的凸缘上有半圆形开口,与灯头上的半圆形凸起配合定位。三个 插片插入灯头距离不等的三个插孔中,保证其可靠连接。这种插片式灯泡的优点为结构简 单,拆装方便,接触性能可靠,并能与全封闭式前照灯通用,因此,国内生产的前照灯灯泡 多采用这种结构。
前照灯的灯泡是充气灯泡,是把玻璃泡内的空气抽出后,再充满情性混合气体。 一般灯 泡中充入的惰性气体为96%的氩气和4%的氮气。充入灯泡的惰性气体可以在灯丝受热时膨 胀,增大压力,减少钨的蒸发,提高灯丝的温度和发光效率,节省电能,延长灯泡的使用 寿命。
虽然充气灯泡的周围抽成真空并充满了惰性气体,但是灯丝的钨质点仍然要蒸发,使灯 丝损耗。而蒸发出来的钨沉积在灯泡上,使灯泡变黑。近年来,国内外已使用了一种新型的 卤钨灯泡(即在灯泡内充以惰性气体中渗入某种卤族元素)。
卤族元素是指碘、溴、氯、氟等元素。现在灯泡使用的卤族元素一般为碘或溴,叫作碘 钨灯泡或溴钨灯泡。我国目前生产的是溴钨灯泡。
卤钨灯泡是利用卤钨再生循环反应的原理制成的。卤钨再生循环的基本作用过程是:从 灯丝蒸发出来的气态钨与卤族反应生成了一种挥发性的卤化钨,它扩散到灯丝附近的高温区 又受热分解,使钨重新回到灯丝上,被释放出来的卤素继续扩散参与下一次循环反应,如此 周而复始地循环下去,从而防止了钨的蒸发,避免灯泡变黑。卤钨灯泡尺寸小,泡壳用耐高 温、机械强度较高的石英玻璃制成,所以充入惰性气体的压力较高。
因工作温度高,灯内的工作气压将比其他灯泡高得多,故钨的蒸发也受到更为有力的抑制。
2、反射镜
反射镜一般用0.6~0.8 mm 的薄钢板冲压而成,表面形状呈旋转 抛物面,如图4-10所示。其内表面镀银、铝或镀铝,然后抛光。由 于镀铝的反射系数可以达到94%以上,机械强度也较好,所以现在 一般采用真空镀铝。

图4-10 反射镜
由于前照灯灯泡灯丝发出的光度有限,功率仅45~60 W, 如无反射镜,那只能照清汽车 灯 前 6m 左右的路面。而有了反射镜之后,前照灯照距可达到150 m 或更远。因此,反射镜 的作用就是将灯泡的光线聚合并导向前方。灯丝位于焦点F 上,灯丝的绝大部分光线向后射 在立体角范围内,经反射镜反射后将平行于主光轴的光束射向远方,使光度增强几百倍,甚 至上千倍,从而使车前150m, 甚至400 m 内的路面照得足够清楚。
3、配光镜
配光镜又称散光玻璃,是用透光玻璃压制而成的,是很多块特殊的棱镜和透镜的组合。 其几何形状比较复杂,外形一般为圆形和短形,如图4-11所示。配光镜的作用是将反射镜 反射出的平行光束进行折射,使车前路面和路线都有良好而均匀的照明。



图4-11 配光镜
(1)水平方向散射
(2)铅直方向下折射
为了弥补具有反射镜的前照灯因为光束太窄、照明不大的缺点,采用了配光镜。
(四)前照灯避免眩目措施
(1)采用双丝灯泡(图4 - 12)。


图4-12 双丝灯泡
(2)采用带遮光罩的双丝灯泡(图4- 13)。

图4-13 带遮光罩的双丝灯泡
(3)采用非对称光形(图4- 14)。

图4-14 非对称光形
(五)前照灯的类型
通常按前照灯光学系统结构不同,将其分为半封闭式、封闭式和投射式前照灯三种。
1、半封闭式前照灯
半封闭式前照灯如图4-15所示,其配光镜靠卷曲反射镜边缘上的牙齿而紧固在反射镜 上,二者之间垫有橡皮密封圈,灯泡只能从反射镜后端装入。当需要更换损坏的配光镜时, 应撬开反射镜外缘的牙齿,安装上新的配光镜后,再将牙齿复原。由于这种灯具减少了对光 学系统的影响因素,维修方便,因此得到广泛使用。

图4-15 半封闭式前照灯
2、封闭式前照灯
封闭式前照灯(又叫真空灯)如图4- 16所示,其反射镜和配光镜用玻璃制成一体,形 成灯泡,里面充以惰性气体。灯丝焊在反射镜底座上,反射镜的反射面经真空镀铝。由于封 闭式前照灯完全避免反射镜被污染及遭受大气的影响,因此其反射效率高,照明效果好,使 用寿命长,得到了很快的普及。但当灯丝烧断后,需要更换整个总成,成本高,因此限制了 它的使用范围。

图4-16 封闭式前照灯