任务3:汽车点火、燃油系统检查与更换
一、任务导入
张先生开着他的国产汽车,起步时发动机出现车辆起动困难、低速行驶时有明显抖动及 动力不足,高速时动机抖动消失,起步时抖动剧烈,甚至熄火等状况;更换的火花、喷油器, 此现象仍未解决,可能出现在点火系统与燃油喷射系统控制线路问题。
二、任务说明
本任务的目的是检查与更换故障部位。故障1为汽车发动抖动,经检测点火系统线路正 常,判断故障原因为车辆点火线圈与火花塞故障;故障2为汽车无着火迹象,通过检测可能 是燃油泵或喷油器故障。通过此任务,参与者将运用所学的点火系统与燃油喷射系统基础知 识与维修技能,使用专业工具和设备进行故障诊断,实践团队合作和安全操作。
三、任务准备
工作准备
(1)万用表:用于检测电压、电阻等电气参数。
(2)专用解码器:用于读取和清除车辆故障码。
(3)套装工具:包括扳手、螺丝刀等,用于拆卸和安装零件。
(4)零件车:提供可能需要更换的零件。
(5)工具车:携带各种维修工具及专用工具。
(6)三件套:个人防护装备,如手套、护目镜、工作服等。
(7)实训车辆:用于实际操作的车辆。
工作组织
组织形式:每辆车安排4人,2人一组进行操作,分工合作, 一人操作, 一人辅助并观察其余观察学习,每组实训时间为20~30分钟,轮流进行。
1、拆卸程序
点火线圈的拆卸流程如图3-30所示。
专用工具:EN-6009 点火线圈拆卸工具/安装工具。
(1)将发动机线束1从气缸盖上拆下。
(2)断开点火线圈插头2。
(3)沿箭头所指方向拆下点火线圈的盖。
(4)拆下2个点火线圈螺栓。

2、安装程序
点火线圈的安装流程参照图3-30。
(1)安装EN-6009 拆卸工具/安装工具3。
(2)拆下点火线圈4。
(3)拆下EN-6009 拆卸工具/安装工具3。注意:参见有关紧固件的注意事项。
(4)安装2个点火线圈螺栓,并紧固至9N·m(80 ft·Ibf)。
(5)箭头方向安装点火线圈盖。
(6)连接点火线圈插头2。
(7)将发动机线束导管1安装至气缸盖。
火花塞的检查流程,如图3-31所示。
(1)检查接线柱1是否损坏:检查接线柱1是否弯曲 或断裂;通过拧动和拉动接线柱的方式,测试接线柱1是 否松动。端子接线柱1应不晃动。
(2)检查绝缘体2是否击穿或有碳痕、碳黑。这是由 接线柱1和接地点之间的绝缘体2两端之间放电而引起的。 检查是否存在如下状况:火花塞套管损坏;气缸盖的火花
塞槽部位潮湿,如有机油、冷却液或水。火花塞套管完全受潮后会引起对地的电弧放电。
(3)检查绝缘体2有无裂纹。全部或部分电荷可能通过裂缝而不是电极3、4进行电弧 放电。
(4)检查是否有异常电弧放电的迹象。测量中心电极4和侧电极3端子之间的间隙(参 见点火系统规格)。电极间隙过大可能妨碍火花塞正常工作。检查火花塞扭矩是否正确(参 见点火系统规格)。扭矩不足可能妨碍火花塞正常工作;火花塞紧固扭矩过大会引起绝缘体2 开裂。检查绝缘体尖端而不是中心电极4附近是否有漏电迹象。检查侧电极3是否断裂或磨 损。通过摇动火花塞检查中心电极4是否断裂、磨损或松动。中心电极4若松动会降低火花 强度。若听到“喀啦”声则表示内部已损坏。
(5)检查电极3、4之间是否存在搭桥短接现象。电极(3,4)上的积碳会减小甚至消 除它们的间隙。检查电极3、4上的铂层是否磨损或缺失(若装备)。检查电极是否过于脏污。 检查气缸盖的火花塞槽部位是否有碎屑。脏污或损坏的螺纹可能导致火花塞在安装过程中不 能正确就位。

火花塞的目视检查
1.火花塞正常工作工作时间内棕色至浅灰褐色,且带少量白色粉状沉积物,这是带添加 剂的燃油正常燃烧的副产品。
2.火花塞积炭,是由以下情况产生的干燥、蓬松的黑炭或烟灰:燃油混合气过浓、燃油 喷射器泄漏、燃油压力过大、空气滤清器滤芯堵塞、燃烧不良、点火系统电压输出减小、线 圈不耐用、点火导线磨损、火花塞间隙不正确。长时间怠速运行或在轻载下低速行驶可导致 火花塞始终处于低温状态,使得正常燃烧沉积物无法燃尽。此外,沉积物污染——机油、冷 却液或含硅等物质的添加剂(颜色很白的覆盖层)降低了火花强度。大多数粉状沉积物不会 影响火花强度,除非它们在电极上形成上釉层。
1、拆卸程序
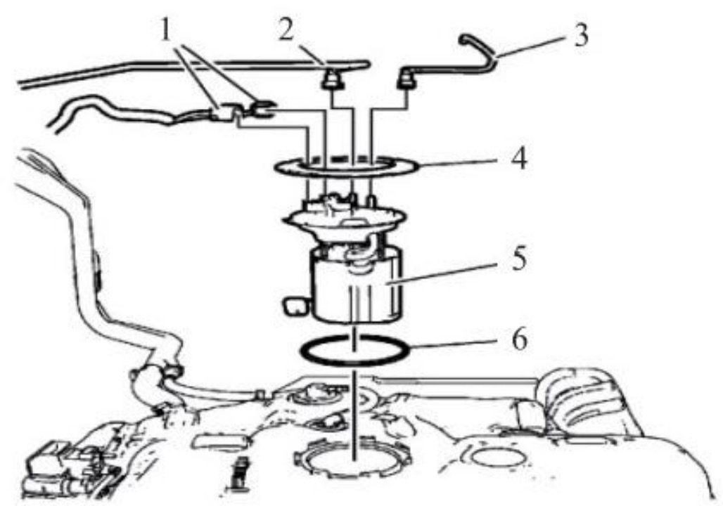
燃油箱燃油泵模块的拆卸流程如图3-32所示。
(1)拆下油箱。
(2)将供油管2和回油管3从燃油箱燃油泵模块5上断开。
(3)将燃油箱燃油泵模块线束1从燃油箱燃油泵模块5上断开


图3 - 32 燃油箱燃油泵模块的拆卸流程
( 4 ) 将CH-797 拆卸工具/安装工具7安装到燃油泵模块锁环8上。注意:切勿使用冲 击工具。松开锁环时需要较大的力,但不推荐使用锤子和螺丝刀。固定燃油箱以防止燃油箱 转动 。
(5)使用CH-797 拆卸工具/安装工具和长活动扳杆逆时针转动锁环,以解锁锁环。
(6)拆下燃油箱燃油泵模块锁环4。
(7)拆下燃油箱燃油泵模块5。注意:将燃油箱燃油泵模块稍稍向上提起。
(8)拆下并报废燃油泵模块密封件6。
2、安装程序
燃油箱燃油泵模块的安装参照图3-32。
(1)安装一个新的燃油泵模块密封件6。
(2)安装燃油箱燃油泵模块5。
(3)安装燃油箱燃油泵模块锁环4。
( 4 ) 将CH-797 拆卸工具/安装工具7安装到燃油泵模块锁环8上。注意:切勿使用冲 击工具。松开锁环时需要较大的力,但不推荐使用锤子和螺丝刀。固定燃油箱以防止燃油箱 转动 。
(5)使用CH-797 拆卸工具/安装工具和长活动扳杆顺时针转动锁环,以锁止锁环。
(6)将燃油箱燃油泵模块线束1连接至燃油箱燃油泵模块5。
(7)将供油管2和回油管3连接至燃油箱燃油泵模块5。
(8)安装油箱。
1、拆卸程序
操作步骤一,如图3-33所示。
(1)断开蓄电池负极电缆。
(2)拆下曲轴箱强制通风管。
(3)断开以下部件的线束:蒸发排放吹洗阀、喷油器、歧管绝对压力传感器。
(4)将一个接液盘置于下面。警告:汽油或汽油蒸汽非常容易燃烧,如果存在火源可能 会导致火灾。为防止火灾或爆炸危险,切勿使用敞口容器排出或存放汽油或柴油。请在附近 准备一个干式化学(B 级)灭火器。
(5)使用带EN-34730-91 量表的测试接头释放燃油压力。
( 6 ) 用CH-41769 工具组件断开供油管1的快速释放接头。
( 7 ) 用CH-807 螺塞安装并闭合供油管。
(8)拆下蒸发排放炭罐吹洗电磁阀。
操作步骤二,如图3-34所示。
(9)拆下2个蒸发排放炭罐吹洗电磁阀托架螺栓2。
(10)将蒸发排放炭罐吹洗电磁阀托架1从进气歧管3上拆下。

图3-33 喷油器的拆卸流程(1)

图3-34 喷油器的拆卸流程(2)
操作步骤三,如图3-35所示。
(11)将4个喷油器线束插头1从喷油器上断开。 操作步骤四,如图3-36所示。
(12)拆下2个多点燃油喷射燃油导轨螺栓1。
(13)将带喷油器3的多点燃油喷射燃油导轨2从进气歧管5上拆下。
(14)拆下4个喷油器密封件4,拆下喷油器固定件1,拆下喷油器。

图3-35 喷油器的拆卸流程(3)

图3-36 喷油器的拆卸流程(4)
2、安装程序
操作步骤一,如图3-37所示。
(1)安装喷油器。注意:安装新的喷油器密封件,用硅基润滑脂涂抹多点喷油器密封件。
(2)安装喷油器固定件1。注意:用硅基润滑脂涂抹喷油器密封件。

图3-47 喷油器的安装流程
操作步骤二,参照如图3-36。
(3)安装4个新的喷油器密封件4。
(4)将多点燃油喷射燃油导轨2和喷油器3安装到进气歧管5上。
(5)安装2个多点燃油喷射燃油导轨螺栓1并紧固至8N·m(71 bt·Ibf),将4个喷油 器线束插头1连接到喷油器上。
操作步骤三,参照图3-35。
(6)将蒸发排放炭罐吹洗电磁阀托架1安装至进气歧管3。
操作步骤四参照图3-33。
(7)安装2个蒸发排放炭罐吹洗电磁阀托架螺栓2并紧固至7N·m(62bt·Ibf)。
(8)拆下蒸发排放炭罐吹洗电磁阀。
操作步骤五,参照图3-33。
(9)拆下CH-807 螺塞。
(10)连接供油管1的快速释放接头。
(11)将线束连接至:蒸发排放吹洗阀、喷油器、歧管绝对压力传感器。