学习任务单(含学习目标)
上一节
下一节
章节名称: 第8章 组合变形 | 学时:6 | ||
一 学习指南 | 1 学习目标 | 知识目标: 了解组合变形机构的强度计算的基本方法和步骤;掌握拉伸(压缩)弯曲组合变形构件的应力和强度计算;熟练掌握弯扭组合的应力和强度计算。 能力目标: 能够对工程中的组合变形问题进行正确的力学建模和分析,运用强度理论进行强度计算或者校核。 素质目标: 树立社会主义核心价值观,树立家国情怀,增强道路自信和制度自信,培养团队合作精神。 | |
2 重点难点 | 重点: (1)拉弯(压弯)组合的应力和强度计算 (2)扭转与弯曲组合的应力和强度计算 | ||
难点:弯扭组合的应力分析 | |||
二 学习任务 | 1 教学录像 | 在线观看 | |
2 教学课件 | 在线观看 | ||
3 拓展资源 | 在线观看 | ||
三 学习测评 | 1 课后作业 | 作业本做,教师批改 | |
(1) 托架如图,已知AB为矩形截面梁,宽度b=20mm,高度h=40mm,杆CD为圆管,其外径D=30mm,内径d=24mm,材料的许用应力[σ]=160MPa。若不考虑CD杆的稳定问题,试按强度要求计算结构的许可载荷[q]。
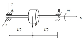
(2)传动轴AB直径d=80mm,轴长l=2m,材料的许用应力[σ]=100MPa,轮缘挂重P=8KN与转矩平衡,轮直径D=0.7m。试画出轴的内力图,并用第三强度理论校核轴的强度。
| |||
2 章节测试 | 在线完成,系统批阅 | ||
3 拓展活动 | 中国水利工程建设成就(小组合作完成,讨论区展示) | ||
四 知识总结 | 1 知识总结 | 思维导图/ 文字表格/PPT制作(讨论区展示) | |
2 作业展示 | 课堂展示 | ||
五 反思建议 | 1 学习疑问 | 讨论区展示 | |
2 学习感悟 | 讨论区展示(收获、感想、期望、建议) | ||


