任务书:基于PLC的星三角降压启动电路设计,要求以文档形式上交材料
设计一个三相异步电动机的星--三角降压启动控制器。
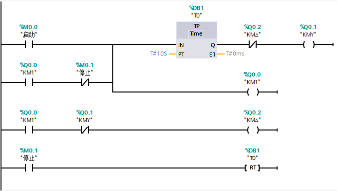
要求:按下启动按钮,电机机星形启动,10s后电动机三角形正常运行,任何时间按下停止按钮,电动机立即停止。

一、绘制电路图
电路图


二、编写程序
1、编程思路:
启动和停止控制。(采用置位和复位)
定时器控制段。

2、教学视频
案例程序

三、形成文档并提交作业
1、要求
内容包含:
项目题目【标题三】
一、任务描述【标题四】
二、IO分配表【标题四】
三、电路图【标题四】
四、程序【标题四】
五、总结【标题四】
注意:所有图采用题注形式
2、案例
3、教学视频
启动电流和空载电流
启动电流是指电动机从静止状态,接通电源后,实现零速到额定转速的瞬间工作电流。在未进行干预影响下,一般是额定电流的5-7倍。瞬间大电流会造成局域电网产生压降,如启动时所看到的灯变暗的情况 ,为缓解此情况,电动控制常使用自耦降压、星三角、变频等方式限制启动电流。
空载电流是指电动机未拖动负载时的运行电流。电机在空转状态其工作电流低于额定电流,对鼠笼电机空载电流是额定电流的30%以下,大功率电动机空载电流是额定电流的20%以下,电机的极对数越多空载电流越大。
一般空气开关按照负载电流的1.5倍选取。
星三角降压启动时间计算
启动时间(秒)=
,此处P的单位为千瓦。
举例:50千瓦电动机,采用星三角降压启动,降压启动时间?
t==
知识点:
IEC定时器的数据(设定值、当前值等)存储在指定的数据块中,用户程序中可以使用的定时器数量仅仅受CPU的存储器容量限制。 在调用定时器指令时会自动创建数据块,也可手动创建。定时器的时间值是32位的双整数(DInt),默认单位为毫秒(ms)。最大定时值为T#24D_20H_31M_23S_647MS。
(1)脉冲定时器(TP)

当IN输入信号从0变为1(信号上升沿)时,开始计时,无论IN的状态是否变化,在PT时间内输出Q=1;当ET≥PT时,输出Q=0;当IN再次从0变为1时,定时器重新计时。
(2)接通延时定时器(TON)

当IN从0变为1(信号上升沿)时,启动定时。当ET=PT 时,定时触发,Q =1。直到IN 从1变为0, Q=0,ET=0。当IN再次从0变为1时,重新启动定时。
(3)关断延时定时器(TOF)

当 IN从0变为1(信号上升沿)时, Q =1。当IN变回0时,定时器开始计时。在 PT 时间段内,输出 Q =1。当ET时间达到 PT 时间时,将复位输出 Q=0。若 IN 信号在持续时间 PT 计时结束之前变为1,则复位定时器,输出 Q 的信号状态仍将为1。
(4)时间累加器(TONR)

当IN接通时,开始计时;IN断开时,ET保持。当复位信号R接通时,定时器复位,输出Q=0,ET=0。
技能点:

任务1 S7-1200 定时器指令及应用
知识点:
(1)人机界面
人机界面产品由硬件和软件两部分组成,硬件包括处理器(如CPU)、显示单元(如显示器)、输入单元(如鼠标、键盘)、通讯接口(如网卡)和数据存储单元等,其中处理器的性能决定了HMI产品性能的高低,是HMI的核心单元。
(2)西门子人机界面分类



技能点:
(1)精简画面组态

(2)添加HMI

(3)组态画面

精简系列面板的画面组态
知识点:
PLC与HMI在同一个博途项目中时,可以进行集成仿真。在没有PLC和HMI硬件时,可以安装“仿真/运行系统”组件来仿真HMI设备。需要下载相关软件。

1.HMI仿真方法

2.有硬件PLC,没有HMI设备仿真
先设计HMI画面,建立计算机和S7 PLC的通信连接,然后用计算机模拟HMI设备的功能。这种测试为在线测试,可以减少调试时刷新HMI设备的闪存次数,节约调试时间,并且仿真效果与实际系统基本相同。
3.没有硬件PLC,HMI 仿真
保证装有PLCSIM仿真软件的前提下,先组态CPU和设计PLC程序,然后设计HMI画面,最后同时下载PLC程序和HMI进行仿真。
技能点:
HMI设计:建HMI变量表,不建时可以在画面中关联PLC变量,然后设计HMI画面,设置画面上的文本,图形属性,关联变量;最后下载PLC程序和HMI进行仿真,PLC在PLCSIM中仿真,HMI在WINCC中运行。
plc与HMI的集成仿真
思考练习题1
用自复位式定时器设计一个周期为5s,脉冲宽度为一个扫描周期的脉冲串信号。
思考练习题2
用定时器设计输出脉冲周期为10s、占空比为70%的振荡电路(闪烁电路)。
思考练习题3
用定时器设计以下程序:按下启动按钮,Q1.0控制 的电动机运行10s后自动断电,同时Q1.1控制的电磁铁通电制动,5s后自动断开。
思考练习题4
设计照明灯控制程序。按下按钮SB1,照明灯H点亮30s。如果这段时间内有人按下按钮,则时间间隔从头开始计算,这样可以保证在最后一次按下按钮后,照明灯维持30s的照明。