-
1 知识讲解
-
2 项目实施
-
3 提升任务
-
4 G00指令加工演示
-
5 G01指令加工演示
-
6 G02指令加工演示
-
7 G03指令加工演示
-
8 CAXA加工1
一、程序结构
数控系统的种类繁多,它们使用的数控程序语言规则和格式也不尽相 同。因此,编程人员在针对某一台数控机床编制加工程序时,应该严格按照 机床编程手册中的规定进行程序编制。
1.程序的组成
一个完整的程序由程序号、程序内容和程序结束三部分组成,如下所示:

(1)程序号写在程序的最前面,FANUC 系统的程序号由英文字母 O 和 1~ 4 位正整数组成,例 O0002。 程序号一般要求单列一段。
(2)程序内容是由若干个程序段组成的。每个程序段一般占一行。
(3)程序结束指令可以用 M02 或 M30,它必须写在程序的最后。一般要 求单列一段。
2.程序段的组成
一个数控加工程序是由若干个程序段组成的。现在一般使用的地址符程 序段格式中,每个程序段又由若干个程序字组成,各个程序段中的长度和字 的个数都是可变的。
地址符程序段格式:N—G—X—Y—Z—F—S—T—M— 在这种格式中,字的排列顺序无严格的要求,字的位数可多可少,与上 段相同的续效数字可以省略。
例如:
N0030 G00X10Y20F0.2;
N0040 G01X20(Y20)(F0.2);
可见 N0040 中 Y20 和 F0.2 可省略,可写为: N0040 G01X20;
3.字的功能
组成程序段的每一个字都有其特定的功能含义,以下是以 FANUC-0i T 数控系统的规范来介绍,实际工作中,请遵照机床数控系统说明书来使用各 个功能字。
(1)顺序号字 N 顺序号又称程序段号,位于程序段之首,顺序号字 N 是地址符,后续数字 一般为 1~4 位的正整数。数控加工中的顺序号实际上是程序段的名称,与 程序执行的先后次序无关。 顺序号的作用:对程序的校对和检索修改;作为条件转向的目标,即作 为转向目的程序段的名称。
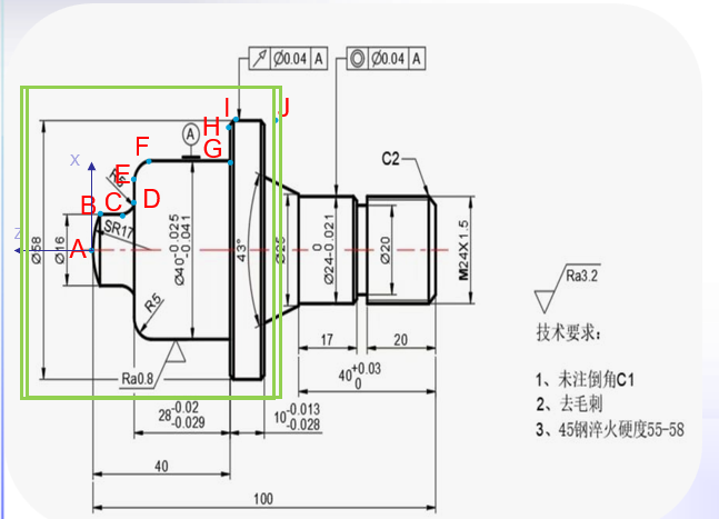
(2)准备功能字 G 准备功能字 G,又称为 G 功能或 G 指令,是用于建立机床或控制系统工 作方式的一种,数控车床常用的 G 功能字见表 2.1。
(3)尺寸字 尺寸字用于确定机床上刀具运动终点的坐标位置,共有三组。 其中,第一组 X,Y,Z,U,V,W,P,Q,R 用于确定终点的直线坐标 尺寸;第二组 A,B,C,D,E 用于确定角度坐标尺寸;第三组 I,J,K 用 于确定圆弧轮廓的圆心坐标尺寸。在一些数控系统中,还可以用 P 指令暂停 时间、用 R 指令圆弧的半径等。
(4)进给功能字 F 进给功能字 F,又称为 F 功能或 F 指令,用于指定切削的进给速度。
(5)主轴转速功能字 S 主轴转速功能字 S,又称为 S 功能或 S 指令,用于指定主轴转速。
(6)刀具功能字 T 刀具功能字 T,又称为 T 功能或 T 指令,用于指定加工时选刀。 实 施
(7)辅助功能字 M 辅助功能字 M,后续数字一般为 1~3 位正整数,又称为 M 功能或 M 指令, 用于指定数控机床辅助装置的开关动作。
三、英制指令和公制指令
指令格式:G20/G21
四、直径编程和半径编程
数控车床加工回转体,其 X 坐标可采用直径编程和半径编程两种方式 加以指定。目前,数控车床出厂时一般设置为直径编程方式。

五、F、S、T 指令
1. F 指令
指令格式:F-;例 G01 X0 Y0 F0.2
说明:
(1) F指令表示工件被加工时刀具相对于工件的进给速度,F的单位取决于G98
(每分钟进给量mm/min)或G99(主轴每转一转刀具的进给时mm/r)。使用下式可以
实现每转进给量与每分钟进给量的转化:
vf =fS
式中 vf—每分钟的进给量(mm/min);
f—每转进给量(mm/r);
S—主轴转速(r/min)。
(2) F指令在螺纹切削程序段中常用来指令螺纹的导程。
(3) F为模态指令,在工作时F值一直有效,直到被新的F值所取代,但在工作快速定位时
的速度与编程F无关,只能通过借助机床控制面板上的快进倍率调整。当执行攻螺纹切削
时倍率开关失效,进给倍率固定在100%。
(4)在数控车削加工中一般采用每转进给模式(mm/r),当主轴速度较低时会出现进给
率波动。主轴转速越低,波动发生越频繁。
2. S 指令
指令格式:S-;例 M03 S500
说明:
(1)控制车床主轴转速,其后的数值表示主轴速度,车床单位一般为mm/r。
(2)S是模态指令,S功能只有在主轴速度可调节时有效,S所编程的主轴转速
可以借助机床控制面板上的主轴倍率开关进行修调。
3. T 指令
指令格式:T-;例 T0101
说明:用于选刀,其后的4位数字的前2位表示选择的刀具号,后2位表示刀具
补偿号。T后面数字与刀架上刀号的关系是由机床制造厂规定的。
六、绝对编程和增量编程指令
指令格式:G90/G91
说明: (1)G90 绝对编程方式下,每个编程坐标轴上的编程值是相对于编程 原点。
(2)G91 增量编程方式下,每个编程坐标轴上的编程值是相对于前一 位置而言,该值等于轴移动的距离。
(3)机床刚开机时默认 G90 状态。
(4)G90 和 G91 都是模态(续效)指令 在某些车床上用 X、Z 表示绝对编程,用 U、W 表示增量编程,并允许 在同一程序段中混合使用绝对和相对编程方法: 混合编程方式:X100 W-50 注意:混合编程时程序段前的 G90/G91 可省略。
七、点位控制和直线插补指令
指令格式:G00 X(U)-Z(W)-
G01 X(U)-Z(W)-F
说明:
1.在G00时,刀具以点位控制方式快速移动到目标位置,其移动速度由系统来设定。指令执行开始后,刀具沿着各个坐标方向同时按参数设定的速度移动,最后减速到达终点。注意:在各坐标方向上有可能不是同时到达终点。因此要注意刀具在运动过程中是否与工件及夹具发生干涉。
2.在G01时,刀具以指定的F进给速度移动到目标位置。
3.G00、G01、F都是模态(续效)指令,在程序的第一个G01后必须规定一个F值,F值一直有效,直到指定新值。
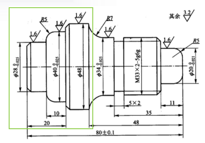
例:如图图2-22所示,刀具分别用点位控制和直线插补方式,从A点到B点。
点位控制:G00 X100 Z-50
直线插补:G01X100 Z-50 F0.2

八、圆弧编程指

(1)如图中,G02指令为顺时针圆弧插补,G03指令为逆时针圆弧插补, 均为模态指令。圆弧顺逆方向的判别方法为:沿着不在圆弧平面内的 坐标轴Y,由正方向向负方向看,顺时针方向G02,逆时针方向G03。
(2) X(U)和Z(W)是指圆弧插补的终点坐标值。
(3)圆弧编程方法见图2-20。
(4) I、K是指圆弧圆心到起点的增量坐标,与G90、G91无关。I、K是矢量值, 并且I0、K0可以省略。
(5) R为指定圆弧半径,当圆弧的圆心角≤180°时,R值为正;当圆弧的圆 心角>180°时,R值为负。
(6) G02和G03都是模态(续效)指令。







