由555定时器组成的单稳态触发器和无稳态触发器
-
1 章节内容
-
2 PPT
上一节
下一节
21.4 由555定时器组成的单稳态触发器
一、集成定时器555工作原理
集成定时器555由分压器、比较器、R-S触发器和放电晶体管等部分组成,如图所示:

具有高触发端TH,低触发端TL,电压控制端CO,放电端D,复位端和输出端OUT等。
分压器给两个比较器提供参考电压2/3UCC和1/3UCC,高、低触发端的输入信号与各自的参考电压比较,其比较结果控制R-S触发器,使555输出高电平或低电平。在电压控制端CO外加电压,可改变比较器的参考电压。
符号如下图所示:


二、定时器电路的应用
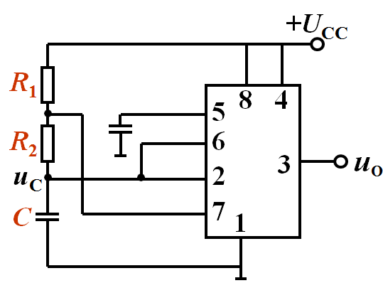
1、由555定时器组成的多谐振荡器
多谐振荡器是一种无稳态触发器,接通电源后,不需外加触发信号,就能产生矩形波输出。由于矩形波中含有丰富的谐波,故称为多谐振荡器。
多谐振荡器是一种常用的脉冲波形发生器,触发器和时序电路中的时钟脉冲一般是由多谐振荡器产生的。

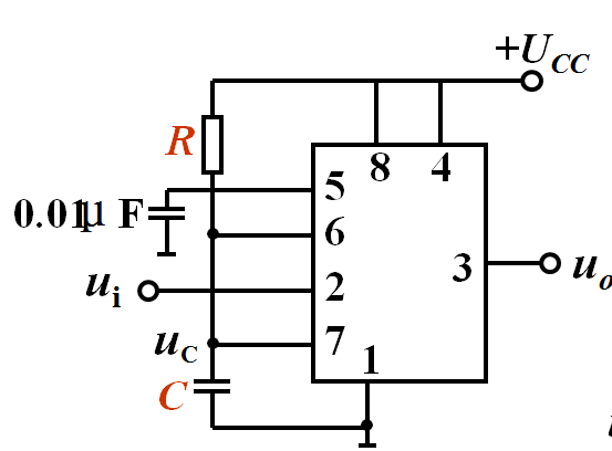
2、由555定时器组成的单稳态触发器
单稳态触发器只有一个稳定状态。在未加触发脉冲前,电路处于稳定状态;在触发脉冲作用下,电路由稳定状态翻转为暂稳定状态,停留一段时间后,电路又自动返回稳定状态。
暂稳定状态的长短,取决于电路的参数,与触发脉冲无关。


