电路中电位的概念及计算
-
1 章节内容
-
2 PPT
-
3 视频
上一节
下一节
主要内容:
电位的概念;电位的计算。
重点难点:
电路中电位的计算方法。
内容精要:
1. 电位的概念
在分析电子电路时,经常用到电位的概念。所谓电位,就是电路中某点至参考点的电压,记为“VX”。通常设参考点的电位为零。
若某点电位为正,说明该点电位比参考点高;
若某点电位为负,说明该点电位比参考点低。
2. 电位的计算步骤
(1) 选取电路中某一点为参考点,设其电位为零;
(2) 标出各电流参考方向并计算出电流的值;
(3)计算各点至参考点间的电压即为各点的电位。

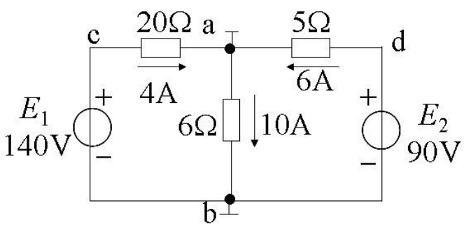
图1 电路图


分析此例的计算结果,可以得到以下结论:
(1) 电位值是相对的,参考点选取的不同,电路中各点的电位也将随之改变;
(2) 电路中两点间的电压值是固定的,不会因参考点的不同而变, 即与零电位参考点的选取无关。
在电子技术中,借助电位的概念可以简化电路作图(图2为原图,图3为电位的简图)

图2 原电路图
图3 电位的简图

