行程控制
-
1 章节内容
-
2 PPT
-
3 视频
上一节
下一节
主要内容:
行程控制线路的构成。
重点难点:
行程控制线路中互锁的概念和作用。
内容精要:
控制某些机械的行程,当运动部件到达一定行程位置时利用行程开关进行控制。
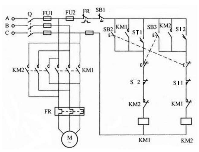
如:小车的自动往返运动。要求:小车能正向运行也能反向运行;到位后能自动返回。控制电路如下图所示:

图中SB1位停车按钮,SB2、SB3位电动机正、反转起动按钮,ST1位电动机反转变正转行程开关,ST2位电动机正转变反转行程开关,若电动机带动小车正转向左移动,则行程开关ST1安装在右边位置,ST2安装在左边位置。
当按下正转起动按钮SB2时,电动机正向起动旋转,小车向左运动,当小车压下行程开关ST2时,正转接触器KM1线圈断电释放,反转接触器KM2线圈得电并吸合,电动机由正转变为反转,小车向右运动。
当小车压下行程开关ST1时,KM2线圈断电释放,KM1线圈又得电吸合,电动机由反转变为正转,再次拖动小车向左运动,如此循环往复,实现小车的自动往复运动。
当按下停车按钮SB1时,电动机停止运转,小车停止运动。

