学习情境六 机械产品的三维建模与装配
机械制造、交通运输、冶金、电子信息等各行各业大量使用了机械产品,如机床、汽车、自行车、工程机械、冶炼设备等,大多数机械产品中的零件建模难度不大,但零件间一般有较高的装配关系要求,甚至有些机械产品的零件间还有运动关系,所以本书最后一个学习情境,安排大家学习几类典型机械产品的三维建模与虚拟装配。
任务一 千斤顶的三维建模与装配
千斤顶是一种用钢性顶举件作为工作装置,通过顶部托座或底部托爪在行程内顶升重物的轻小起重设备,一般起重高度小于1m,其结构轻巧坚固、灵活可靠,一人即可携带和操作,主要用于厂矿、交通运输等部门作为车辆修理及其他起重、支撑等工作。
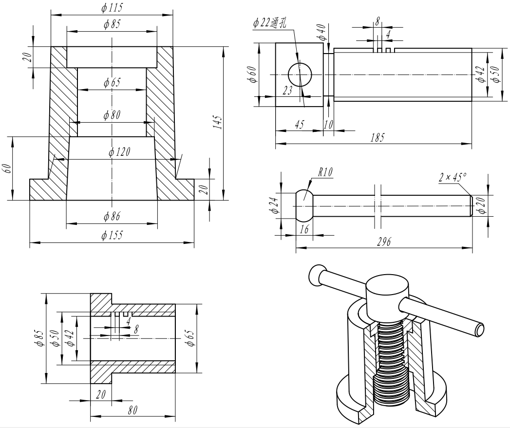
本任务通过零件图和装配轴测图的方式下达,要求完成如图6-1-1所示工程图对应零件的三维建模(零件按序号命名,如6-1-1-a.prt、6-1-1-b.prt等),最后完成千斤顶的装配及装配图输出。

图6-1-1 机械式简易千斤顶
下面结合Creo软件详细讲解机械式简易千斤顶的三维建模和虚拟装配过程。
本任务给出的千斤顶是一个外形及内部结构较为简单的机械产品,所以其零件建模可快速完成,同时给出的装配轴测图说明了零件间的装配关系,所以只需利用Creo的虚拟装配功能即可完成三维装配模型的设计。最后利用Creo自身的工程图转换功能,能直接将三维模型转换成二维工程图所需的各种视图。为了使工程图符合国家标准的要求,本任务依然采用将.drw文档另存为.dxf文档,然后在CAXA电子图板中编辑打印的方式进行。
最后要注意的是,如果本机没有连接打印机,要将图纸文档拷贝到其他电脑上(如打印店的电脑)去打印的话,为了兼容起见,需将二维图纸文档.exb或.dwg等转换为.pdf格式,再去打印则不会发生无法打印图纸或图纸混乱等问题。
【任务一 千斤顶的三维建模与装配】课件
小资料:

