任务一 锥形法兰的三维建模
上一节
下一节
学习情境二 非标零件的三维建模
出于个性化及使用性能等方面的考虑,在机械产品或消费品中,一般都要设计大量的非标准件。这些非标零件一般外形比前面所讲的组合体更复杂,建模难度也更大。为进一步掌握Creo的三维建模思路与技巧,下面讲解锥形法兰、轴承座、斜面连接座、陶瓷茶杯等非标零件的建模、渲染等过程。
任务一 锥形法兰的三维建模
法兰(flange),又叫法兰凸缘盘或凸缘,主要用于管状零件之间的相互连接,如管道法兰、减速机法兰等,广泛用于化工、建筑、给排水、石油、冷冻、消防、电力、航天等各行各业。
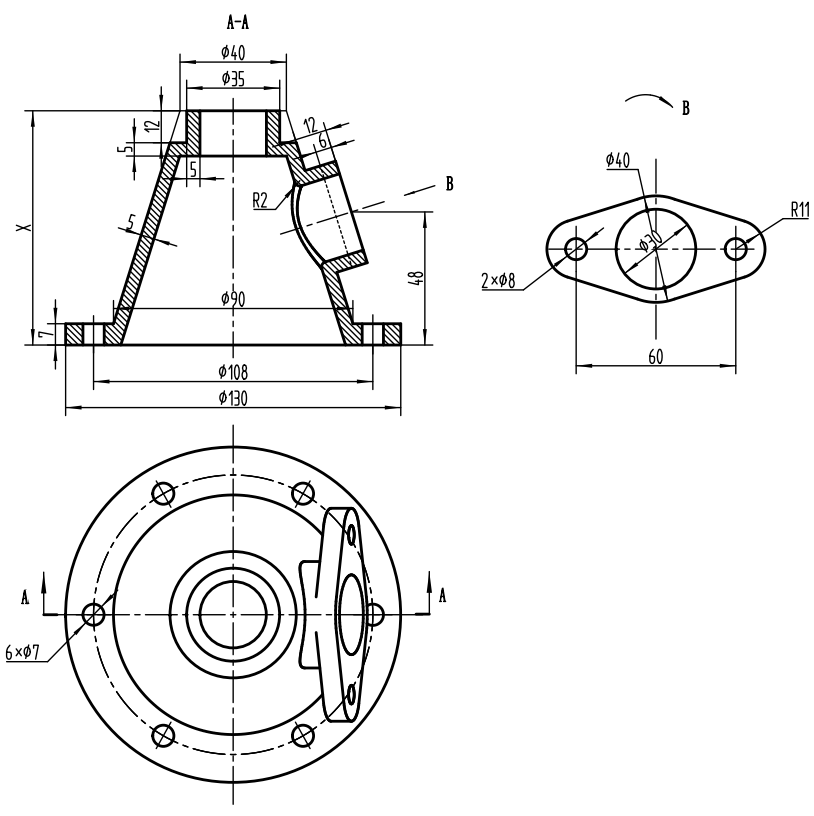
本任务通过二维工程图的方式下达(未给出图框及标题栏),要求按如图所示的尺寸完成锥形法兰的三维建模,并分别回答尺寸x=85和x=90时模型的准确体积。

图 锥形法兰工程图
下面结合Creo软件详细讲解锥形法兰的三维建模过程。
任务一 锥形法兰的三维建模中的两个练习的学习。
<练习1>
<练习2>
【任务一 锥形法兰的三维建模】课件
小资料:

