任务四 三维模型的体积及质量测量
上一节
下一节
任务四 三维模型的体积及质量测量
产品设计过程中有时需要知道虚拟样机(含单个零件)的体积、重量等参数,以便计算包装空间、核算成本,而Creo正好提供了分析测量工具。
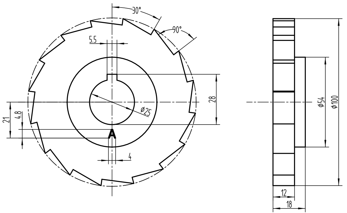
本任务通过工程图的方式下达(图中零件所用材料为45钢,密度为0.0078g/mm3),要求按如图所示的尺寸完成棘轮的三维建模(其中字母A深度为0.2),并给出该零件准确的体积及质量。

图 棘轮工程图
下面结合Creo软件详细讲解棘轮的三维建模过程和棘轮模型的体积与质量的测量方法。
任务四 三维模型的体积及质量测量中的两个练习的学习。
【任务四 三维模型的体积及质量测量】课件
小资料:

