
串联电路
把电阻一个接一个地依次连结起来,把两端接到电源上,就组成串联电路。如下图所示是三个电阻组成的串联电路。

通过实验我们可以归纳出串联电路的基本特点是:电路中各处的电流相等;电路两端的总电压等于各部分电路两端的电压之和,即
I = I1 = I2 = I3 , U = U1 + U2 + U3
利用欧姆定律,可以由上面的两个公式推出串联电路的几个重要性质。
如果把串联电路中的 3个电阻用一个电阻 R 来代替,使得在相同的电压下,通过电路的电流跟原来相同。那么,我们就把电阻 R 叫做串联电路的总电阻或等效电阻。
R = R1 + R2 + R3
串联电路的总电阻等于各个电阻之和。
在串联电路中,通过各电阻的电流相等,根据欧姆定律,有

在串联电路中,总电压被分配到各个电阻上。阻值大的电阻分得的电压大;阻值小的电阻分得的电压小。所以串联电路又叫做分压电路,串联电路的这种作用叫做分压作用。分压电路在生产、生活、科技和实验中有广泛的用途。
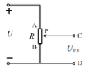
如下图所示,是用滑动变阻器接成的分压器,它可以得到一定数值范围内连续变化的电压。滑动变阻器的两个固定端A、B接在电源上,其中一个固定端和滑动片P跟用电器或工作电路的C、D两端相连。



由于RPB≤R当滑片P上下移动时,输出电压的数值就可以在0~U之间连续变化。
电学仪表中常应用串联电路的分压作用来扩大电压表的量程。通常,电压表都是利用电流表改装的,电流表本身的电阻很小,所能承受的电压也很小,无法直接测量较大的电压,必须进行改装后才能扩大它的量程。怎么改装呢?根据串联电路的分压原理,在电流表上串联一个分压电阻,让这个电阻分担一部分电压,这样,电流表和分压电阻一起就成一个能够测量较大电压的电压表了。
[例题1] 一个量程为10 V,内阻为5.0 kΩ的电压表,要把它的量程扩大到50 V,应该串联一个多大的电阻?

首先,由电压表的量程UV及其内阻RV,运用欧姆定律,计算出通过电压表的满偏电流IV,这个电流等于通过分压电阻的电流。再由电压表的量程UV和要改装的电压表的量程U相比较,可求得分压电阻必须分担的电压UR。然后结合分压电阻的电流IV,运用欧姆定律就可以求出分压电阻R的大小
解 根据欧姆定律,电压表满偏时的电流值IV为
设应串联的电阻为R,由串联电路的分压作用可知,该电阻应分担的电压值是
UR = U-UV = (50-10)V = 40 V
再根据欧姆定律,可得分压电阻的阻值
用电流表测量电流时,必须把它串联在电路中,并使电流从其“+”接线柱流入,从“ -”接线柱流出。
并联电路
把几个电阻的一端连在一起,另一端也连在一起并接到电源上,这样组成的电路叫做并联电路,如下图所示。

通过实验我们可以归纳出并联电路的基本特点是:各支路两端的电压相等;电路中的总电流等于各支路的电流之和。用公式可以表示为
U = U1 = U2 = U3 , I = I1 + I2 + I3
由上面的两个公式,利用欧姆定律,可以推出并联电路的几个重要性质。
如果把并联电路中的 3个电阻也用一个电阻 R 来代替,并把它连在两个公共接点上,在相同的电压下,通过主电路的电流跟原来的相同。那么,我们就把电阻 R 叫做并联电路的等效电阻或总电阻。

并联电路的总电阻的倒数,等于各个电阻的倒数之和。
在并联电路中,各支路两端的电压相等,根据欧姆定律,有

在并联电路中,通过各电阻的电流与它的电阻值成反比。即电阻的阻值越大,通过它的电流越小。各个并联电阻可以分担一部分电流,并联电阻的这种作用叫做分流作用,作这种用途的电阻又叫分流电阻。并联电路分流作用的用途很多。例如,当电路中的电流超过某元件或用电器所允许通过的电流时,就可以给它并联一个阻值适当的分流电阻以减少通过它的电流。
电流表量程的扩大就是并联电路的分流作用的应用实例之一。电流表能够测量的电流一般很小(不超过毫安级)。为了扩大它的量程,以达到可以测量较大电流的目的,就要给电流表并联一个阻值较小的分流电阻,这样,就可以把电流表改装成较大量程的电流表了。
[例题2] 内阻RA = 1 000 Ω,满偏电流IA = 100 μA的电流表要改装成量程为1 A的电流表,需要并联多大的分流电阻?

分析 电路如上图所示。
要把量程为100 μA的电流表改装成量程为1 A的电流表,需要进行分流,分流就要利用并联电路。本题已知电流表满偏时的电流 Ig 和扩大量程后的电流 I,那么,通过分流电阻的电流 IR 就等于 I 与 Ig之差。由于Rg 已知,根据欧姆定律,我们就能计算出分流电阻的电压UR,进而计算出分流电阻的阻值 R。
解 根据并联电路分流作用的特点,可知分流电阻需要分担的电流
IR = I-IA = 1-0.000 1 A = 0.999 9 A
分流电阻两端的电压与电流表两端的电压相等,所以,
UR = UA = IA RA = 0.000 1×1 000 V = 0.1 V
由欧姆定律,得


用电压表测量电压时,必须把它与等测量的用电器并联,并使其“+”接线柱接高电势端,“-”接线柱接低电势端。
家庭中的电器一般都是通过插座并联入家庭主电路当中的,如右图所示。




