建模强化
-
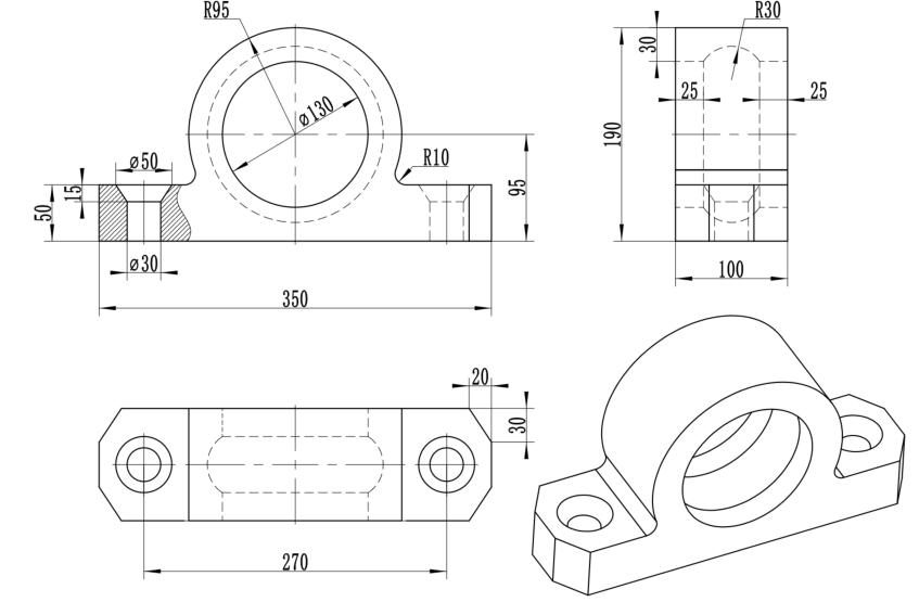
1 模型1
-
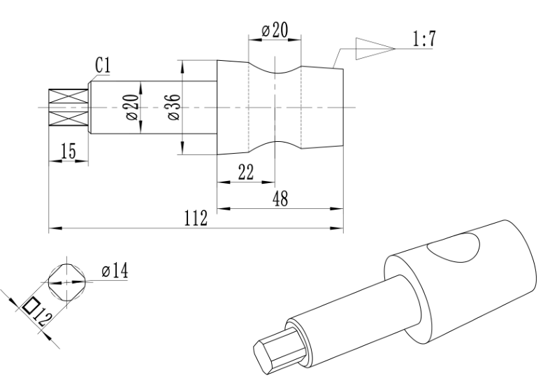
2 模型2
-
3 模型3-辅助平面
-
4 旋转强化
-
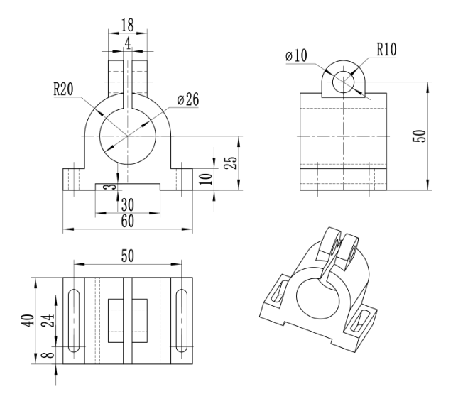
5 槽特征
-
6 其他建模
-
7 201模型
-
8 综合
上一节
下一节

建模步骤









林




