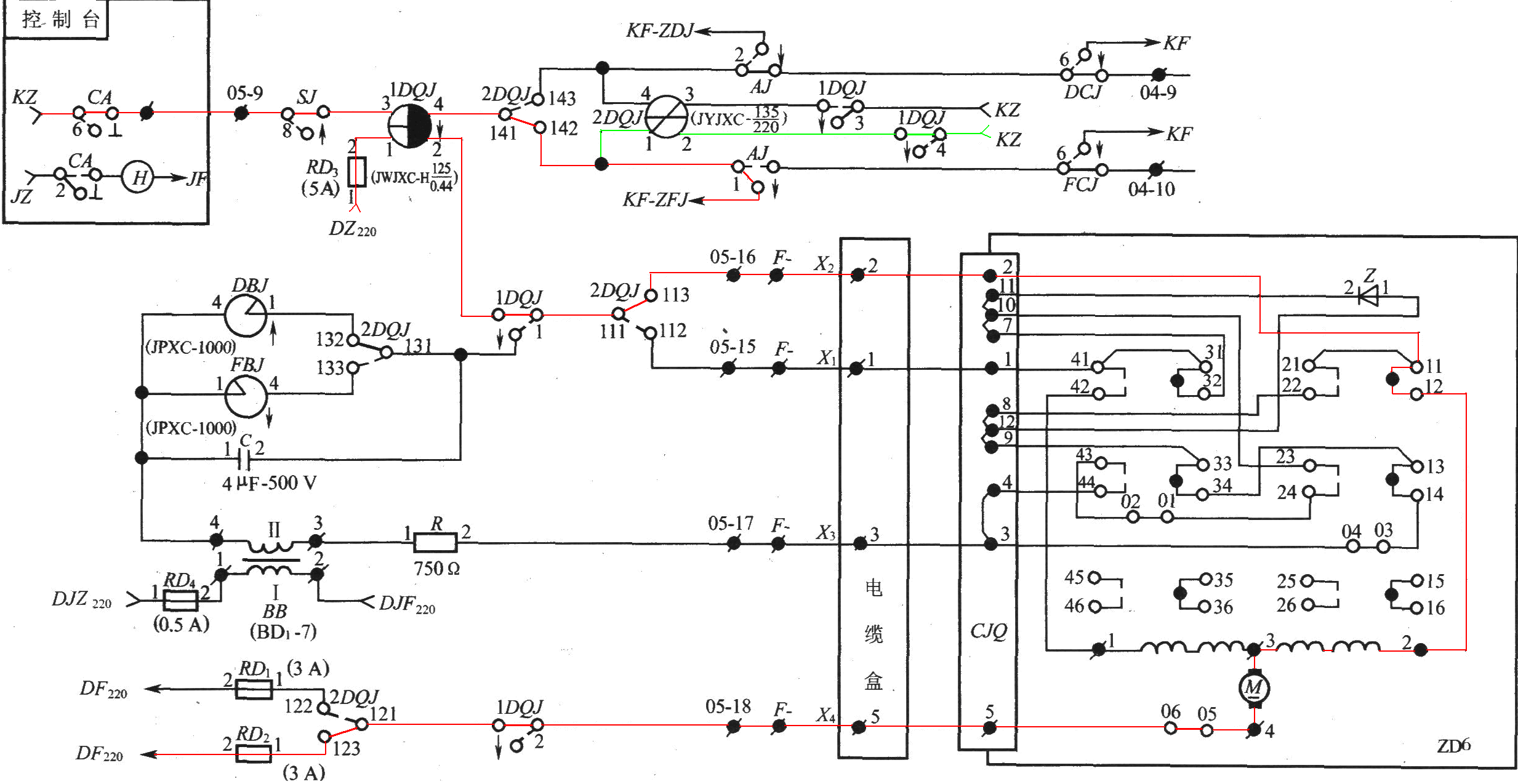
项目二 ZD6转辙机控制电路维护及故障处理
-
1 任务导学
-
2 自学勤思
-
3 明理解惑
-
4 拓展进阶
-
5 强化训练
上一节
下一节
导学信息:
本任务旨在使学生掌握ZD6转辙机控制电路的维护及故障处理流程和内容,并根据标准完成维护和故障处理的实践作业。
学习要求:
通过整理、查阅课程平台资源、网络资源等,完成关于ZD6转辙机控制电路的维护主题汇报;
通过整理、查阅课程平台资源、网络资源等,完成关于ZD6转辙机控制电路的故障处理的主题汇报。
评价标准:
| 任务 | 评价观察点 | 标准 | 结果 |
| 课前汇报准备1 | 汇报纲要 | PPT表意清晰,展示大方得体,纲要简明扼要 | 优秀 |
| 汇报PPT | PPT表意基本完善,展示无差错,纲要一般简明 | 良好 | |
| 师生交流、讨论纪要 | PPT表意不清晰,展示有差错,纲要没有重点 | 不合格 | |
| 课前汇报准备2 | 汇报纲要 | PPT表意清晰,展示大方得体,纲要简明扼要 | 优秀 |
| 汇报PPT | PPT表意基本完善,展示无差错,纲要一般简明 | 良好 | |
| 师生交流、讨论纪要 | PPT表意不清晰,展示有差错,纲要没有重点 | 不合格 | |
| 课中任务1 | 汇报展示 | 汇报展示口齿清晰,思路明确,回答问题准确 | 优秀 |
| 回答问题 | 汇报展示一般,思路有一定条理,回答问题无明显错误 | 良好 | |
| 汇报展示混乱,思路不清晰,回答问题有错误 | 不合格 | ||
| 课中任务2 | 汇报展示 | 汇报展示口齿清晰,思路明确,回答问题准确 | 优秀 |
| 回答问题 | 汇报展示一般,思路有一定条理,回答问题无明显错误 | 良好 | |
| 汇报展示混乱,思路不清晰,回答问题有错误 | 不合格 | ||
| 课中任务3 | 维护内容和流程 | 维护内容全面、流程准确 | 优秀 |
| 维护内容正确、流程合理 | 良好 | ||
| 维护内容错误、流程不正确 | 不合格 | ||
| 课中任务4 | 维护内容和流程 | 维护内容全面、流程准确 | 优秀 |
| 维护内容正确、流程合理 | 良好 | ||
| 维护内容错误、流程不正确 | 不合格 | ||
| 课后任务1 | ZD6转辙机控制电路故障处理方法及流程 | 介绍思路明确,回答问题准确 | 优秀 |
| 介绍思路有一定条理,回答问题无明显错误 | 良好 | ||
| 介绍思路不清晰,回答问题有错误 | 不合格 |




