1.读丝杆支座图并回答问题:
(1)该零件共用了 个基本视图,其中A—A是 剖的 图。
(2)尺寸2—φ6.5表示有 个基本尺寸是 的孔,其定位尺寸是 。
(3)图中有3个沉孔,其大孔直径是 ,深度是 ;小孔直径是 ,其定位尺寸是 。
(4)尺寸
的基本尺寸是 ,最大极限尺寸是 ,上偏差是 ,公差值是 。
(5)图中框格
表示被测要素是 ,基准要素是 ,公差项目是 ,公差值是 。

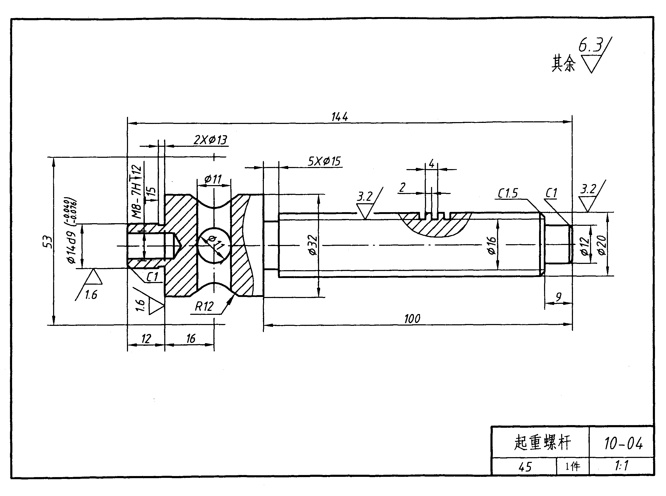
2. 看懂起重螺杆零件图,回答下列问题:
(1).该零件在四类典型零件中属于 类零件。
(2).零件左端面不通螺孔的螺纹深度尺寸为 。
(3).零件左边φ14轴段的退刀槽尺寸是: 。
(4).零件左边φ14轴段尺寸的上偏差是: 。
(5).零件左边φ14轴段尺寸的下偏差是: 。
(6).零件的材料是: 。
(7).有尺寸公差要求的尺寸:有 个。
(8).零件右端螺杆的长度是: 。
(9).零件右端面的表面粗糙度代号中的Ra值是: 。
(10).零件的径向尺寸基准是:_ _。

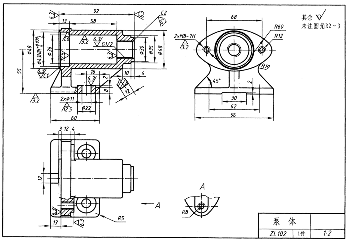
3.看懂泵体零件图,回答下列问题:
(1).该零件在四类典型零件中属于 类零件。
(2).零件底板上的凸台有 个。
(3).零件底板上凸台的通孔尺寸为: 。
(4).零件右端的内螺纹尺寸为: 。
(5).零件的大部分表面用 的方法获得。
(6).未注圆角的尺寸是: 。
(7).泵体的高度尺寸基准是: 。
(8).右端面的表面粗糙度代号中的Ra值是: 。
(9).左端孔φ43H8尺寸的上偏差是: 。
(10).左端孔φ43H8尺寸的下偏差是: 。

读丝杆支座图并回答问题:
(1)该零件共用了 1 个基本视图,其中A—A是旋转 剖的 全剖 图。
(2)尺寸2—φ6.5表示有 2 个基本尺寸是 φ6.5 的孔,其定位尺寸是 φ56 。
(3)图中有3个沉孔,其大孔直径是 φ9 ,深度是 6 ;小孔直径是 φ6 ,其定位尺寸是 φ36 。
(4)尺寸
的基本尺寸是φ65 ,最大极限尺寸是φ65.03 ,上偏差是 + 0.03 ,公差值是 0.03 。
(5)图中框格
表示被测要素是 65的中心线 ,基准要素是 主视图上的底面,公差项目是 垂直度 ,公差值是 φ0.01 。

2. 看懂起重螺杆零件图,回答下列问题:
(1).该零件在四类典型零件中属于 轴套 类零件。
(2).零件左端面不通螺孔的螺纹深度尺寸为 12mm 。
(3).零件左边φ14轴段的退刀槽尺寸是:2×0.5 。
(4).零件左边φ14轴段尺寸的上偏差是: -0.04 。
(5).零件左边φ14轴段尺寸的下偏差是: -0.076 。
(6).零件的材料是: 45号钢 。
(7).有尺寸公差要求的尺寸:有 2 个。
(8).零件右端螺杆的长度是: 86mm 。
(9).零件右端面的表面粗糙度代号中的Ra值是: 6.3μm 。
(10).零件的径向尺寸基准是:_轴心线_。

3.看懂泵体零件图,回答下列问题:
(1).该零件在四类典型零件中属于箱体类零件。
(2).零件底板上的凸台有 2个。
(3).零件底板上凸台的通孔尺寸为:Φ11 。
(4).零件右端的内螺纹尺寸为: 1/2 。
(5).零件的大部分表面用 去除材料 的方法获得。
(6).未注圆角的尺寸是: R2~3 。
(7).泵体的高度尺寸基准是: 底面。
(8).右端面的表面粗糙度代号中的Ra值是: 6.3 。
(9).左端孔φ43H8尺寸的上偏差是: +0.039 。
(10).左端孔φ43H8尺寸的下偏差是: 0 。
