作业
上一节
下一节
教材P65习题
2-11,2-13
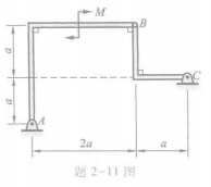
2-11 在图示结构中,各构件的自重略去不计。在构件AB上作用一力偶矩为M的力
偶,求支座A和C的约束力。

2-13 四连杆机构在图示位置平衡,
=0.4m,
=0.6m,作用在杆
上的力偶的力偶矩M1=100N·m,各杆的重量不计。求力偶矩M2的大小和杆AB所受的力。


