作业
上一节
下一节
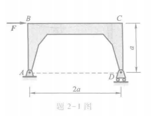
教材P85习题
2-1、2-4
2-1 图示刚架的点B作用一水平力F,刚架重量略去不计。求支座A,D处的约束力,
和。

2-4 物体重P=20kN,用绳子挂在支架的滑轮B上,绳子的另一端接在绞车D上,如图所示。转动绞车,物体便能升起。设滑轮的大小、杆AB与BC自重、及滑轮轴承处摩擦略去不计,A、B、C三处均为饺链连接。当物体处于平衡状态时,求杆AB与BC所受的力。


