作业
上一节
下一节
教材P67-68习题
2-19、2-24
2-19 在图示刚架中,已知q=3kN/m,F=kN,M=10kN·m,不计刚架白重。求固定端A处的约束力。

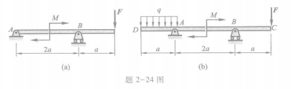
2-24 无重水平梁的支承和载荷如图所示。已知力F、力偶矩为M的力偶和强度为q
的均布截荷,求支座A和B处的约束力。

目录
教材P67-68习题
2-19、2-24
2-19 在图示刚架中,已知q=3kN/m,F=kN,M=10kN·m,不计刚架白重。求固定端A处的约束力。

2-24 无重水平梁的支承和载荷如图所示。已知力F、力偶矩为M的力偶和强度为q
的均布截荷,求支座A和B处的约束力。
