子任务二 绘制通风空调平面图
-
1 学习视频
-
2 学习素材
-
3 拓展知识
上一节
下一节
一、暖通空调设计规范
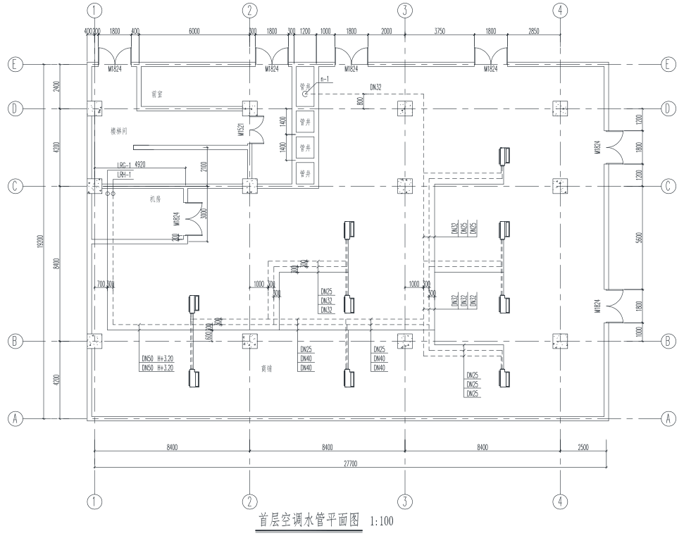
二、项目图纸
(1)风系统平面图

(2)水系统平面图



