电气控制与PLC技术

刘雁、任齐、弭洪涛、葛化敏、王泳龙、陈江燕、李霂、温晶晶、黄彦博

目录

  • 可编程控制器概述
    • ● 可编程控制器的概念与历史由来
      • ● 继电器工作原理视频
    • ● 可编程控制器的功能和特点
    • ● 可编程控制器的分类
    • ● 可编程控制器的应用领域
    • ● 可编程控制器的发展趋势
    • ● 世界主要PLC品牌及市场份额概况
    • ● 本章重点及主要学习目标
    • ● 第1章章节测验
  • 可编程控制器的硬件结构和工作原理
    • ● 可编程控制器的硬件结构
    • ● 可编程控制器的工作原理
    • ● 本章重点及主要学习目标
    • ● 第2章章节测验
  • 可编程控制器产品 S7-200简介
    • ● S7-200PLC的CPU模块
    • ● S7-200 PLC的扩展模块
    • ● S7-200PLC的扩展模块配置*
    • ● S7-200PLC的IO地址分配
    • ● 本章重点及主要学习目标
    • ● 第3章章节测验
  • 指令系统
    • ● S7-200编程基础知识
    • ● STEP7编程软件与仿真软件的使用
      • ● STEP7编程软件的使用
      • ● S7-200仿真软件的使用
    • ● 基本指令
      • ● 位逻辑指令
        • ● 标准触点指令与堆栈指令
        • ● 输出类指令与其他指令
        • ● 梯形图绘制与优化规则
      • ● 定时器指令和计数器指令
        • ● 定时器指令
          • ● 定时器指令的格式
          • ● 定时器的类型
          • ● 定时器应用范例
            • ● 定时器简单应用范例
            • ● 定时器实际应用范例
          • ● 定时器自复位的正确方式及定时器指令学习总结
          • ● 定时器指令课后拓展
        • ● 计数器指令
    • ● 功能指令
      • ● 功能指令概述
      • ● 数据处理指令
        • ● 比较指令与数据传送指令
        • ● 移位与循环移位指令
    • ● 本章重点及主要学习目标
    • ● 第4章章节测验
  • 数字量控制系统的梯形图程序设计方法
    • ● 经验设计法
    • ● 逻辑函数设计法
    • ● 继电器电气原理图转化法*
    • ● 顺序功能图设计法
      • ● 顺序功能图的介绍及绘制
        • ● 顺序功能图的组成
        • ● 顺序功能图的基本结构
        • ● 顺序功能图的设计规则
        • ● 顺序功能图的一般绘制步骤
      • ● 顺序控制梯形图的设计方法
        • ● 起保停结构设计法
        • ● 置位复位指令设计法
    • ● 本章重点及主要学习目标
  • 课外拓展
    • ● 本课程相关网站推荐
    • ● 本课程相关视频推荐
      • ● 西门子   新工程师大讲堂
        • ● 漫谈化工
        • ● PLC在智能楼宇中的应用
        • ● 自动化数字化在电力的应用-解密光电发热
        • ● 自动化数字化在轨道交通领域的应用
        • ● S210单轴伺服系统
        • ● 工业安全
        • ● 工业网络
        • ● 协作机器人介绍与智能智造的应用
        • ● 智能电机管理设备
        • ● 卓越物流守护您的购物车
    • ● 本课程相关书籍推荐
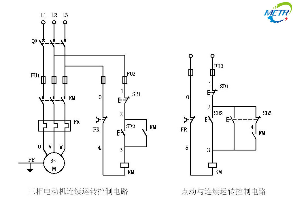
  • 三相异步电动机基本控制方法
    • ● 机床常用简单控制电路
    • ● 异步电动机正反转控制电路
    • ● 机床常用联锁控制电路
    • ● 三相异步电动机启动控制电路
    • ● 三相异步电动机电气制动控制电路
    • ● 电动机典型控制环节作业
机床常用简单控制电路