墙下钢筋混凝土条形基础
上一节
下一节

条形基础是承重墙基础的主要形式,墙下钢筋混凝土条形基础一般做成无肋式,但若地基土质不均匀,为了增强基础整体性,减小不均匀沉降,也可做成有肋式的条形基础。
构造要求
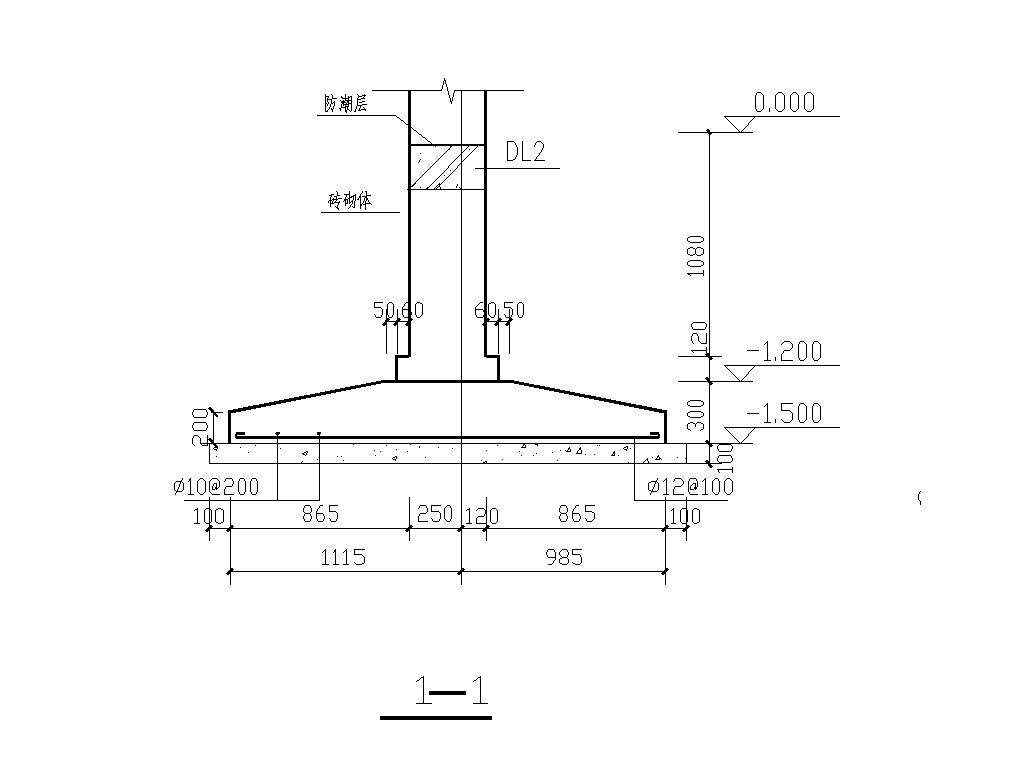
墙下钢筋混凝土条形基础的构造除应满足上述柱下钢筋混凝土独立基础的要求外,还应满足以下要求:
(1)墙下钢筋混凝土条形基础纵向分布钢筋的直径不应小于8mm;间距不应大于300mm;每延米分布钢筋的面积应不应小于受力钢筋面积的15%。
(2)当墙下钢筋混凝土条形基础的宽度大于或等于2.5m时,底板受力钢筋的长度可取宽度的0.9倍,并宜交错布置。
(3)钢筋混凝土条形基础底板在T形及十字形交接处,底板横向受力钢筋仅沿一个主要受力方向通长布置,另一方向的横向受力钢筋可布置到主要受力方向底板宽度1/4处。在拐角处底板横向受力钢筋应沿两个方向布置。

设计计算
墙下钢筋混凝土条形基础的截面设计主要包括基础高度和基础底板配筋。计算时,可不考虑基础及其上覆土的重力,仅由基础顶面的荷载所产生的地基净反力pj作用,并沿墙长度方向取1m作为计算单元。设计计算时应符合下列规定:
1)对墙下条形基础,应验算墙与基础交接处的基础受剪切承载力。
2)基础底板的配筋,应按抗弯计算确定。
3)当基础的混凝土强度等级小于柱的混凝土强度等级时,尚应验算柱下基础顶面的局部受压承载力。


