实验内容
上一节
下一节
1、数字系统中常用到脉冲发生电路和整形电路。
多谐振荡电路:能产生矩形波的自激振荡器。
单稳态触发器:整形电路,把非标准脉冲转换为幅值和脉宽均标准的脉冲信号。
施密特触发器:整形电路,把非脉冲信号和幅值不标准的脉冲信号转换为标准幅值的脉冲信号。
2、555定时器
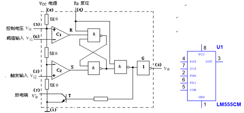
555定时器是一种模拟/数字混合的集成电路,主要在外部配上适当的阻容元件,就可以方便地构成脉冲产生和整形电路,用途非常广泛。它由三个5kΩ电阻分压器,两个电压比较器C1、C2,基本RS触发器,放电晶体管T以及缓冲器G组成。

(a)原理图 (b)电路符号
3、实验内容
(1)施密特触发器
按图连线,其输入端接入 >3.4V(幅值),1KHz的正弦波信号,用双踪示波器同时观察输入、输出波形,比较输入输出波形的对应关系。
(2)多谐振荡器
按图连线,用示波器同时观察输出端和电容上(2端)的电压波形,估算振荡频率f。

