一、电路原理介绍

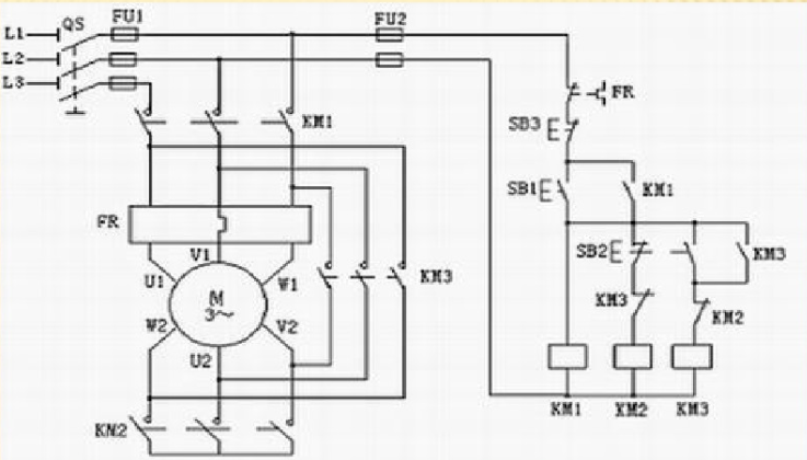
三相异步电动机的Y—Δ变换起动控制的连接线路如图所示,它主要有以下元器件组成:控三相异步电动机Y—Δ自动降压启动制线路a.起动按钮(SB2)。手动按钮开关,可控制电动机的起动运行。 b.停止按钮(SB1)。手动按钮开关,可控制电动机的停止运行。c.主交流接触器(KM1)。电动机主运行回路用接触器,起动时通过电动机起动电流,运行时通过正常运行的线电流。 d.Y形连接的交流接触器(KM3)。用于电动机起动时作Y形连接的交流接触器,起动时通过Y形连接降压起动的线电流,起动结束后停止工作。 e.Δ形连接的交流接触器(KM2)。用于电动机起动结束后恢复Δ形连接作正常运行的接触器,通过绕组正常运行的相电流。f.时间继电器(KT)。控制Y—Δ变换起动的起动过程时间(电机起动时间),即电动机从起动开始到额定转速及运行正常后所需的时间。g.热继电器(或电机保护器FR)。热继电器主要设置有三相电动机的过负荷保护;电机保护器主要设置有三相电动机的过负荷保护、断相保护、短路保护和平横保护等。②控制原理三相异步电动机Y—Δ转换启动的控制原理大致如下:i.按下启动按钮SB2后,电源通过热继电器FR的动断接点、停止按钮SB1的动断接点、Δ形连接交流接触器KM2常闭辅助触头,接通时间继电器KT的线圈使其动作并延时开始。此时时间继电器KT虽已动作,接点应断开,但其延时接点是瞬间闭合延时断开的(延时结束后断开),同时通过此KT延时接点去接通Y形连接的交流接触器KM3的线圈回路,则交流接触器KM3带电动作,其主触头去接通三相绕组,使电动机处于Y形连接的运行状态;KM3辅助常开触头闭合去接通主交流接触器KM1的线圈。ii.主交流接触器KM1带电启动后,其辅助触头进行自保持功能(自锁功能);而KM1的主触头闭合去接通三相交流电源,此时电动机启动过程开始。iii.当时间继电器KT延时断开接点(动断接点)KT的时间达到(或延时到)电动机启动过程结束时间后,时间继电器KT接点随即断开。 iv.时间继电器KT接点断开后,则交流接触器KM3失电。KM3主触头切断电动机绕组的Y形连接回路;同时接触器KM3的常闭辅助触头闭合,去接通Δ形连接交流接触器KM2的线圈电源。v.当交流接触器KM2动作后,其主触头闭合,使电动机正常运行于Δ形连接状态;而KM2的常闭辅助触头断开使时间继电器KT线圈失电,并对交流接触器KM3联锁。电动机处于正常运行状态。vi.启动过程结束后,电动机按Δ形连接正常运行。

