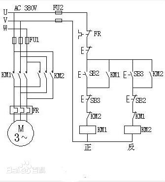
一、电路原理介绍

正向启动过程
按下起动按钮SB2,接触器KM1线圈通电,与SB2并联的KM1的辅助常开触点闭合,以保证KM1线圈持续通电,串联在电动机回路中的KM1的主触点持续闭合,电动机连续正向运转。
停止过程
按下停止按钮SB1,接触器KM1线圈断电,与SB2并联的KM1的辅助触点断开,以保证KM1线圈持续失电,串联在电动机回路中的KM1的主触点持续断开,切断电动机定子电源,电动机停转。
反向启动过程
按下起动按钮SB3,接触器KM2线圈通电,与SB3并联的KM2的辅助常开触点闭合,以保证KM2线圈持续通电,串联在电动机回路中的KM2的主触点持续闭合,电动机连续反向运转。
三相异步电动机的正反转控制
图中使用了2个分别用于正转和反转的电磁接触器KM1、KM2,对这个电动机进行电源电压相的调换。此时,如果正转用电磁接触器KM1,电源和电动机通过接触器KM1主触头,使L1相和U相、L2相和V相、L3相和W相对应连接,所以电动机正向转动。如果接触器KM2动作,电源和电动机通过KM2主触头,使L1相和W相、L2相和V相、L3相和U相分别对应连接,因为L1相和L3相交换,所以电动机反向转动。
三相异步电动机正反转控制的安全措施
电动机的正反转控制操作中,如果错误地使正转用电磁接触器和反转用电磁接触器同时动作,形成一个闭合电路后会怎么样呢?三相电源的L1相和L3相的线间电压,通过反转电磁接触器的主触头,形成了完全短路的状态,所以会有大的短路电流流过,烧坏电路。所以,为了防止两相电源短路事故,接触器KM1和KM2的主触头决不允许同时闭合。

