-
1 启智导入
-
2 映智画卷
-
3 传智课堂
-
4 铸造立德
-
5 固智温习
状态转移图的结构
实际应用中状态转移图的结构有单流程结构、选择性分支与汇合结构、并列式分支与汇合结构。
1.单流程结构
所谓单流程,是指状态转移只可能有一种顺序。上个任务介绍的LED数码显示电路就只有一种顺序:
S0→S20→S21→S22→S23→S24→S25→S26→S27→S28→S29→S0,没有其他可能,所以叫单流程。
单流程状态转移图的编程要点:
(1)状态编程的基本原则是:激活状态,先进行负载驱动,再进行状态转移,顺序不能颠倒。
(2)当使用STL指令将某个状态激活,该状态下的负载驱动和转移才有可能。若对应状态是关闭的,则负载驱动和状态转移不可能发生。
(3)除初始状态下,其他所有状态只有在其前一个状态被激活且转移条件满足时才能被激活,同时一旦下一个状态被激活,上一个状态自动关闭。因此,对于单流程状态转移图来说,同一时间,只有一个状态是处于激活状态的。
(4)若为顺序连续转移(即按状态继电器元件编号顺序向下),使用SET指令进行状态转移;若为顺序不连续转移,不能使用SET指令,应改用OUT指令进行状态转移。
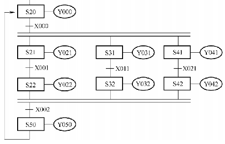
2.并列式分支与汇合结构
有时工艺流程要求多个流程同时启动,每个流程都是独立的,但其起始条件相同,这时可以采用并列式分支和汇合结构进行编程。如图所示。
S20为分支状态,只不过其分支不是选择性的,也就是说一旦状态S20的转移条件X0为ON,三个顺序流程同时执行,所以称之为并行分支。S50为汇合状态,等三个分支流程动作全部结束时,一旦X3为ON,S50就开启。若其中一个分支没有执行完,S50就不可能开启,所以又叫做排队汇合。


