机电传动与控制(2023春)

大连交通大学 张生芳

目录

  • 1 绪论
    • 1.1 机电传动及其控制发展
    • 1.2 机电一体化技术
  • 2 继电器接触器控制电路
    • 2.1 常用低压电器
    • 2.2 电器原理图的画法
    • 2.3 异步电动机的启动控制线路
    • 2.4 异步电动机的正反控制线路
    • 2.5 异步电动机的制动控制线路
    • 2.6 电液控制
    • 2.7 其他四种基本控制线路
  • 3 电气控制线路设计
    • 3.1 电气控制线路设计的一般原则
    • 3.2 电动机容量的选择
    • 3.3 电气元件的选择
    • 3.4 电气控制线路设计举例
  • 4 交直流电机无极调速控制
    • 4.1 电机调速的概念和指标
    • 4.2 直流电机调速
    • 4.3 交流电机调速
  • 5 可编程序控制器
    • 5.1 PLC的发展、特点、分类
    • 5.2 PLC基本组成和工作原理
    • 5.3 PLC编程元件及编程语言
    • 5.4 基本指令及编程方式
    • 5.5 扩展指令及编程方式
    • 5.6 编程指导
    • 5.7 基本电路编程举例
  • 6 可编程序控制器控制系统设计
    • 6.1 PLC控制系统设计概述
    • 6.2 经验设计法
    • 6.3 顺序控制系统状态表设计法
  • 7 安装与接线
    • 7.1 C系列P型PLC的安装与接线
基本电路编程举例
  • 1
  • 2 案例

重点:

通过基本电路的应用分析掌握PLC指令实际应用的方法与技巧

难点:

在基本电路分析中理解PLC控制电路与继电器控制电路设计的联系与区别

1起动、保持和停止电路 

2单脉冲电路 

3瞬时输入延时电路 

4延时接通/断开电路 

5定时器和计数器扩展 

(1)定时器扩展 

(2)计数器扩展 

6报警电路

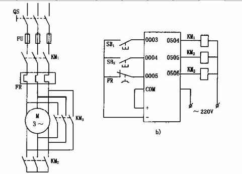
7三相异步电机Y-Δ起动控制

8移位寄存器的应用