任务三 基尔霍夫定律及其验证
-
1 知识要点
-
2 视频
上一节
下一节
基尔霍夫定律基本概念
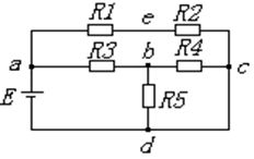
支路——由一个或几个元件首尾相连构成的一段无分支电路。 可以从三个方面来说明它:
(1)每个元件就是一条支路,如图中ab、bd;
(2)串联的元件我们视它为一条支路,如图中aec;
(3)流入等于流出的电流的支路;

节点——三条或三条以上支路的连接点。如图中a,b,c,d点;
回路——电路中任意一个闭合路径称为回路。如图中abda,bcdb ;
网孔——内部不含支路的回路。如图中abcea;

