【课前预习】

【想一想】
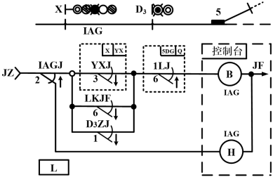
6502电气集中的控制台轨道区段是如何实现占用、出清显示的?

【教学目标】
1.了解6502电气集中表示灯电路的用途。
2.掌握进路按钮表示灯电路、排列表示灯电路、信号复示器点灯电路、轨道 光带表示灯的工作过程。
【知识要点】
6502电气集中各种表示等灯电路的工作过程。
【授课视频】
【教学目标】 掌握计算机联锁系统进行数据处理时的信息传输流程
【知识要点】 计算机联锁系统整体结构及各部分之间的联系
【教学方式】 实训操作
一、系统概况
全电子执行单元(以下简称执行单元)是一种新型的铁路车站自动控制设备,在保证安全的前提下,以最经济、合理的技术措施确保设备可靠、维修方便,提高运输效率,改善劳动条件,替代传统联锁系统中的继电器执行部分。
1. 系统组成
执行机与联锁机之间采用CAN 总线通信,也可采用以太网通信方式。机柜都采用标准机柜,其尺寸为600*800*2200(mm),系统结构框图如图所示。


2. 全电子执行单元
全电子执行机由不同类型的执行单元组成,全电子执行采用控制、监督、监测一体化和双CPU“二取二”工作模式,严格执行联锁机指令,把现场信息上传给联锁。
3. 型道岔模块
DC4/6X-I 型道岔模块可驱动ZD6 系列直流电动转辙机,具有过载和负载短路自动保护功能,省去了原电路熔丝,简化了电路。执行联锁机下发的控制命令,直接控制道岔的转动,并实时监测道岔的表示状态。


4. 信号机模块
XH-D 型信号模块是替代原电气集中进站、进路信号机、复示信号机和带调车信号的两方向的出站信号机的控制电路,并取消灯丝继电器。实时接收和执行由联锁机下发的控制命令,直接控制信号机的信号灯的点亮和熄灭,并实时监测信号灯的点亮和熄灭的工作状态,反馈给联锁机。一个XH-D 型信号模块可以控制8 个灯位,即可控制1 架列车信号机或4 架调车信号机。


5. 型切换模块
用于执行模块的温备切换。由于在采用切换方式时,备用模块并非和主用模块工作状态完全一样,备用模块的部分功能不工作,比如动作输出等。 
5. DEC 网络通信前置机模块
DEC 网络通信前置机模块作为全电子执行单元与联锁机的通信转换设备,与联锁机采用以太网网络接口方式,转换后采用CAN 通信方式与全电子执行单元通信。

【做一做】
以下是6502站内无岔区段光带表示等电路,试着分析一下在排列列车进路和引导进路时,各继电器的状态时怎么样的。

【广州地铁】
广州地铁(Guangzhou Metro)是指服务于中国广东省广州市和珠江三角洲的城市轨道交通系统,广州地铁是国际地铁联盟(CoMET)的成员之一 ,其第一条线路广州地铁1号线于1997年6月28日正式开通运营,使广州成为中国内地第四个、广东省首个开通地铁的城市。

截至2019年12月28日,广州地铁运营线路共14条,分别为1号线、2号线、3号线(含三北线)、4号线、5号线、6号线、7号线、8号线、9号线、13号线、14号线(含知识城线)、21号线、APM线和广佛地铁,共设车站271座,共有换乘站31座,运营里程513公里;运营里程居中国第三,世界第三 。

【中共党史-中共一大】
中国共产党第一次全国代表大会于1921年7月23日至31日在上海举行,会议在最后一天转移到浙江嘉兴南湖的游船上召开。大会确定党的名称为“中国共产党”,通过了中国共产党的第一个纲领,选举产生了党的第一个中央机关。一大召开标志着中国共产党正式成立,是中国历史上开天辟地的大事。
