外圆锥零件车削加工

圆锥柄
图样分析
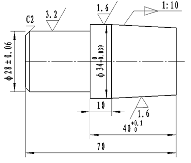
圆锥柄零件如图所示,圆锥柄的台阶轴尺寸分别为Φ340-0.039 和Φ28±0.06,尺寸精度较高,而且圆锥面一端的表面粗糙度Ra1.6,因此需要粗加工和精加工,总长度尺寸为70mm,保证自由公差,圆锥柄台阶长度尺寸460+0.10,加工时应注意台阶长度尺寸,台阶轴的一端为2×45º倒角。加工时应先加工台阶轴,然后加工外圆锥。
加工准备
机床:卧式车床CD6140A
刀具:90º、45º硬质合金车刀、高速钢光刀,刀柄25×25
夹具:三爪自定心卡盘
材料:45#钢 Φ40×75
工具:卡盘扳手、刀架扳手
量具:游标卡尺、游标深度卡尺、钢板尺、千分尺、1:10锥度套规
加工实施
1.安装车刀 按照车刀的安装方法正确安装车刀。
2.工件的安装 按照三爪卡盘定位装夹工件的方法,正确定位装夹工件。
3.调整切削用量 合理选取并计算调整切削用量。
4.车削加工步骤
(1)一端粗基准定位装夹 粗车Φ36精基准端,长度45mm。
(2)调头精基准定位装夹 车Φ28±0.06端面、车外圆柱面、长度至尺寸,加工倒角。
(3)调头加工好的Φ28±0.06一端定位装夹 车端面、车外圆柱面至尺寸,粗精加工外圆锥面。
车削圆锥柄零件工艺步骤
| 序号 | 工件加工面 | 工件定位、夹紧面 | 工件定位装夹 | 注意事项 |
| 1 | 粗车Φ36,长度45mm | Φ40毛坯面
| ![]() | 90º车刀粗车,留精加工余量。 |
| 2 | 粗车Φ28台阶面端,加工端面、外圆面,留1mm加工余量。 | Φ36圆柱面
| ![]() | 45º偏刀车粗车 |
| 3 | 精车Φ28台阶面,外圆、长度至尺寸,车削2×45°倒角 | ![]() | 90º偏刀精车 45º偏刀加工 | |
| 4 | 精车Φ340-0.039端面至长度尺寸70,精车Φ340-0.039至尺寸。
| Φ28±0.06已加工台阶轴 | ![]() |
90º偏刀、 光刀精车 |
|
5 | 粗车圆锥端,小托板转动圆锥半角2º51´44"
| ![]() | 90º偏刀、光刀精车 | |
|
6 | 精车圆锥端"
| ![]() | 光刀 |
孔类零件车削加工演示视频
加工工艺卡片
加工工艺卡片
| 工件名称:圆锥柄 | 图纸编号:图1-5-17 | |||||
| 毛坯材料:45#钢
| 毛坯尺寸:Φ40×75 | |||||
| 序号 | 内容 | 要求 | n (r/min) | f (mm/r) | ap (mm) | 工夹量具 |
| 1 | 安装车刀刀 | 90º、45º高速钢车刀正确安装。 | 刀架扳手 | |||
| 2 | 装夹工件 | 工件按工艺顺序正确定位装夹。 | 卡盘扳手 | |||
| 3 | 切削用量 | 查表选铣削用量 | vc=90-110 (m/min) | f=0.4-0.5 (mm/r) | ap
| |
| 4 | 粗车Φ36,长度45mm | 560 | 0.5 | 2 | 150mm游标卡尺、钢板尺 | |
| 5 | 粗车Φ28台阶面端,加工端面、外圆面,留1mm加工余量。 | 560 | 0.5 | 2 | 150mm游标卡尺、钢板尺 | |
| 6 | 精车Φ28台阶面,外圆、长度至尺寸,车削2×45°倒角 | 700 | 0.2~0.3 |
0.5 | 150mm游标卡尺、钢板尺 | |
| 7 | 精车Φ340-0.039端面至长度尺寸70,精车Φ340-0.039至尺寸。
| 700 | 0.2~0.3 | 2 | 千分尺 150mm游标卡尺 | |
| 8 | 粗车圆锥端,小托板转动圆锥半角2º51′44″
| 560 | 手动 | 2 | 150mm游标卡尺、锥度套规 | |
| 切削用量 | 查表选铣削用量 | vc=15-25 (m/min) | f=0.1-0.15 (mm/r) | ap
| ||
| 9 | 精车圆锥端(光刀) | 90 | 0.15 | 0.2 | 150mm游标卡尺、锥度套规 | |
| 10 | 清理整顿现场 | |||||
评分标准
| 班级: | 姓名: | 学号: | 零件:台阶面 | 工时: | |||
| 项目 | 检测项目 | 赋分 | 评分标准 | 量具 | 扣分 | 得分 | |
|
加工准备 | 工具、量具、刀具准备 | 5 | 准备不齐全不的分 | ||||
| 工件定位、装夹正确 | 5 | 定位装夹不正确不得分 | |||||
| 切削用量选择及调整 | 5 | 选择不合理不得分 | |||||
| 尺寸精度 | Φ28 ±0.06 | 10 | 每超0.02扣2分 | 游标卡尺 | |||
| Φ360-0.039 | 10 | 每超0.02扣2分 | 钢板尺 | ||||
| 400+0.1 | 10 | ||||||
| 10 | 5 | ||||||
| 70 | 5 | ||||||
| 锥度1:10 | 15 | ||||||
| 2×45º | 5 | 每超0.02扣2分 | 钢板尺 | ||||
| 表面粗糙度 | 表面Ra3.2 表面Ra1.6 | 5 | 表面没达到粗糙度要求不得分 | 表面粗糙度对比样块 | |||
| 量具使 用 | 正确使用量具 | 5 | 使用不规范不得分 | ||||
| 操作规 范 | 操作过程规范 | 5 | 不按安全操作规程操作不得分 | ||||
| 安全文 明 | 文明生产 | 5 | 着装、工作纪律 | ||||
| 安全操作 | 5 | 有安全问题不得分 | |||||
| 累 计 | |||||||







