技能操作----通孔车削加工
上一节
下一节

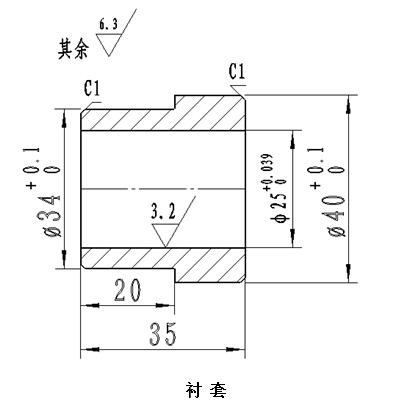
图样分析
衬套零件(图1-4-11)所示,衬套的外径尺寸分别为Φ340+0.10和Φ400+0.02,尺寸精度不高,而且表面粗糙度Ra6.3,长度尺寸分别为20mm、35mm,因此需要按照轴的加工工艺方法粗加工即可,通孔的尺寸Φ250+0.039表面粗糙度为Ra3.2,精度较高分粗精加工进行。台阶轴的两端分别为两个1×45º倒角。
加工准备
机床:卧式车床CD6140A
刀具:90º、45º硬质合金车刀、内孔车刀、中心钻、Φ22麻花钻头,车刀刀柄大小25×25
夹具:三爪自定心卡盘
材料:45#钢 Φ45×40
工具:卡盘扳手、刀架扳手
量具:游标卡尺、游标深度卡尺、钢板尺、内径千分尺、塞规
加工实施
1.安装车刀 按照车刀的安装方法正确安装车刀,安装中心钻、麻花钻。
2.工件的安装 按照三爪卡盘定位装夹工件的方法,正确定位装夹工件。
3.调整切削用量 合理选取并计算调整切削用量。
4.车削加工步骤
(1)一端粗基准定位装夹 车削精基准端至尺寸、倒角。
(2)调头精基准定位装夹 车削台阶轴,车端面、车外圆柱面、加工倒角。
(3)调头台阶轴定位装夹 钻中心孔、钻底孔、粗精车内孔。
衬套车削工艺步骤


加工工艺卡片


孔类零件车削加工演示视频

