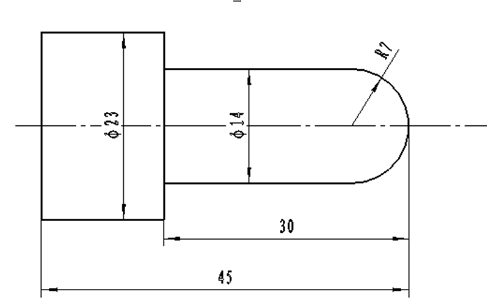
将下面零件图编出数控车床加工程序:
编程时工艺参数的选择:
粗车:主轴转速S=400~500r/min;进给速度F=30~40mm/min ;
吃刀深度=3~4mm。
精车:主轴转速S=500~600r/min;进给速度F=10~20mm/min ;
吃刀深度=0.5~1mm。
切断:主轴转速S=300r/min;进给速度F=10 mm/min。
刀具号:T1:外圆车刀;T2:切断刀。程序如下:

| G54G94G90 M03S400 T1 G00X27Z0 G01X0Z0F30 G00Z2 G01X23.5 G01Z-48 G00X25Z2 G01X20.5 G01Z-30 G00X22Z2 G01X17.5 G01Z-30 G00X19Z2 G01X14.5 G01Z-30 G00X16Z2
| G00X0Z2 G01X15Z-4 G00Z2 M03S500 G00X0Z0 G03X14Z-7CR=7F20 G01Z-30 G01X23 G01Z-48 G01X25 G00X50Z50 M06T2 M03S300 G00X25Z-48 G01X0F10 G00X50Z50 M05 M02
|
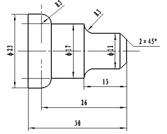
2.

| G54G94G90M03S500T1 G00 X27Z0 G01 X0Z0F30 G00 Z2 G01 X23.5 G01 Z-35 G00 X24Z2 G01 X19.5 G01 Z-23 G00 Z2 G01 X17.5 G01 Z-23 G00 Z2 G01 X14.5 G01 Z-10 G01 X17.5Z-13 G00 Z2 G01 X11.5 G01 Z-10
| G01 X17.5Z-13 G00 Z2 G01 X7Z0F20 G01 X11Z-2 G01 Z-10 G02 X17Z-13CR=3 G01 Z-23 G03 X23Z-26CR=3 G01 Z-35 G01 X24 G00 X50Z50 M06 T2 M03 S300 G00 X27Z-33 G01 X0F10 G00 X50Z50 M05 M02
|

