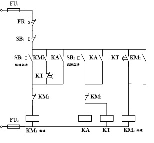
任务四 双速电机控制电路
-
1 微课视频
-
2 教学资料
-
3 学习资料
-
4 实训指导
-
5 章节测试
上一节
下一节


