★Scheduling Methods(进度安排方法)
A schedule can be used to manage, coordinate, control, and report. Depending on the user’s sophistication(熟练、老练程度), the schedule can take different forms. (a CPM schedule(关键路径法) that is network based provides the necessary detail to accomplish what the superintendent(主管、负责人) needs. This schedule is expensive to produce and requires a fairly high degree of technical competence, but it also provides the degree of information necessary to adequately control the project)
▶Bar Chart Schedules(条形图、甘特图)
The bar chart is graphically the simplest of the scheduling methods. Bar charts are excellent communicators of time-related project information. Most project people understand it, and it can be produced more quickly than any of the other methods.

▶Network Schedules(网络图)
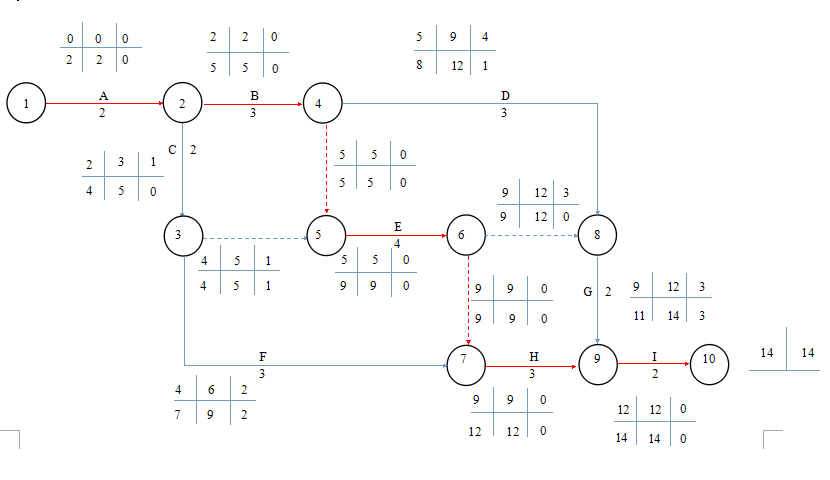
The workhorse(驮马,最吃苦耐劳的人) of the construction schedule is the network schedule, often called a critical path method (CPM关键路径法) schedule. It is best prepared by a team of people who have complete knowledge of all aspects of the project. A complete network schedule requires that all the work to be completed on the project be defined and organized. In network scheduling each item of work is called an activity. These activities are each given a duration (in hours, days, weeks, etc.)(持续时间), and they are connected by network diagrams. The completed network thus defines activity interrelationships and durations, considers available resources, and assumes how the project will be pursued(假设项目该如何进行). A network schedule can be viewed as a road map(路线图) that, if followed, will bring the project to its desired destination.


Network schedules can take two forms(两种形式):AOA (activity on arrow notation)(箭线图 ,双代号网络图) or AON(activity on node notation) (also called precedence notation节点图,单代号网络图). In activity on arrow notation, the work or activity is shown on the arrows, which are connected by nodes. In precedence notation, the work occurs on the nodes, which are connected by arrows.
时间管理参考资料
双代号网络图六时间参数细讲
https://v.youku.com/v_show/id_XMjYxNDM4ODA3Mg==.html
Conclusion
Clearly, the schedule is a powerful management and communication tool. Because of the increased complexity in construction techniques and materials as well as diverse labor issues and the pressures of budgets, scheduling has increasingly been the standard control method.
In a construction project, where time truly equals money, the management of time is critical, and the best way to manage time is through scheduling.
Schedules are created by first identifying the goal of the project and the activities that are needed to reach that goal. Activity detail should be adequate enough to organize and assign responsibility to specific project people. The logic of the project is next determined by identifying for each activity what work immediately precedes, succeeds, and runs concurrently. Once the duration of each activity is determined, the project’s duration can be calculated and the start and finish time for each activity defined. The critical path, or the longest path through the project, can also be determined.
The last step in the scheduling process involves monitoring the planned schedule as the project is built. As changes and delays occur, adjustments in the timing or sequence of activities can be made to complete the project on time.

