-
1 知识要点
-
2 重点剖析
-
3 在线测试
一、知识目标
1、螺纹的基本知识
2、螺纹的画法规定
3、螺纹的图样标注
4、常用螺纹紧固件的种类和标记
5、螺纹紧固件的连接画法
二、学习任务
<一>、螺纹的基本知识
1.螺纹的形成
螺纹——在圆柱或圆锥表面上,沿螺旋线所形成的具有规定牙型的连续凸起。
外螺纹——在圆柱或圆锥外表面上形成的螺纹。
内螺纹——在圆柱或圆锥内表面上形成的螺纹。

2.螺纹的结构要素
牙型、直径、线数、螺距和导程、旋向
3.螺纹分类
紧固螺纹、传动螺纹、管螺纹、专用螺纹
<二>、螺纹的画法规定
<三>、螺纹的图样标注
1.螺纹的标记规定


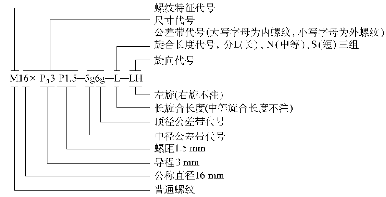
普通螺纹标记示例:

2.螺纹标记的图样标注
(1)公称直径以mm为单位的螺纹,其标记应直接注在大径的尺寸线上或其引出线上。

(2)管螺纹的标记注在引出线上,引出线由大径处或对称中心处引出。

3.螺纹长度的图样标注

4.普通螺纹、梯形螺纹和管螺纹尺寸参数

普通螺纹

梯形螺纹

管螺纹
<四>、常用螺纹紧固件的种类和标记

<五>、螺纹紧固件的连接画法

螺栓连接 螺柱连接 螺钉连接
1.螺栓连接

2.螺柱连接

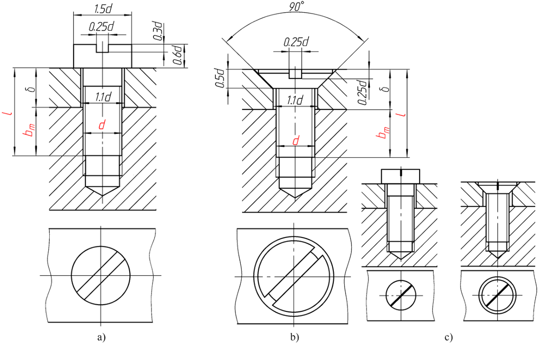
3.螺钉连接

连接螺钉

紧定螺钉


