项目训练
-
1 项目训练
-
2 测量工具与方法
上一节
下一节

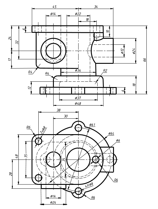
分析下图,构思机件的形状结构,重新选用恰当的表达方法,按1: 1 将下图所示机件画在A3 图纸上。
注意表达结构要清楚、完整、简洁,并标注尺寸。


1、形体分析,结构分析。
2、确定主视图
① 明确形体安放位置
② 明确投影方向:选择最能反映形体形状结构的方向。
3、确定视图的数量和表达方法,力求表达简便而清晰。
4、尺寸标注:注意标注的完整性和清晰性。
5、检查,完善。
参考模型:
















