辊压机粉磨系统
上一节
下一节
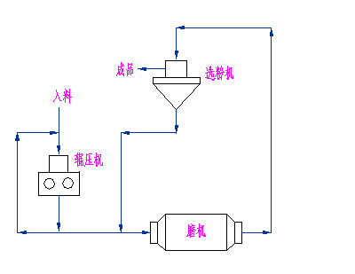
1. 预粉磨系统
流程简单,辊压机担负的粉磨任务小,辊压机的物料循环量不能超过新喂料量的lOO%,系统节能幅度约20%,磨机产量可以提高40%左右。

2. 混合粉磨系统

3.部分终粉磨系统

4 联台粉磨系统

5. 终粉磨系统

目录
1. 预粉磨系统
流程简单,辊压机担负的粉磨任务小,辊压机的物料循环量不能超过新喂料量的lOO%,系统节能幅度约20%,磨机产量可以提高40%左右。

2. 混合粉磨系统

3.部分终粉磨系统

4 联台粉磨系统

5. 终粉磨系统
