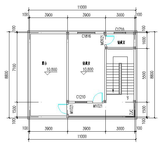
案例1:
图示建筑内,墙厚均为200,轴线均在中,挑檐外挑宽度为0.6m,计算其装饰线。条工程量。


案例解答:(25分钟)
L=11+0.24+0.6×2+8.8+0.24+0.6×2=22.68(m)
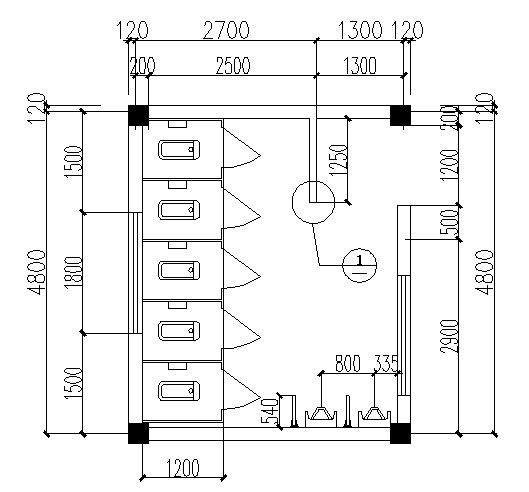
案例2:
某男厕如图所示,墙厚均为240,轴线居中,试计算其大、小便器成品复合隔板、卫生纸盒及挡墙铝合金装饰条工程量(大、
小便器成品复合隔板高分别是1800mm、1400mm)。

解:
1、卫生纸盒
N=6(个)
2、隔板
大便隔板S1=(4.8-0.24+1.2×4)×1.8=16.85(m2)
小便隔板S2 =0.54×1.4×2=1.51(m2)
隔板小计S=18.36 (m2)
3、装饰线条
L=1.8×2=3.9(m)
案例3:
某洗漱台平面图如下图所示,试计算其磨边及开洞工程量。(轴线居中)

解:
磨边长度L=0.6×2+1.5=2.7(m)
开洞个数n=2(个)
任务工作单
序号 | 项目名称 | 单位 | 数量 | 工程量计算式 |
1 | 磨边 | 10m | 0.27 | L=1.2+1.5 |
2 | 开洞 | 个 | 2 |
|
实战训练:
项目:※住宅楼(图纸见教材所附光盘)零星工程量计算。
实施步骤参照附录6:团队组织实战训练方案
任务书及评价表见下:
任务书
类别 | 选择 | 备注 |
任务类别 |
| 招标书,投标书 |
进度要求 |
| 编制完成的时间限制 |
采用模式 |
| 清单模式,定额模式 |
采用的定额和计算规则 |
| 定额的地域和版本号 |
计算范围 |
| 本次需要计算的范围 |
不计算的范围 |
| 不需要计算的范围 |
汇总形式 |
| 按分层汇总,按分部汇总 |
采用的规范 |
| 设计所采用的施工规范和图集,例如88J1等图集 |
评价(评价填写:“满意”或“有待提高”) (5分钟)
能 力 目 标 | 能 力 | 自我评价 | 小组成员评价 |
解决问题 的能力 | 正确识读施工图纸的能力 |
|
|
能正确运用计算规则的能力 |
|
|
根据不同施工图准确计算零星工程量的能力 |
|
|
发现问题和解决问题的能力 |
|
|
团队协作 的能力 | 计划与组织活动的能力 |
|
|
自我管理的能力 |
|
|
沟通、交流的能力 |
|
|
知识迁移 的能力 | 因不同零星项目解决问题的能力 | 能从施工的角度考虑零星项目的分项、计算范围 |
|
|
项目成果的迁移能力 | 对项目进行总结、分析 |
|
|