案例1:
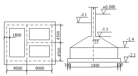
已基础平面图如图所示,墙厚为240,土为三类土,室外设计地坪标高-0.30m,
室内设计地坪±0.000,计算土方及基础的工程量。(砼垫层施工时不需支模板,一楼地面做
法100mm厚)

解:外墙中心线 L=(18+9)×2=54m
一、人工挖地槽
定额工程量:
(1.8+2×0.3+0.33×1.7)×1.7×(54+6.6
×2)+2×0.1×(54+2×7)=351.86m3
清单工程量:(1.8+0.2)×1.8×(54+7×2)
=244.8m³
二、砼垫层工程量计算
工程量:V=a×h×L
=2×0.1×(54+2×7)
=13.6m³
三、砼条形基础模板
工程量:V=(L—n×a)×h×2=(54+7.2*2—2
×1.8)×0.6×2=77.76㎡
四、砼条形基础
工程量:V=S×L=[1.8×0.6+(0.25+0.9)×0.3]
×(54+7.2×2)=97.47m³
五、砖墙基础
工程量:V=h×墙厚×L
=1.1×0.24×(54+8.76×2)=18.88m³
室外地坪以下砖墙基础工程量为:
0.8×0.24×(54+8.76×2)=13.73m³
六、回填土
基槽回填土:
定额工程量:
351.86—(13.6+97.47+13.73)
=227.06m³
清单工程量:
244.8—(13.6+97.47+13.73)=120m³
房心回填土工程量:
(外墙外围面积-墙、柱所占面积)×回填厚度[18.24×9.24-(54+8.76×2)×0.24]×0.2=
30.27m³
案例2:
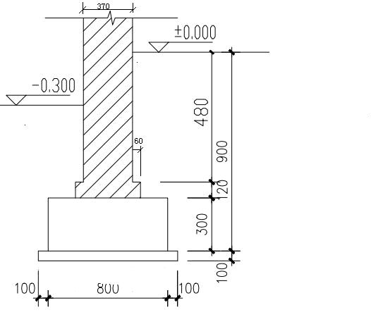
已知基础平面图如图所示,土为三类土,地面厚为130,计算土方及基础的工程量。(设计图示:外墙轴线居外墙外边120位置;内墙轴线居内墙中心线位置;外墙与内墙在同一轴线时按外墙设置轴线位置)


解:外墙中心线长:L=[15.5+0.24-0.365+7.1+0.24-0.365]×2=44.7m
①土方开挖量:
定额工程量:V定挖=S×L
=[(0.8+0.3×2)×0.6+1×0.1]×[44.7+(5.24-0.365-1.4)×4+3.74-0.365-1.4]=56.94 m³
清单工程量:V清挖=S×L=(1×0.7)×[44.7+(5.24-0.365-1)×4+3.74-0.365-1]=43.80m³
答:土方开挖量定额为56.94m³、清单为43.80m³
②垫层砼量为:
V=S×L=1×0.1×[44.7+(5.24-0.365-1)×4+3.74-0.365-1]= 6.26m³
答:垫层砼量为6.26m³
③模板量为:
S=﹙L-n×a﹚×h×2
= [44.7+﹙5.24-0.365-0.8﹚×4+(3.74-0.365-0.8)-5×0.8]×0.3×2
=35.75㎡
答:模板量为35.75㎡。
④砼条形基础量:
V=S×L=0.3×0.8×[44.7+﹙5.24-0.365-0.8﹚×4+3.74-0.365-0.8]= 15.26m³
答:砼条形基础量为15.26m³
⑤ 砖基础量:
±0.000以下:
V=S×L=﹙0.6×0.365+0.06×0.12×2﹚×[44.7+﹙5.24-0.365×2﹚×4+3.74-0.365×2]= 15.35m³
室外地坪以下:
V2=S×L=﹙0.3×0.365+0.06×0.12×2﹚×[44.7+﹙5.24-0.365×2﹚×4+3.74-0.365×2]= 8.15m³
答:砖基础量为15.35m³
⑥回填土量:
基础回填:
定额工程量:V=V定挖-V垫-V砼-V2=56.94-6.26-15.26-8.15=27.27m³
清单工程量:V=V清挖-V垫-V砼-V2=43.80-6.26-15.26-8.15=14.13m³
房心回填:﹛15.74×5.24+2.1×3.74-[44.7+(5.24-0.365) ×4+3.74-0.365]
×0.365﹜×﹙0.3-0.13﹚=11.16m³
定额为:V总=27.27+11.16=38.43m³
清单为:V总=14.13+11.16=25.29m³
答:回填土量定额为38.43m³、清单为25.29m³。
实战训练:
项目:※住宅楼(图纸见附教材光盘)人工平整场地工程量计算。
实施步骤参照附录6:团队组织实战训练方案
任务书及评价表见下:
任务书
类别 | 选择 | 备注 |
任务类别 |
| 计算土石方工程量 |
进度要求 |
| 编制完成的时间限制 |
放坡的选取 |
| 是否放坡 |
工作面宽 |
| 不同基础工作面宽度不同 |
计算规则 |
|
|
土石方回填计算规则 |
|
|
土石方运输计算方式 |
|
|
注意事项 |
| 当遇到机械挖土预留时怎么计算 |
评价(评价填写:“满意”或“有待提高”) (5分钟)
能 力 目 标 | 能 力 | 自我评价 | 小组成员评价 |
解决问题的能力 | 正确识读施工图纸的能力 |
|
|
能正确运用计算规则的能力 |
|
|
根据水文、地质、气候、当地人力条件准确选择挖基槽施工方案的能力 |
|
|
发现问题和解决问题的能力 |
|
|
团队协作的能力 | 计划与组织活动的能力 |
|
|
自我管理的能力 |
|
|
沟通、交流的能力 |
|
|
知识迁移的能力 | 因施工方案改变,解决问题的能力 | 能从施工的角度考虑条形基础的作用,适用范围。 |
|
|
项目成果的迁移能力 | 对项目进行总结、分析(将项目成果运用到新任务) |
|
|