任务一 加工凹件、凸件轮廓
-
1 项目描述
-
2 任务描述
-
3 工作任务单
-
4 教学视频
-
5 课程资源
-
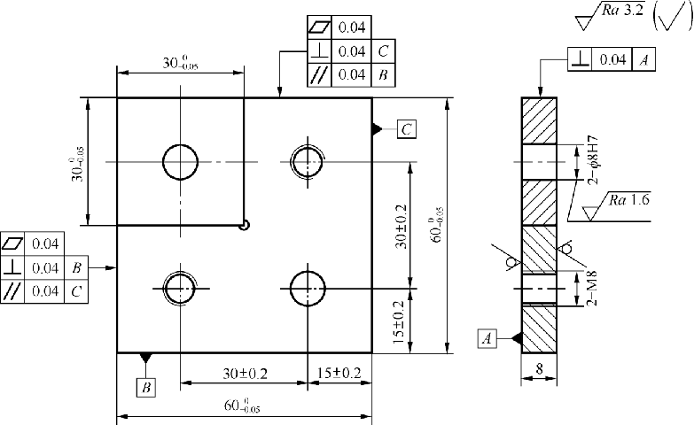
6 零件图纸
-
7 微课视频
-
8 课堂思政
上一节
下一节

本项目主要学习扩孔、铰孔、锉配以及锉配间隙的检测等钳工基本知识,熟悉铰刀的使用方法,练习并掌握板类零件锯割与锉削、定位孔的“钻-扩-铰”加工和零件锉配与清角等操作技能。
通过本项目的学习和训练,能够完成如图3-1所示的四方配合件。









