-
1 知识点
-
2 课件
-
3 课堂练习
-
4 课后巩固
-
5 单元测验
各种污水都是以液体为分散介质的分散系。按分散相粒度大小,可将污水分为:粗分散系(分散相粒度大于100nm),可使用沉淀和过滤方法去除;胶体分散系(分散相粒度为1~100nm);分子-离子分散系(真溶液,分散相粒度0.1~1nm)。
水中的胶体无法通过沉淀和过滤方法获得很好的去除效果,需要通过混凝、超滤甚至反渗透去除。混凝是通过化学絮凝改变颗粒的性状,再通过沉淀或上浮被收集去除的水处理技术;超滤和反渗透属于膜处理技术,会在第四章水中溶解性无机物的去除中详细予以详细说明,本章重点介绍混凝对胶体的去除原理和方式。
3.3.1混凝原理
混凝作为我国古代净水之一,历史上使用明矾(硫酸铝钾)净水的文字记载可以追溯到明朝崇祯年间宋应星所著《天工开物》,通过《调燮类编》等古籍可知早在宋朝就有利用明矾“去浊”的应用,而明矾的制作早在南北朝时期《雷公炮炙论》里即有记载(即白矾,药用)。
混凝的原理是通过向水中投加一些药剂(常称为混凝剂),使水中难以沉淀的细小颗粒及胶体颗粒脱稳并相互聚集成粗大的颗粒而沉淀,从而实现固液分离。同时混凝可以降低污水的色度、去除多种高分子有机物、某些重金属和放射性物质等优点,被广泛应用于工业废水处理和深度处理中。
混凝法与其他污水的处理方法相比,具有设备简单、维护操作易于掌握、处理效果好、运行方式灵活等优点,但也由于需要不断向水中投加试剂,运行费用较高,沉渣量较大、污泥脱水困难的缺点。
一、胶体的特征
1.胶体结构
胶体的结构很复杂,它是由胶核、吸附层和扩散层三部分组成,如图3-22所示。胶核是胶体粒子的核心,它由数百乃至数千个分散固体物质分子组成。胶核表面有一层离子称为电位离子,为维持电中性胶核从水中通过静电作用吸引电量与电位离子层总电量相等,电性相反的离子,这些离子称为反离子,形成反离子层。这样胶核固相的电位离子层和液相中的反离子层就构成了胶体离子的双电层结构。吸附层和扩散层交界面称为滑动面。
反离子中一部分被胶核牢固吸引并能够随胶核一起运动,称之为束缚反离子,束缚反离子和电位离子组成吸附层;另一部分距离胶核稍远,胶核对其吸引力较小,不随胶核一起运动,称之为自由反离子,自由反离子组成扩散层。最终胶粒和扩散层组合形成电中性的胶团。


图3-22 胶体粒子结构示意图
你能根据上述对于胶体粒子架构和结构示意图,完成下面关于胶体特性的填空吗?
2.胶体颗粒的稳定性与脱稳
胶体颗粒在水中能长期保持分散状态不下沉的特性称为胶体的稳定性,这也是胶体难以使用沉淀方法去除的原因。胶体颗粒在水中稳定的原因主要有三:1污水中的细小悬浮颗粒和胶体微粒质量很轻,这些颗粒在水中受水分子热运动的碰撞而作无规则布朗运动;2胶粒本身带电,同类胶粒之间存在静电排斥力,难以靠近彼此,不能结成较大颗粒下沉;3许多水分子被吸引在胶粒周围形成水化膜,阻止胶粒与带相反电荷的离子中和。
破坏胶体颗粒的稳定性称为胶体脱稳。胶粒带点是双电层结构产生的原因,所以通过减少胶粒带电量,降低ζ电位、压缩双电层厚度可以达到胶体脱稳的目的。
二、混凝机理
污水中投入某些混凝剂后,胶体因ζ电位降低或消除而脱稳。脱稳的颗粒便相互聚集为较大颗粒下沉,此过程称为凝聚,该类混凝剂称为凝聚剂。一些混凝剂可使未经脱稳的胶体也形成大的絮状物下沉,这种现象称为絮凝,此类混凝剂称为絮凝剂。不同的混凝剂能使胶体以不同的方式脱稳、凝聚或混凝。按照机理不同,混能机理可以分为压缩双电层、吸附电中和、吸附架桥、沉淀网捕四种。
1.压缩双电层
当向溶液中投加电解质类的混凝剂时,溶液中与胶体反离子相同电性的离子浓度增加,这些离子与扩散层原有反离子之间的静电斥力把原有自由反粒子挤压到吸附层中,从而降低了胶粒带电量,同时扩散层厚度降低,最终ζ电位降至一定值,分子间以吸引力为主,胶粒就能够互相聚合与凝聚。
2.吸附电中和
当向污水中投入的电解质能够在水中形成与胶粒带电相反的胶体时,由于异性电荷之间的强烈吸附作用,混凝剂形成的胶体中和了污水中原有胶粒所带电荷,降低了ζ电位,使胶体脱稳。
3.吸附架桥
吸附架桥作用主要指投加链状高分子聚合物作为混凝剂时,在静电引力、范德华力和氢键力等作用下,通过活性部位与胶粒和细微悬浮物等发生吸附桥联作用,形成胶粒-高分子~胶体絮凝体,链状高分子的作用类似于胶粒之间相互结合的桥梁。
对于高分子混凝剂,特别使有机高分子混凝剂,吸附架桥作用是主要混凝机理。
4.沉淀网捕
当采用三价铝或铁盐等混凝剂,且投加量很大的情况下,能够形成大量氢氧化物沉淀,这些沉淀物在自身沉降过程中,能网捕、卷扫水中的胶体和微粒等产生沉淀分离。沉淀网捕机理实质上是一种机械作用。此外,水中胶粒本身还可以称为这些氢氧化物沉淀物形成的核心
以上四种混凝机理在混凝过程中并不是单独存在的,而是交叉发挥作用的,只是根据投加的混凝剂种类、投加量和胶体种类不同,以某种机理为主。但是需要注意的是以压缩双电层、吸附电中和、吸附架桥为主导的情况下,混凝剂的投加量需要进行严格控制,避免出现“再稳”现象,影响混凝效果。
三、影响混凝效果的因素
影响混凝效果的因素较复杂,主要有废水的性质、药剂的种类和用量、水力条件三方面因素。
1.废水的性质
废水的水温、pH值和悬浮物含量都对混凝效果有影响。
(1)水温
水温对混凝效果影响很大,尤其是低温时混凝效果较差,尽管冬季混凝剂的投加量很大但也难以获得很好的混凝效果。低温对混凝的影响主要是会影响絮体的形成,絮体形成变缓、絮体粒径变小、松散,不利于沉降,具体如下:
a.水温影响无机盐的水解。由于无机盐类混凝剂的水解是吸热反应,水温低会使水解反应变慢。如硫酸铝的最佳反应温度使35~40℃,当水温低于5℃时,水解速度变缓;
b.低温时水的粘度大,布朗运动减弱,颗粒之间碰撞的机会会减少,不利于脱稳后的胶粒相互絮凝,同时水的剪切力增大,影响絮体的生长;
c.水温低时,由于胶体颗粒水化作用增强,妨碍了胶体凝聚;
d.水温低时,水的电离度下降,氢离子和氢氧根离子浓度均会减少,pH值相应提高,混凝最佳pH值也将提高。
改善低温水混凝效果的主要措施有:增加混凝剂投加量;投加助凝剂(如活化硅酸)或黏土以增加絮体的重量和强度,提高沉速;用气浮代替沉淀作为混凝的后续处理。
(2)pH值和碱度
pH值对混凝剂的水解速度、产物的存在形态与性能有重要影响。如硫酸铝混凝剂的最佳混凝pH范围为5.7~7.8,若高于8.2,硫酸铝水解后成成的氢氧化铝胶体就会溶解;三价铁混凝剂的最佳混凝pH范围为6.0~8.4;亚铁盐混凝剂则要求pH值大于9.5;使用铝盐和铁盐混凝剂时还要求水中含有一定的碱度,用以中和混凝剂在水解过程中产生的H+,应投加适量石灰或碳酸钠,以调节pH值。
pH值主要影响电解质类混凝剂,对高分子特别时有机高分子混凝剂影响较小。
(3)水中共存杂质
水中颗粒含量过低往往不利于混凝,通过人工投加黏土或高分子助凝剂有助于提高混凝效果。但黏土颗粒的粒径大小、级配、组成、带电性能和吸附性能均不相同,因此就算两种黏土溶液的浊度相同,其辅助混凝的能力也不同。颗粒粒径越小、粒径分布越均匀越不利于混凝。
如果水中有机物含量较高,会吸附于胶体上使胶体具有很高的稳定性,向水中投加Cl2氧化有机物可以消除有机物对胶体的保护作用。
此外,如果水中含有电解质,也能影响混凝效果,如含Ca2+、Mg2+对压缩双电层有利。
(4)混凝剂的种类、投加量和投加顺序
混凝剂的种类、投加量对混凝效果影响很大,投加量过高还会导致胶体再稳。所以,应充分考虑水中杂质的成分、性质和浓度,通过混凝试验确定混凝剂的种类和投加量。对于成分较为复杂的工业废水还会使用多种混凝剂,混凝剂的投加顺序也尤为重要,也应通过混凝试验确定。
一般投加量的参考范围为普通的铁盐、铝盐:10~30mg/L;聚合盐为普通盐的1/2~1/3;有机高分子絮凝剂为1~5mg/L。
(5)水力条件(搅拌)
搅拌的目的使为了帮助混合、凝聚和絮凝反应,过于激烈的搅拌会打碎已经凝聚和絮凝的絮状物,反而不利于混凝沉淀,因此水力条件应适当,一般通过控制搅拌强度(速度梯度G)和时间进行水力条件的控制。
在混合阶段搅拌的目的使使药剂快速均匀地分散于水中,这个过程进行很快,需要较高的强度,因此混合阶段的搅拌的速度梯度一般在700~1000s-1范围内,搅拌时间10~30s,最多不超过2min。絮凝阶段搅拌的目的是促进颗粒碰撞凝聚,速度梯度G控制在20~70s-1之内,时间一般为15~30min。搅拌条件的确定同样需要进行烧杯试验。
3.3.2混凝剂与助凝剂
一、混凝剂
混凝剂具有破坏胶体稳定性和促进胶体絮凝的功能。其品种很多,按其化学成分可分为无机混凝剂和有机混凝剂两大类,如表3-2所示,本节仅介绍其中常用的混凝剂。
1.无机混凝剂
目前广泛使用的无机混凝剂是铝盐混凝剂和铁盐混凝剂。铝盐主要有硫酸铝[Al3(SO4)3·18H2O]、十二水硫酸铝钾明矾[KAl(SO4)2·12H2O]、铝酸铵(Na3AlO3)、三氯化铝(AlCl3)及聚合氯化铝[Al2(OH)nCl6-n]m。常用的铁盐有硫酸亚铁(FeSO4·7H2O)、硫酸铁[Fe2(SO4)3]、三氯化铁(FeCl3·6H2O)及聚合硫酸铁[Fe2(OH)n(SO4)3-n/2]m。
(1)硫酸铝
一般使用固态硫酸铝,其具有无毒、价格便宜、使用方便的优点,混凝效果较好,处理后的水没有颜色,可以脱除浊度、色度和悬浮物,但缺点是絮体较轻。适用水温25~40℃,pH范围5.7~7.8。此外硫酸铝在水中的水解或配合反应能够形成多种形态的聚合物及Al(OH)3,各种组分的含量和形态取决于pH值。
(2)聚合氯化铝(PAC)
聚合氯化铝也称为碱式氯化铝或羟基氯化铝,是一种无机高分子混凝剂,也是多价电解质(可看作AlCL3水解、聚合逐步转化为Al(OH)3沉淀物过程中的各种中间产物组成),能显著降低水中黏土类杂质的胶体电荷。由于相对分子量大,吸附能力强,具有优良的凝聚能力,形成的矾花(絮体)大,凝聚沉淀性能由于硫酸铝。
PAC混凝剂处理污水时有如下特点:a.对污染严重或低浊度、高浊度、高色度的原水都可达到较好的混凝效果;b.温度适应性好,pH适用范围宽,可在5~9范围内使用;c.矾花形成快,颗粒大而重,沉淀性能好,投药量一般比硫酸铝低;d.碱度比其他铝盐铁盐高,因此对设备的侵蚀作用小,且处理后水的pH值和碱度下降较小。


(3)硫酸亚铁
硫酸亚铁作为混凝剂形成的絮体较重,形成快且稳定,沉降时间短,能同时去除臭味和一定色度。适用于碱度高、浊度大的污水。污水中若有硫化物有,也可通过生成难溶的硫化亚铁去除。但硫酸亚铁腐蚀性较强,污水色度高时,不能完全去除。
(4)三氯化铁
三氯化铁是一种常用的混凝剂,它形成的絮体易沉淀,处理低温水或低浊水效果较铝盐好,适宜pH范围是6~8.4。缺点是腐蚀性强,易吸水潮解,处理后的水色度比铝盐处理后的高。
(5)聚合硫酸铁(PFS)
它和聚合氯化铝一样都是具有一定碱度的无机高分子聚合物,且作用机理也类似。PFS适宜的水温为10~50℃,pH范围5.0~8.5,但在4~11均可使用。与普通铁盐相比具有投加量小,絮体生成快,对水质适应范围广及水解消耗水中碱度少等优点。
2.有机混凝剂
目前使用较为广泛的有机混凝剂主要是人工合成的有机高分子絮凝剂,其分子结构一般为链状,相对分子质量都很高(103~106数量级)。絮凝能力很强,用量少,絮体粗大强韧,常与铁盐铝盐配合使用。
聚丙烯酰胺(PAM)是目前最常使用的一种有机高分子混凝剂,在处理污水时具有混凝速度快、用量少、絮体粗大强韧等优点。在与其他混凝剂配合使用时,投加顺序对混凝效果有较大的影响。一般情况下,当原水浊度低时宜先投加其他混凝剂,后投加PAM(相隔半分钟为宜),这么做能使杂质先行脱稳,为大分子的吸附架桥作用创造有利条件;当原水浊度较高时,宜先投加PAM,后投加其他混凝剂,让PAM先充分与高浊度水中发挥作用,吸附一部分浊度,再由其他混凝剂对剩余胶体进行脱稳,由PAM吸附,这样可以降低其他混凝剂的投加量。
但PAM是由丙烯酰胺聚合而成,其中含有少量未聚合的丙烯酰胺单体,这种单体是有毒的,故产品中的单体残留量应进行严格控制。
低分子电解质一般以双电层作用产生凝聚为主;高分子聚合物则以吸附架桥联结产生絮凝为主,因此也把低分子电解质称为凝聚剂,高分子聚合物称为絮凝剂。
二、助凝剂
在污水的混凝处理中,有时需要投加辅助药剂以提高混凝效果,这种辅助药剂称为助凝剂。助凝剂的作用时提高絮凝体的强度,增加其重量,促进沉降,且使污泥有良好的脱水性能;或者用于调整pH值;消除干扰物质对混凝的影响。按其功能将助凝剂分为三类:
1.pH调整剂
常使用CaO、Ca(OH)2、Na2CO3、NaHCO3等碱性物质进行pH的调节,以达到混凝剂的最佳使用范围。
2.絮体结构改良剂
常使用聚丙烯酰胺、活性硅酸、活性炭、黏土等,用以改善絮体的结构,增加其粒径、密度和强度。
3.氧化剂
常用Cl2、NaClO、O3等氧化性物质去除水中有机物,避免其干扰混凝过程。
3.3.3混凝工艺过程及设备
混凝过程是由一系列单元串连起来组成的,每个单元设有相应的设备,整个混凝工艺包括混凝剂的配制与投加、混合及絮凝反应、固液分离四个阶段,如图3-23所示。

图3-23 混凝-沉淀工艺流程
图中混凝-沉淀工艺即使用沉淀作为固液分离的手段,也可采用气浮替代,即混凝-气浮工艺,这在介绍气浮工艺时也已提及。
一、混凝剂的配制与投加
混凝剂的投配方法分干投法和湿投法两种,干投法就是直接将固体混凝剂破碎成粉末后定量加入污水中,此法投量控制困难、对机械设备要求高、劳动条件差。我国多使用湿投法,所谓湿投法就是将块状或者粒状混凝剂溶解成浓溶液(溶液池),然后通过耐腐蚀泵或射流器将浓溶液送进溶液池稀释成所需要的浓度,再投入污水中的方法。当采用液体混凝剂时可不设溶液池。湿投法系统包括药剂溶解、配制、计量和投加几个部分。
1.混凝剂溶液的配制
根据药剂的投加量大小、混凝剂的品种,可采用水力、机械或压缩空气等搅拌方式进行溶液的配制,较常使用的是机械搅拌。
水力搅拌采用压力水对药剂进行冲溶和淋溶,适用于小水量和易溶解的药剂。其优点是节省机电等设备,缺点是效率较低、溶药不够充分。而机械搅拌和压缩空气搅拌适用于各种药剂的配制,但压缩空气搅拌不能长时间用于石灰乳液的连续搅拌。
无机盐类混凝剂的溶解池、溶液池、搅拌装置和管配件等都应考虑防腐蚀措施或使用防腐蚀材料,尤其在使用氯化铁时必须采用。
2.混凝剂溶液的投加
混凝剂的投加有两种方式,重力投加和压力投加。
(1)重力投加
采用水泵进行混合时,药剂加在泵前吸水管或吸水井处,一般采用重力投加,即泵前重力投加,如图3-24(a)所示。当采用混合设备或管道混合时,在可以提高溶液池位置的前提下也可以使用重力投加,如图3-24(b)所示。

图3-24 混凝剂的重力投加示意图
(2)压力投加
压力投加又根据投加所用设备不同分为泵投加和射流器投加。泵投加采用耐酸泵配以转子或电磁流量计,也可直接使用计量泵将药液送至投药点投加,该法较为常用;射流器投加利用高压水通过喷嘴和喉管时产生的负压吸入药液,同时随水的余压注入原水进水管中,完成投药。
压力投加具有设备简单、使用方便、不受溶液池高程限制等优点,但其效率较低,需要额外设置射流器压力水系统。
混凝剂投加时要求计量准确,且能够随时调节。计量方法多种多样,常用的计量设备有浮杯计量设备、孔口计量设备及转子计量设备,其中转子流量计是计量设备中应用最多的一种,也可直接用计量泵投加。
二、混合
混合的作用是将药剂迅速均匀扩散到污水中,达到充分混合,以确保混凝剂的水解与聚合,形成细小的矾花,为后续反应提供具备良好絮凝能力的颗粒。混合阶段需要短暂而充分的搅拌,混合时间在10~30s之内,一般不超过2min。混合的方式有两种:管路混合和池内机械搅拌混合。
(1)管路混合
管路混合是指借助水泵的吸水管或压力管进行混凝剂与污水的混合。
当泵站与混凝反应设备距离很近时,将药液投加于泵的吸水管(泵前),进而通过水泵叶轮高速旋转达到快速而剧烈的混合目的,这样做的优点时混凝效果好,设备简单,投资省,不消耗额外动力,但缺点是当吸水管多时,安装管理麻烦,对水泵叶片有腐蚀作用,空气的吸入对水泵有损害。
当泵站于反应池较远时,可将药液投入离反应池前一定距离(不小于50倍管径)的进水管中(泵后)进行压力管混合,混凝剂于污水在管道内混合,这样做的优点时混凝效果较好,设备简单、不占地,压力损失小,但缺点时当流量减小时,管内可能发生混凝反应,造成管道堵塞。
(2)在混合设备中混合
使用专用的混合设备进行混凝剂与污水的混合,有机械搅拌和水力搅拌两种方式。机械搅拌使用电动机带动浆板或螺旋桨进行搅拌混合,其结构入图3-25所示。浆板外缘线速度一般为2m/s左右,混合时间10~30s。其优点时机械搅拌强度可以调节,比较机动,混合效果好。但缺点是增加了机械设备,相应需要增加维修保养工作和动力消耗。机械混合池适用于各种规模水厂。

图3-25 机械搅拌混合示意图
水力混合是通过水流搅拌作用达到药剂与污水的混合。水力混合有多种形式,常见的有隔板混合池、穿孔板式混合池、涡流混合池等。水力混合池的主要优点是混合效果好,能够适应流量变化,操作简单,广泛应用于大中型水处理厂中,但缺点是占地面积大,某些进水方式会裹挟大量气体,对后续处理带来不利影响。
三、反应
污水与药剂混合后即进入反应池进行混凝反应。反应阶段需要确保混合阶段形成的细小矾花能够继续形成大的、具有良好沉淀性能的絮凝体,以使其在沉淀区内下沉,达到固液分离的目的。反应区需要保证颗粒获得适当的碰撞,但已形成的絮体不会被破碎的水力条件。絮凝池的类型很多,按输入能量不同分为水力絮凝池和机械絮凝池两种。水力絮凝池常用的有隔板絮凝和折板絮凝池。
1.隔板絮凝池
隔板絮凝池根据水流的流动方式又可以分为平流式、回转式和竖流式。
平流式隔板絮凝池是应用最早且较普遍的一种,隔板的设置采用来回往复的形式,如图3-26(a)所示,通过隔板设置达到流速递减的目的(常通过隔板距离的增加实现)。
水流在隔板间往复容易在转折处消耗较大能量,虽然它也提供了较多的颗粒碰撞机会,但也会打碎矾花。为减少能量损失和絮体破坏,把180都的急剧转折改为90°的转折,即回转式隔板絮凝池,其结构如图3-26(b)所示,这种絮凝池一般从中心进水,逐渐回转流向外侧,回转式隔板絮凝池的絮凝效果好,除了新建,也适用于提高原有絮凝池提升处理量的改造。
竖流式隔板絮凝池与平流式类似,区别是水流方向为由下而上地经过隔板,有利于减小反应池占地面积,其结构如图3-26(c)所示。


图3-26 隔板絮凝池的形式
2.折板絮凝池
这般絮凝池是在隔板絮凝池基础上改造发展起来的。从20世纪70年代应用以来取得了成功经验,成为目前应用较为普遍的形式之一。这种折板絮凝池的总絮凝时间由以往的20~30min(隔板絮凝池)缩减至15min左右,絮凝效果良好。折板絮凝池的布置方式按照水流方向可分为竖流式和平流式两种,目前采用竖流式较多,根据折板相对位置的不同又可分为异波和同波两种形式,如图3-27所示。

图3-27 折板絮凝池的形式
异波折板是将折板交错布置,使水流在通过收缩段时流速增加,通过扩张段时流速降低,从而产生絮凝反应所需要的湍动;同波折板絮凝池是将折板平行布置,水的流速不变,利用水通过转交处产生湍动产生絮凝所需要的水力条件。
3.机械搅拌絮凝池
机械搅拌絮凝池借助叶轮的运动带动液体完成絮凝。叶片可以旋转运动,也可以上下往复运动。目前多数使用旋转运动的方式。反应池用隔板分成2~4格,每格装一搅拌叶轮。水力停留时间一般采用15~30min,叶轮半径中点线速度由进水格的0.5~0.6m/s逐步降低至出水格的0.1~0.2m/s。
四、沉淀
经过混凝的污水最后要进入沉淀池使生成的絮凝体与水分离,最终达到净化的目的。
3.3.4澄清池
上述絮凝处理过程是分段完成的,絮凝和沉淀通过不同的构筑物完成,而将絮凝与沉淀整合在一个构筑物内完成的处理技术,即澄清,进行澄清处理的设备称为澄清池。澄清池主要用于给水处理,也可用于污水处理,去除水中的胶体颗粒,特别是无机胶体颗粒。
澄清池利用接触絮凝原理,在池中保留一定含量的絮体,成为泥渣层,当失稳杂质随水流与泥渣层接触时,便被阻留,使水得到澄清。澄清池的形式很多,按水与泥渣的接触情况,分为循环泥渣型和悬浮泥渣(泥渣过滤)型。
循环泥渣型利用机械或水力作用,使部分沉淀泥渣回流以形成泥渣层,增加和水中杂质的接触碰撞、吸附机会,提高混凝效果,机械搅拌澄清池和水力搅拌澄清池属于此种类型。悬浮泥渣型是使上升水流的流速等于絮状颗粒在静水中靠重力沉降的速度,这就使得絮状颗粒悬浮在水中,当集结到一定厚度,就构成了悬浮泥渣层,脉冲澄清池和悬浮澄清池属于此种类型。
下面主要介绍常用的机械加速澄清池和脉冲澄清池。
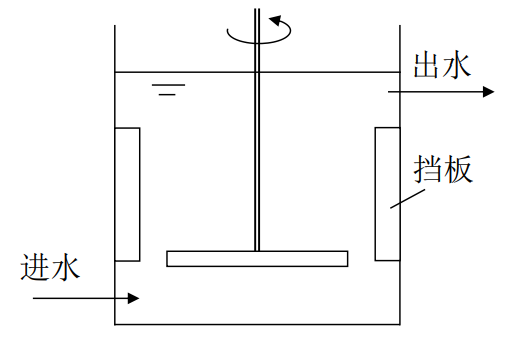
一、机械加速澄清池
机械加速澄清池多为圆形钢筋混凝土结构,小型的也有钢板结构。主要结构包括第一反应室、第二反应室、导流室和泥渣浓缩室,如图3-28所示。
图3-28 机械加速澄清池结构示意图
你能根据上述关于机械加速澄清池的介绍和结构示意图,完成下面关于其工作方式的填空吗?
机械加速澄清池处理效率高、运行稳定、对原水浊度、温度和处理水量的变化适应性强。在有机械刮泥设备的条件下可以处理浊度为500~3000度(瞬时不超过5000度)的污水,如无机械刮泥设备可处理浊度低于500度(瞬时不超过1000度)的污水。其单位面积产水量大,适用于大中型水厂,但其机械设备的日常管理和维护量较大。
二、脉冲澄清池
脉冲澄清池主要包括脉冲配水系统、布水和紊流板、悬浮区、泥渣浓缩区、分离区组成,如图3-29所示。
图3-29 脉冲澄清池结构示意图
其工作方式为利用脉冲发生器,将进水通过脉冲的方式输入池底配水系统,在配水管的孔口处以高速喷出,并激烈地碰撞在孔口上方的人字形稳流板上,使原水与混凝剂在配水管和稳流板之间的狭窄空间中,以极短的时间进行充分的混合和初步絮凝,形成微絮粒。然后通过稳流板的缝隙整流后,缓慢垂直上升,在上升过程中,絮粒进一步絮凝,逐渐变大变种趋于下沉,但因上升水流作用被托住,逐步积累形成悬浮泥渣层,发挥接触絮凝作用。同时由于配水脉冲,悬浮泥渣层有规律的上下浮动,时疏时密,有利于絮凝颗粒的继续碰撞和进一步接触絮凝,同时也使悬浮泥渣层分布趋于均匀。当水流继续上升至泥渣层顶部后,因断面面积突然增大,水流速度变缓,过剩的泥渣就没有办法保持悬浮而落下,多余的泥渣进入悬浮层周围的污泥浓缩室被收集排出池外,澄清的水通过上部的集水系统流出。
脉冲澄清池的特点是澄清效率高,它具有快速混合、缓慢充分絮凝、大阻力配水系统配水均匀、池体利用充分等优点,池型可以因地制宜地布置成圆形、方形和矩形。适用于各种规模的水厂,适宜处理浊度长期小于3000度的废水。但是它对水量、水温适应能力较差,当选用真空脉冲方式配水时需要一套真空设备,其对操作管理要求较高,当选用虹吸方式进行脉冲时水头损失较大,且脉冲周期难以控制。


