目录

  • 1 项目1 熟悉单片机操作环境
    • 1.1 任务1-1 keil C51软件的使用
      • 1.1.1 任务 一个LED发光二极管的闪烁控制
      • 1.1.2 举一反三
  • 2 项目2 学习单片机硬件系统
    • 2.1 任务2-1 单片机控制蜂鸣器发生
    • 2.2 认识单片机
    • 2.3 2.1 8051的信号引脚
    • 2.4 2.2 单片机最小系统电路
      • 2.4.1 2.2.1 单片机时钟电路
        • 2.4.1.1 2.2.2 单片机复位电路
    • 2.5 2.3 51单片机的存储器结构
      • 2.5.1 2.3.1 片内数据存储器
      • 2.5.2 2.3.2片外数据存储器
    • 2.6 2.4单片机并行IO端口
      • 2.6.1 2.4.1 并行IO端口电路结构
        • 2.6.1.1 2.4.2 作为输入端口使用
        • 2.6.1.2 2.4.3 作为输出端口使用
        • 2.6.1.3 2.4.4 IO端口的第二功能
  • 3 项目4 显示和键盘端口技术应用
    • 3.1 任务4-1 8路抢答器设计
    • 3.2 4.1认识LED数码管
    • 3.3 4.2数组的概念
      • 3.3.1 任务4-2 小型LED数码管字符显示屏控制
      • 3.3.2 4.3LED点阵式电子广告牌控制
      • 3.3.3 4.4LED大屏幕显示器及接口
      • 3.3.4 任务4-4 字符型LED液晶屏显示广告牌控制
      • 3.3.5 4.5字符型LED液晶显示广告牌控制
      • 3.3.6 任务4-5 密码锁设计
      • 3.3.7 4.6 单片机与矩阵键盘接口
  • 4 项目5 定时与中断系统设计
    • 4.1 定时与中断系统设计
    • 4.2 任务5-1 简易表设计
    • 4.3 5.1定时/计数器
      • 4.3.1 5.1.1定时器/计数器的结构
      • 4.3.2 5.1.2定时器/计数器的工作方式
      • 4.3.3 5.1.2-2定时器/计数器的工作方式初值设置及区别
    • 4.4 5.2中断系统
      • 4.4.1 5.2.1什么是中断
      • 4.4.2 5.2.2 51单片机中断系统的结构
      • 4.4.3 5.2.3中断有关的寄存器
      • 4.4.4 5.2.4中断处理过程
    • 4.5 任务5-2 模拟交通灯控制系统设计
  • 5 项目6 串行通信技术应用
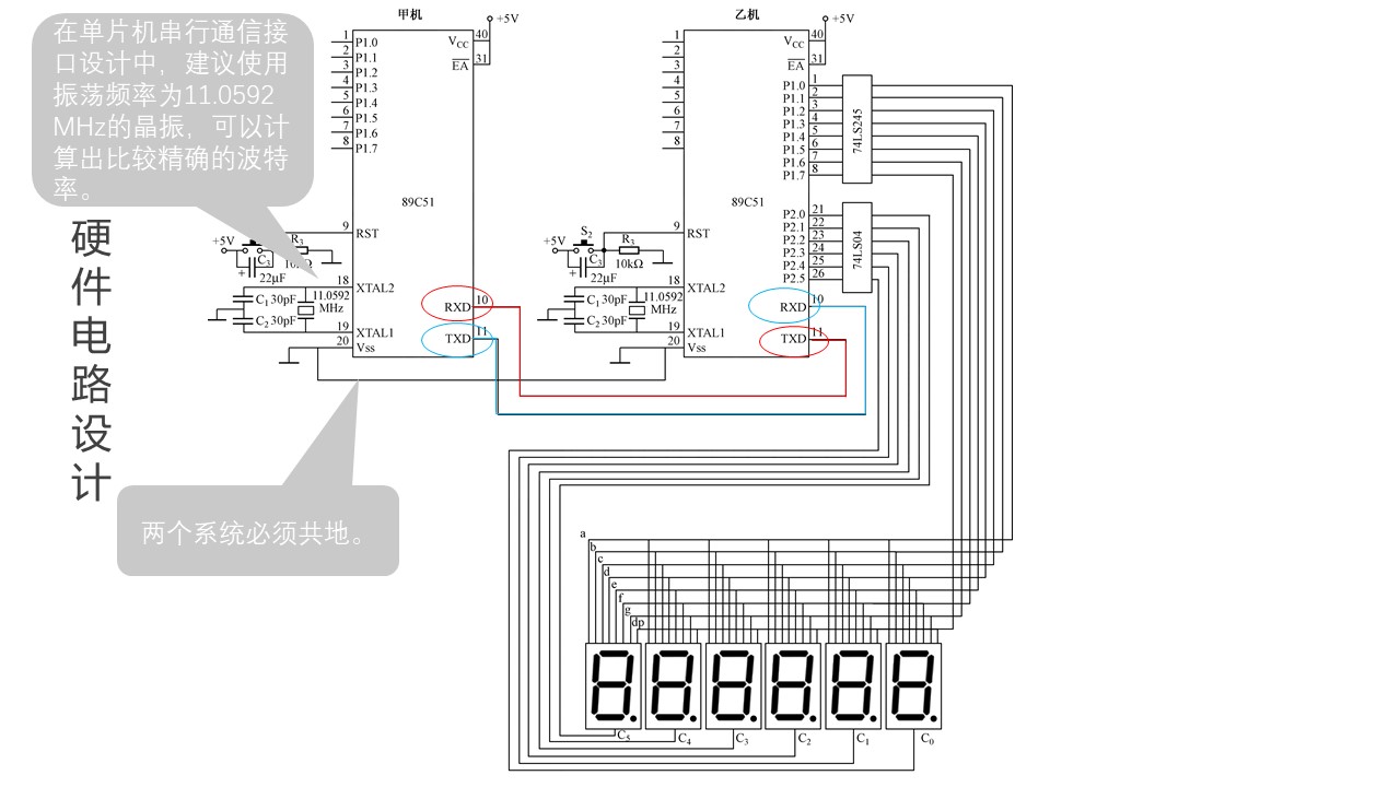
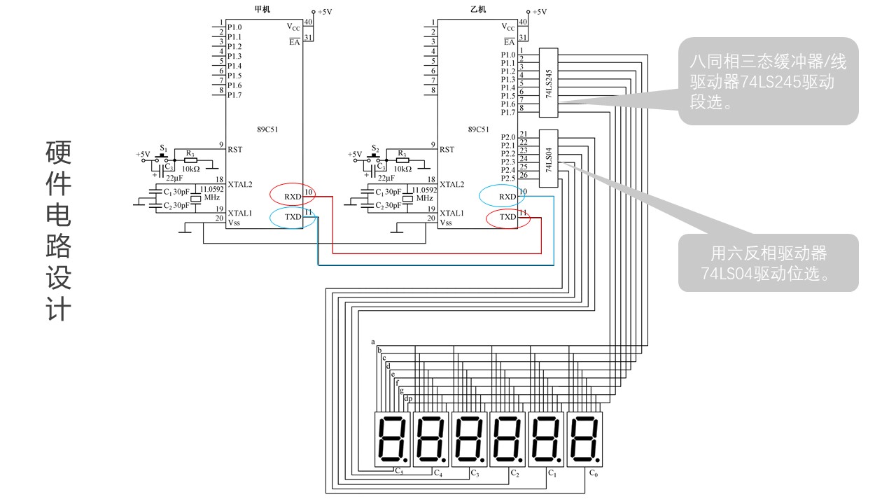
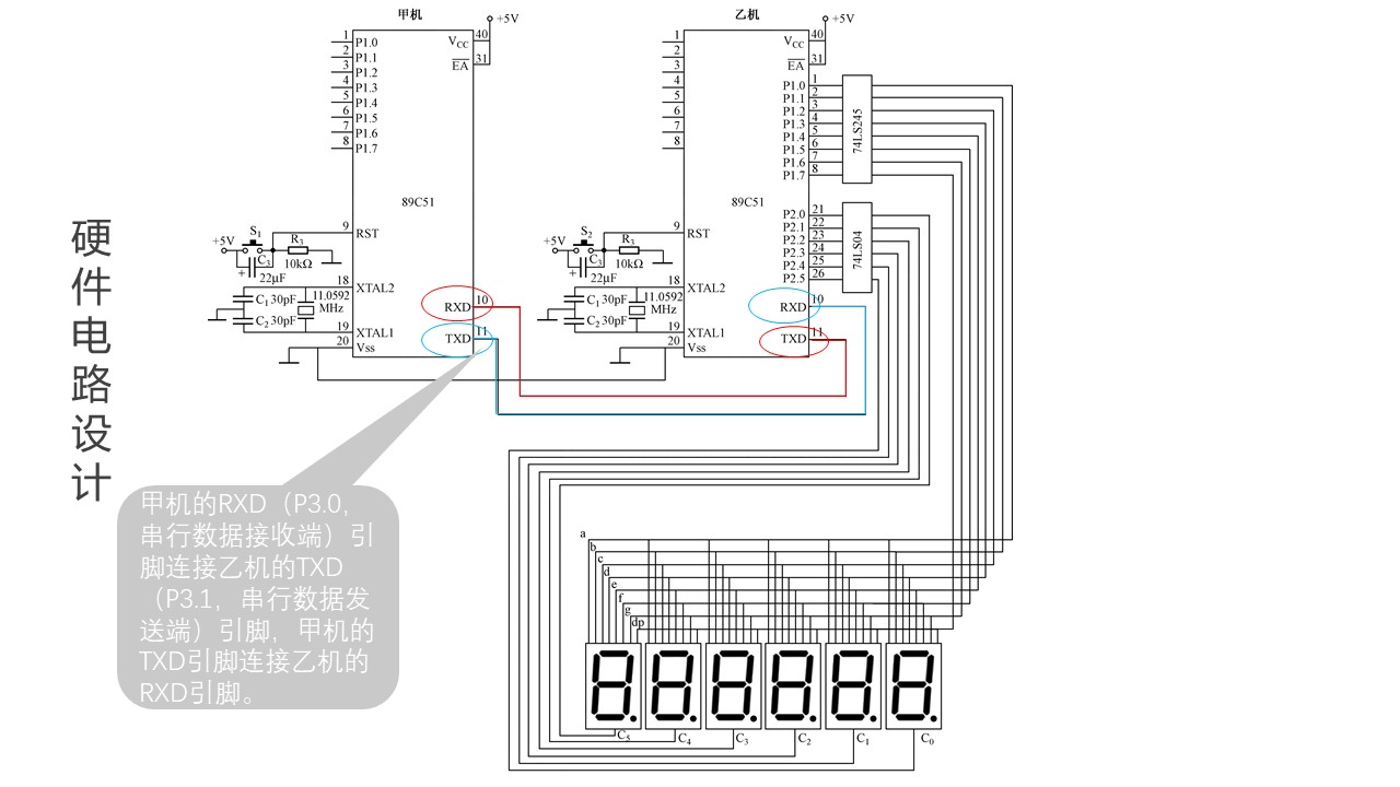
    • 5.1 任务6-1 银行动态密码获取系统设计
    • 5.2 6.1 串行通信基础
    • 5.3 6.2 51单片机的串行接口
    • 5.4 6.3 51单片机串行口工作过程
    • 5.5 任务6-2 移动中断数据上传系统设计
    • 5.6 6.4串行通信
    • 5.7 6.5 串行口控制数码管显示系统设计
任务6-1 银行动态密码获取系统设计