目录

  • 1 实习简介
    • 1.1 简介
    • 1.2 安全重于泰山
    • 1.3 职业素养
    • 1.4 讨论区
  • 2 熟悉面板、录入练习
    • 2.1 认识数控车床
    • 2.2 开关机操作
    • 2.3 操作面板
  • 3 对刀操作
    • 3.1 知识讲解
    • 3.2 加工练习
  • 4 G00、G01指令加工练习
    • 4.1 知识讲解
    • 4.2 练习图
  • 5 G90外圆切削循环练习
    • 5.1 知识讲解
    • 5.2 练习图
  • 6 G71外圆粗车循环
    • 6.1 指令
    • 6.2 任务----陀螺加工
  • 7 G70精车练习
    • 7.1 G70指令讲解
    • 7.2 任务
  • 8 G02、G03圆弧切削练习
    • 8.1 知识讲解
    • 8.2 练习
  • 9 G01切槽练习
    • 9.1 知识讲解
    • 9.2 练习图
  • 10 螺纹加工G92指令
    • 10.1 知识讲解
    • 10.2 练习图
  • 11 综合练习
    • 11.1 练习
  • 12 综合练习习题集
    • 12.1 中级工练习一
    • 12.2 练习
    • 12.3 练习
  • 13 知识链接--加工中心仿真软件对刀过程
    • 13.1 加工对刀视频--斯沃仿真软件
  • 14 学测
    • 14.1 数车学测题目
    • 14.2 新建目录
新建目录
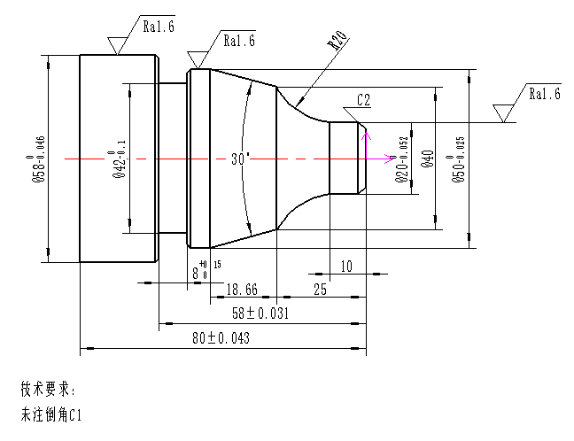
  • 1 图纸
  • 2 加工工艺