目录

  • 1 中望机械绘图软件基础操作
    • 1.1 中望CAD机械版工作界面介绍
    • 1.2 中望3D基础操作
      • 1.2.1 中望3D界面认识
      • 1.2.2 中望3D环境设置
      • 1.2.3 中望3D基本操作
    • 1.3 拓展阅读
  • 2 二维绘图
    • 2.1 中望CAD图层设置
    • 2.2 基本绘图命令
    • 2.3 直线命令练习
    • 2.4 圆弧链接命令练习
    • 2.5 尺寸标注
    • 2.6 轴类零件绘制
  • 3 3D基本建模命令
    • 3.1 体素特征建模
      • 3.1.1 圆柱体素特征
        • 3.1.1.1 圆柱体素特征1
        • 3.1.1.2 圆柱体素特征2
      • 3.1.2 圆锥体素特征(拓展)
      • 3.1.3 圆球体素特征
      • 3.1.4 六面体体素特征
    • 3.2 外螺纹特征
    • 3.3 拉伸特征
      • 3.3.1 拉伸特征1
      • 3.3.2 拉伸特征2
      • 3.3.3 拉伸特征3-八角扳手
    • 3.4 孔特征
      • 3.4.1 简单孔
      • 3.4.2 沉孔
      • 3.4.3 台阶孔
      • 3.4.4 螺纹孔
      • 3.4.5 圆形阵列
      • 3.4.6 线性阵列
    • 3.5 旋转特征
      • 3.5.1 旋转特征1
      • 3.5.2 旋转特征2
      • 3.5.3 螺母建模-旋转特征
    • 3.6 拔模特征
      • 3.6.1 拔模特征1
      • 3.6.2 拔模特征2
    • 3.7 筋特征-支架
    • 3.8 抽壳特征(拓展)
    • 3.9 扫掠特征
      • 3.9.1 扫掠特征-把手
      • 3.9.2 扫掠特征-弹簧
      • 3.9.3 扫掠特征-连接块
      • 3.9.4 法兰弯管-杆状扫掠
      • 3.9.5 扫掠特征-空间弯管(拓展)
    • 3.10 放样特征
      • 3.10.1 放样特征1
      • 3.10.2 放样特征2
  • 4 标准件建模
    • 4.1 齿轮轴建模
    • 4.2 滑动齿条建模-旋转+拉伸特征
  • 5 零件综合建模
    • 5.1 壳体-孔综合建模
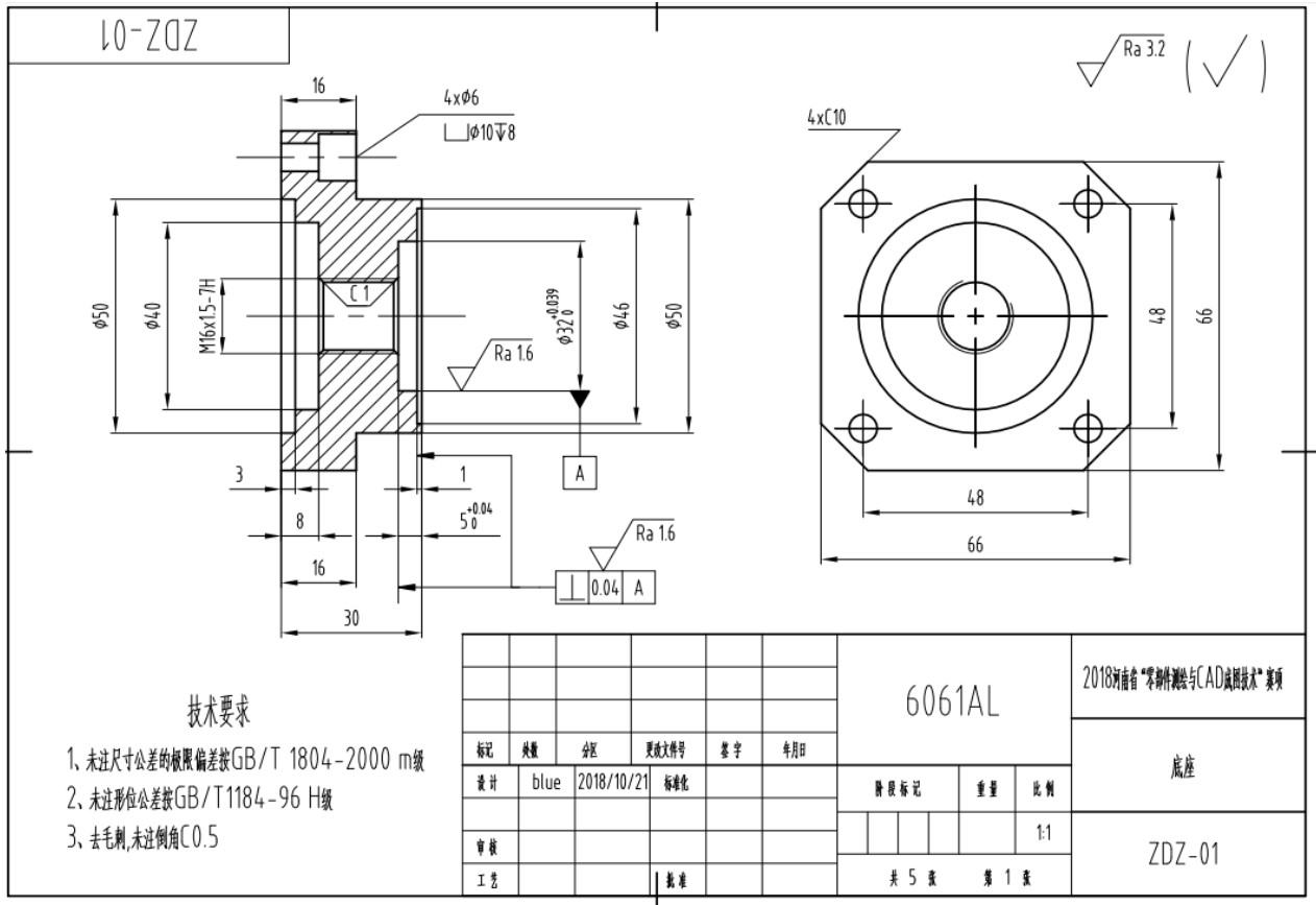
    • 5.2 底座(体素、孔及渲染中级)
    • 5.3 轴承座(中级样题)
    • 5.4 球阀零件建模
      • 5.4.1 垫片等建模
      • 5.4.2 球芯建模
      • 5.4.3 螺纹压环建模
      • 5.4.4 阀杆建模
      • 5.4.5 阀体接头建模
      • 5.4.6 阀体建模
    • 5.5 扳手建模
    • 5.6 节流阀阀体
  • 6 工程图样制作
    • 6.1 视图创建
      • 6.1.1 基本视图、向视图及轴测图创建
      • 6.1.2 全剖、半剖视图创建
      • 6.1.3 阶梯剖视图创建
      • 6.1.4 旋转剖视图创建
      • 6.1.5 局部剖视图创建
      • 6.1.6 局部视图、局部放大图创建
      • 6.1.7 斜视图创建
      • 6.1.8 断裂视图创建
    • 6.2 视图二次编辑(中望3D转中望CAD)
  • 7 曲面建模(拓展)
    • 7.1 等距弹簧建模
    • 7.2 天圆地方建模
    • 7.3 凹模零件建模
  • 8 装配体设计
    • 8.1 锥顶座装配
    • 8.2 滑动轴承(中级样题)
    • 8.3 球阀装配
  • 9 数控加工编程
    • 9.1 CAM-钻孔
    • 9.2 CAM-二维铣削
  • 10 运动仿真(拓展)
    • 10.1 连杆机构运动仿真
    • 10.2 齿轮机构运动仿真
  • 11 竞赛试题(拓展)
    • 11.1 CATICS竞赛
  • 12 附录
    • 12.1 中望机械产品三维模型设计(1+X)试题
      • 12.1.1 初级考证样题1
      • 12.1.2 初级考证样题2
      • 12.1.3 初级考证样题3
      • 12.1.4 中级考证样题1
      • 12.1.5 中级考证样题2
      • 12.1.6 中级考证样题3
      • 12.1.7 中级考证样题4
      • 12.1.8 中级考证样题5
      • 12.1.9 中级考证样题6-2024
      • 12.1.10 中级考证样题7-2024
      • 12.1.11 中级考证样题8-2024
      • 12.1.12 高级考证样题1
    • 12.2 历年CAD考证试题
      • 12.2.1 2007年
      • 12.2.2 2008年
      • 12.2.3 2009年
      • 12.2.4 2011年
      • 12.2.5 2012年
      • 12.2.6 2013年
      • 12.2.7 2014年
      • 12.2.8 2015年
      • 12.2.9 2016年
      • 12.2.10 2018年
    • 12.3 网络学习平台
    • 12.4 软件下载
底座(体素、孔及渲染中级)
  • 1 图纸
  • 2 建模思路
  • 3 建模步骤
  • 4 操作视频