干涉配合铆接的工艺过程
上一节
下一节
干涉配合铆接的典型工艺过程如图所示。下面将分别进行介绍各个工艺过程。

一、夹紧和确定孔位
干涉配合铆接的夹紧和确定孔位除了与普通铆接的相同之处外,还另外要求以下几点:
(1)普通铆钉、冠头铆钉干涉配合铆接的定位销间距,在曲面上不大于150mm,在平面上不大于200mm;
(2)无头铆钉、冠头铆钉干涉配合铆接的边距不得小于2倍铆钉直径,间距不得小于4倍铆钉直径;
(3)无头铆钉干涉配合铆接时必须先用铆钉定位。孔位可按产品图样编制程序,由机床自行完成。
一、制孔
1 孔的技术要求
孔的技术要求。


2 孔的加工方法
孔的加工方法。

三、锪窝
1.锪窝的技术要求
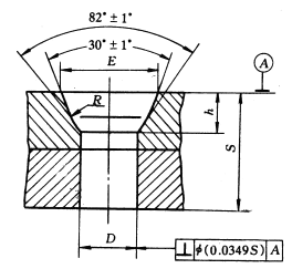
1)冠头铆钉的沉头窝角度应与铆钉头角度一致。沉头窝的深度应与钉头的高度一致,允许浅0.1mm,其形状和尺寸如图和表所示。


2)普通铆钉、无头铆钉沉头窝为双面角窝如图所示,尺寸见表。


3) 窝的圆度应在其直径极限偏差内。
4) 窝表面不允许有棱角、划伤、破边及裂纹。
5) 零件表面由窝锪钻套造成的压痕、凹陷和轻微的机械损伤是允许的,但其深度应小于材料包覆层,数量不大于铆钉排内窝数的3%。
2.锪窝的工艺方法
锪普通铆钉沉镦头窝和冠头铆钉沉头窝时,一般应使用可调锪窝限动器。冠头铆钉沉头窝应使用整体锪钻(即导销和刀刃为一体)制窝。

