厂用电切换装置
上一节
下一节
【视频】
【引入】

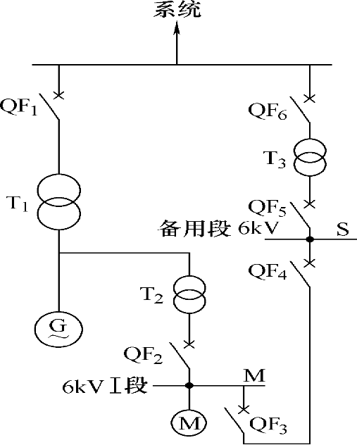
【思考】对于大型发电机组,能否直接利用备用电源自动投入装置进行切换?
【思考导出】对于大型发电机组,6kVI段母线上一般有较多的高压大容量发电机,这些电动机在断电后残压衰减较慢,如果在残压较高而备用电源自动投入装置又不检同期时合闸,则容易产生很大的冲击电流,对电动机造成严重的冲击,甚至损坏;同时很大的冲击电流可能使备用变压器T3的保护动作,使厂用电切换失败,如果等到残压衰减到较低值后,备用电源投入装置在动作,断电时间过长,致使厂用机械不能正常工作。因此,一般的备用电源自动投入装置,难以满足高压厂用电源的切换。
★为提高厂用电切换的成功率,保证厂用电的可靠运行,在正常情况下,厂用电应采用同期切换。
【知识点】
一、厂用电快速切换
二、厂用电捕捉同期切换
三、厂用电残压切换
四、失压起动切换
【测试】

