【任务内容】
完成图1-10的键制作

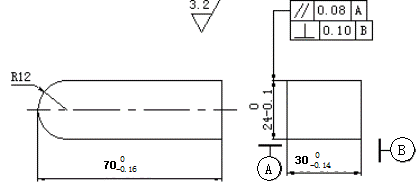
图1-10
【任务技能工艺要求】
(1)正确识图;
(2)正确选择材料;
(3)正确选择和使用工、器具及检测仪器;
(4)按给定图纸要求进行键制作,划线正确,工艺符合要求,操作过程遵守安全规程,文明生产。
技术要求:1)毛坯尺寸:51×21×17(各面机加工);
2)锐边倒钝。
【任务所需材料、设备、工具】
(1)材料、设备表
| 序号 | 名 称 | 型号 规格 | 单位 | 数量 | 备注 |
| 1 | 台虎钳 | 125~150 | 台 | 1 |
|
| 2 | 工作台 | 1300´1000 | 台 | 1 |
|
| 3 | 毛坯件 | 45# 51´21´17 | 千克 | 0.5 |
|
| 4 | 方箱 | 200´200 | 个 | 1 |
|
| 5 | 划线平台 | 600´1000 | 个 | 1 |
|
| 6 | 砂轮机 | 300 | 台 | 1 |
|
| 7 | 涂料 | 紫色、白粉笔 |
|
|
|
备注:划线平台、钻床、砂轮机、钳台及附件配套齐全,布局合理。
(2)工具准备:平台划线工具、塞尺、直角尺、游标尺(0.02)、外径百分尺(0~25)、刀口平尺(125)、高度划线尺(300)、半径规(7~14.5)、中纹平板锉、细纹平板锉、油光锉等。
(3)准备工作:
1)每个工位至少保证2平方米的面积,每个工位有固定工作台,右上角贴有工号,现场采光要好,工作面不少于100平方米,不足部分采用局部照明补充;
2)现场应干净整洁,无环境干扰,空气新鲜;操作前由教师检查现场各工位准备的材料、工、器具、仪器是否齐全,所贴工号是否有遗漏。
【任务技能评分标准】
考核实行百分制,成绩达60分(含) 以上者为合格,考核时间为60分钟,在规定时间内未完成者不得分,视为不合格。其余技能评分标准如下表所示;
| 考核要素 | 考核要求 | 配分 | 评分标准 | 扣分 | 得分 | 备注 |
| 序号 | 名称 |
| (1) | 识 图 | 看懂图纸,正确解释文字、符号意义,正确划出加工界线 | 10 | 1)错误解释文字、符号意义,每个扣1分 2)划线错误每处扣1分 |
|
|
|
| (2) | 选择材料 | 正确选择材料 | 10 | 1)材质不符合要求扣5分 2)几何尺寸不当扣5分 |
|
|
|
| (3) | 选用量具、仪器 | 按给定考件正确选择和使用检测量具、仪器 | 10 | 1)错误选择检测量具、仪器,每项扣2分 2)使用方法不正确扣2分 |
|
|
|
| (4) | 选用工、器具 | 正确选择和使用工、器具,操作姿势规范 | 10 | 1)工、器具选择不正确扣5分 2)工、器具使用方法不正确,操作姿势不规范均扣3分 |
|
|
|
| (5) | 安全与文明生产 | 执行国家有关部委、行业及本企业电工安全规程、试行规范、条例,遵守职业道德 | 10 | 1)违反规程操作每项扣1分 2)操作现场不整洁扣2分 3)不听指挥或误操作,发生严重设备和人身事故取消考试资格 |
|
|
|
| (6) | 锉削工艺操作 | 按给定图纸和工件正确操作,质量符合标准和图纸要求,按时完成 | 50 | 1)外形尺寸每超差0.1毫米扣10分 2)形位公差每超过0.08毫米扣10分 3)粗糙度每降一级扣10分 |
|
|
|
| 合 计 | 100 |
|
|
|
|