3.5 Design Considerations in Sheet-Metal Forming
※ Punch and Die
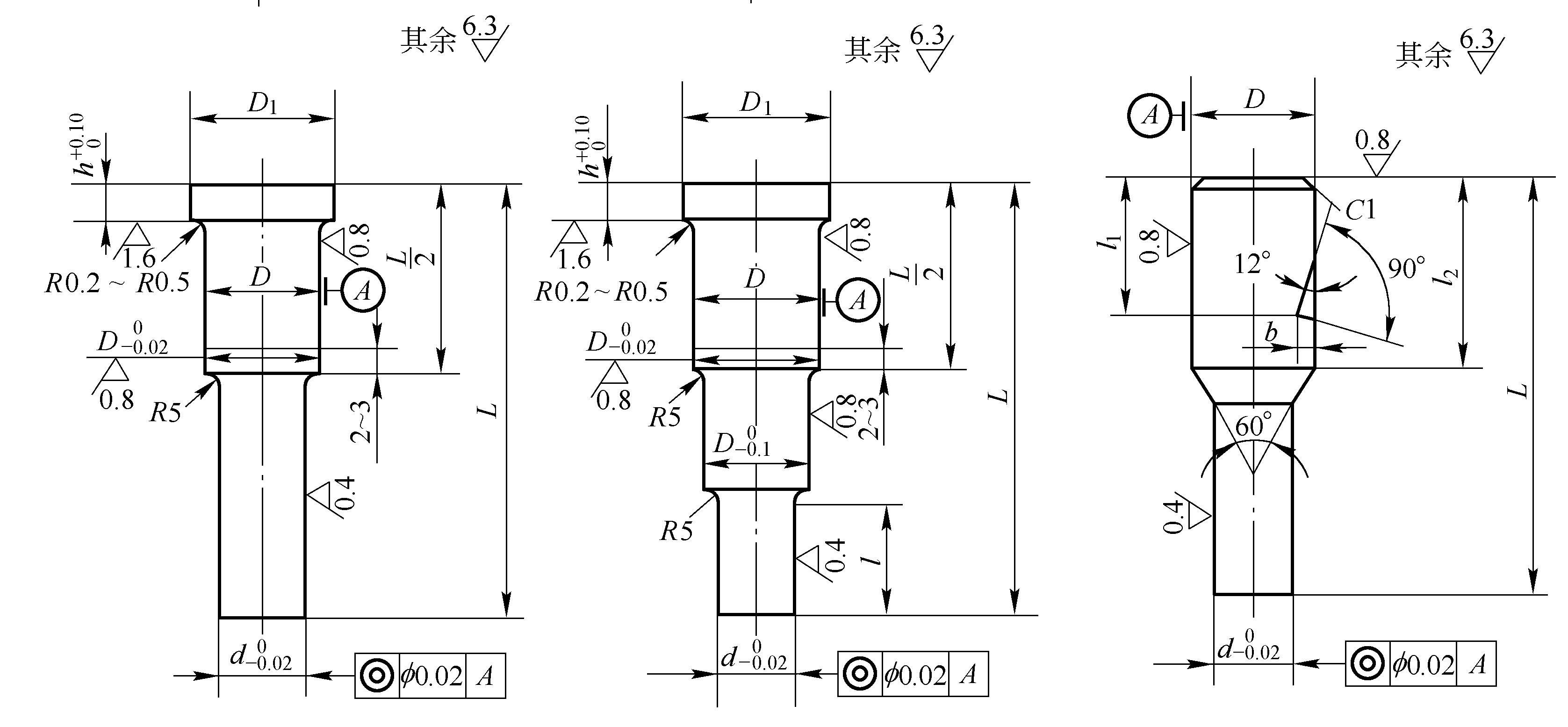
Punch
There are three kinds of standard punches with circular form in theNational Standard, as shown in Fig.3-11. Which kind of punch should be selectedis determined by the dimension d in the working portion. The length L of punchshould be determined by the die structure. When using the fixedstripper and stock guide, the length L of punch is:
L=H1+H2+H3+H
where, H1 is the thickness of the fastening platein mm; H2 is the thickness of the stripper in mm; H3 is the thickness of thestock guide in mm; H is the additional length mainly determined by the depth ofpunch entering into the die (0.5~1mm),the total wearing repairing amount (10~15 mm)and the safe distance between the stripper and punch plate when the die is inthe shut state (15~20mm).
FIGURE 3-11 Standard punches ( circular punch andquick-change circular punch )
※ Die
The patterns of the die cutting edge are illustrated in Fig. 3-13 (a)(b) (c) are the dies with the straight wall cutting edge. The strength of thecutting edge is high, the dimension of its working portion keeps unchangedafter mending and its manufacture is convenient. It is suitable for stampingthe workpieces with complex shape or high tolerance demand. But the waste orthe workpiece in such circumstances is prone to be accumulated inside the holeof the cutting edge, so increasing the expanding force, the ejecting force andthe wearing of hole wall. The worn cutting edge forms the shape of inversecone, which may induce the workpiece jumping from the opening-mouth of the holeto the surface of the die, and cause difficulty in operation. The Fig.3-13 (a) type cutting edge of die is suitable for the circular workpiece, the die whichthe workpiece or waste needs to be ejected, or the compound blanking die. The Fig.3-13 (b) type is suitable for the non-circular workpiece.
FIGURE 3-13 Shapes of the die cutting edge
任务点:科技英语语法-1

