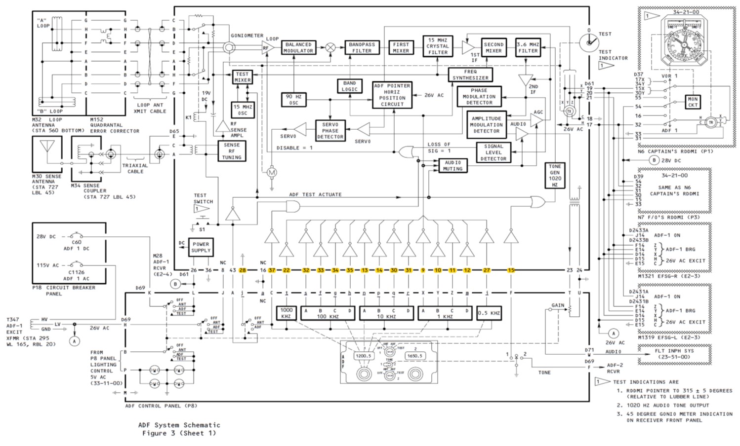
ADF控制面板电路图
上一节
下一节
ADF控制面板电路图


航空维护技术技能综合训练-航电系统维修基础(飞机电子维修基础实习)
航电系统维修基础课程组-王娟目录
ADF控制面板电路图

