雨刮系统故障的检测及排除
-
1 刮水器概述
-
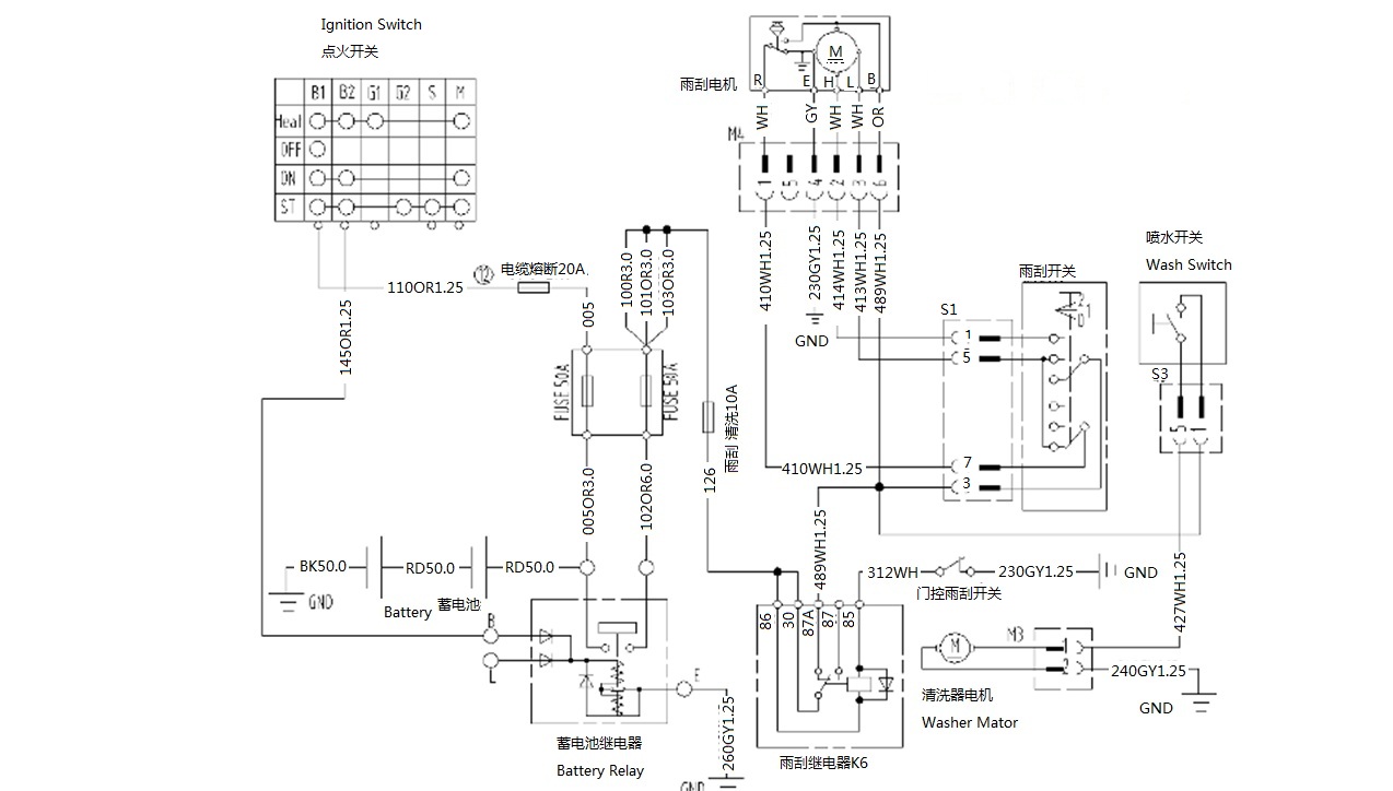
2 922E雨刮电路
-
3 教师工作页
-
4 授课PPT
-
5 雨刮系统的工作原理
上一节
下一节



